ZHCSIG2A July   2018  – August 2018 TLC6C5716-Q1

PRODUCTION DATA.  

  1. 特性
  2. 应用
  3. 说明
    1.     典型应用原理图
  4. 修订历史记录
  5. Pin Configuration and Functions
    1.     Pin Functions
  6. Specifications
    1. 6.1 Absolute Maximum Ratings
    2. 6.2 ESD Ratings
    3. 6.3 Recommended Operating Conditions
    4. 6.4 Thermal Information
    5. 6.5 Electrical Characteristics
    6. 6.6 Timing Requirements
    7. 6.7 Switching Characteristics
    8. 6.8 Typical Characteristics
  7. Detailed Description
    1. 7.1 Overview
    2. 7.2 Functional Block Diagram
    3. 7.3 Feature Description
      1. 7.3.1 Maximum Constant-Sink-Current Setting
      2. 7.3.2 Brightness Control and Dot Correction
      3. 7.3.3 Grayscale Configuration
        1. 7.3.3.1 PWM Auto Repeat
        2. 7.3.3.2 PWM Timing Reset
      4. 7.3.4 Diagnostics
        1. 7.3.4.1  LED Diagnostics
        2. 7.3.4.2  Adjacent-Pin-Short Check
        3. 7.3.4.3  IREF-Short and IREF-Open Detection
        4. 7.3.4.4  Pre-Thermal Warning Flag
        5. 7.3.4.5  Thermal Error Flag
        6. 7.3.4.6  Negate-Bit Toggle
        7. 7.3.4.7  LOD_LSD Self-Test
        8. 7.3.4.8  ERR Pin
        9. 7.3.4.9  ERROR Clear
        10. 7.3.4.10 Global Reset
        11. 7.3.4.11 Slew Rate Control
        12. 7.3.4.12 Channel Group Delay
    4. 7.4 Device Functional Modes
      1. 7.4.1 Power Up
      2. 7.4.2 Device Initialization
      3. 7.4.3 Fault Mode
      4. 7.4.4 Normal Operation
    5. 7.5 Programming
      1. 7.5.1 Register Write and Read
        1. 7.5.1.1 FC-BC-DC Write
          1. 7.5.1.1.1 FC Data Write
          2. 7.5.1.1.2 BC Data Write
          3. 7.5.1.1.3 DC Data Write
        2. 7.5.1.2 Grayscale Data Write
        3. 7.5.1.3 Special Command Function
          1. 7.5.1.3.1 GS Read
          2. 7.5.1.3.2 FC-BC-DC Read
          3. 7.5.1.3.3 Status Information Data Read
    6. 7.6 Register Maps
      1. 7.6.1 GRAYSCALE Registers
        1. 7.6.1.1 OUTn_GS Register (Offset = 0h)
          1. Table 25. OUTn_GS Register Field Descriptions
      2. 7.6.2 FC-BC-DC Registers
        1. 7.6.2.1 FC-BC-DC Register (Offset = 1h)
          1. Table 28. FC-BC-DC Register Field Descriptions
      3. 7.6.3 SID Registers
        1. 7.6.3.1 SID Register (Offset = 2h)
          1. Table 31. SID Register Field Descriptions
  8. Application and Implementation
    1. 8.1 Application Information
    2. 8.2 Typical Application
      1. 8.2.1 Design Requirements
      2. 8.2.2 Detailed Design Procedure
      3. 8.2.3 Application Curves
  9. Power Supply Recommendations
  10. 10Layout
    1. 10.1 Layout Guidelines
    2. 10.2 Layout Example
  11. 11器件和文档支持
    1. 11.1 接收文档更新通知
    2. 11.2 社区资源
    3. 11.3 商标
    4. 11.4 静电放电警告
    5. 11.5 术语表
  12. 12机械、封装和可订购信息

封装选项

机械数据 (封装 | 引脚)
散热焊盘机械数据 (封装 | 引脚)
订购信息

Switching Characteristics

over operating junction temperature range (unless otherwise noted)
PARAMETER TEST CONDITIONS MIN TYP MAX UNIT
tro0 Rise time from 10% VSDO to 90% VSDO 60 ns
tro1 Rise time from 10% VOUT to 90% VOUT IOUT = 50 mA, SLEW_RATE = 0b 200 ns
tro2 Rise time from 10% VOUT to 90% VOUT IOUT = 50 mA, SLEW_RATE = 1b 60 100 140 ns
tfo0 Fall time from 90% VSDO to 10% VSDO 30 ns
tfo1 Fall time from 90% VOUT to 10% VOUT IOUT = 50 mA , SLEW_RATE = 0b 200 ns
tfo2 Fall time from 90% VOUT to 10% VOUT IOUT = 50 mA, SLEW_RATE = 1b 30 80 130 ns
tpd0 Propagation delay, SCK↑to SDO 100 140 200 ns
tpd1 Propagation delay, LATCH↑to SDO 130 180 220 ns
tpd2 Propagation delay, BLANK↓ to OUTR0, -B0, -R4, -B4 off 10 120 260 ns
tpd3 Propagation delay, GCLK↑ to OUTR0, -B0, -R4, -B4 on 80 160 260 ns
tpd4 Propagation delay, GCLK↑ to OUTR1, -B1, -R5, -B5 on 120 200 330 ns
tpd5 Propagation delay, GCLK↑ to OUTR2, -B2, -R6, -B6 on 160 250 370 ns
tpd6 Propagation delay, GCLK↑ to OUTR3, -B3, -R7, -B7 on 190 280 400 ns
tpd7 Propagation delay, LATCH↑ to VOUT Changing by dot correction control (control data are 0Ch→72h or 72h→0Ch with upper DC range), BC -R, -B = FFh 10 80 120 ns
tpd8 Propagation delay, LATCH↑ to VOUT Changing by global brightness control (control data are 19h→E6h or E6h→19h with DC -Rn, -Bn = 7Fh with upper DC range 10 130 200 ns
tpd9 Propagation delay, LATCH↑ to APS register and APS flag change SINK_CURRENT = 0b 5 ns
tpd10 Propagation delay, LATCH↑ to APS register and APS flag change SINK_CURRENT = 1b 10 ns
tpd11 Propagation delay, LATCH↑ to LOD self-flag change No failure in LOD-LSD detector circuit 24 ns
TLC6C5716-Q1 GS-write-slasek2.gifFigure 1. Grayscale Data (GS) Write
TLC6C5716-Q1 DC-write-slasek2.gifFigure 2. Function-Control, Brightness-Control, and Dot-Correction (FC-BC-DC) Data Write
TLC6C5716-Q1 GS-read-slasek2.gifFigure 3. Grayscale (GS) Data Read
TLC6C5716-Q1 SID-read-slasek2.gifFigure 4. Status Information Data (SID) Read
TLC6C5716-Q1 APS-slasek2.gifFigure 5. Adjacent-Pin-Short (APS) Check
TLC6C5716-Q1 Negate-slasek2.gifFigure 6. Negate Bit Toggle
TLC6C5716-Q1 LOD-Self-Test-slasek2.gifFigure 7. LOD_LSD Self-Test
TLC6C5716-Q1 Read-FC-slasek2.gifFigure 8. Function Control, Brightness Control, and Dot Correction (FC-BC-DC) Data Read
TLC6C5716-Q1 Reset-Error-slasek2.gifFigure 9. ERROR Clear
TLC6C5716-Q1 Global-Reset-slasek2.gifFigure 10. Global Reset
TLC6C5716-Q1 12-Bit-PWM-without-Auto-Repeat-slasek2.gifFigure 11. 12-Bit Mode PWM Counter Without Auto-Repeat Mode
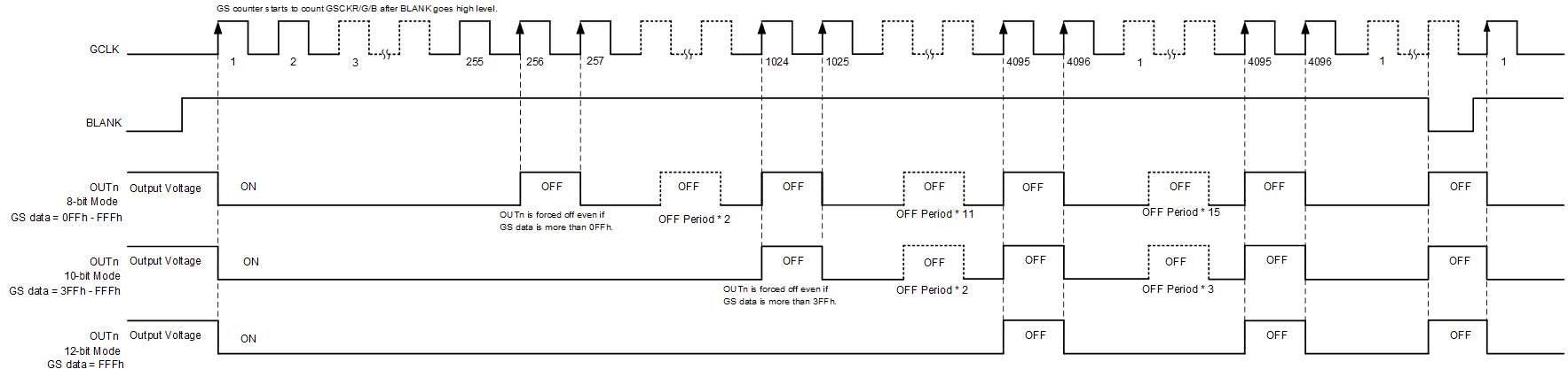
TLC6C5716-Q1 8-10-12-bit-mode-without-auto-repeat-mode-slasek2.gifFigure 12. 8-, 10-, 12-Bit Mode PWM Counter Without Auto-Repeat Mode
TLC6C5716-Q1 Auto-Repeat-slasek2.gifFigure 13. 8-, 10-, 12-Bit Mode PWM Counter With Auto-Repeat Mode
TLC6C5716-Q1 LOD-LSD-Update-slasek2.gifFigure 14. LOD-LSD Register Update Timing