ZHCSYG5F November 1983 – June 2025 TLC372
PRODUCTION DATA
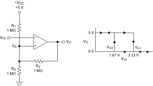
具有迟滞功能的反相比较器需要一个以比较器电源电压 (VCC) 为基准的三电阻器网络,如下所示。
图 7-3 具有迟滞功能的反相配置输出为高电平和低电平时的等效电阻器网络如下所示。
图 7-4 反相配置电阻器等效网络当 VIN 小于 VA 时,输出电压为高电平(为简单起见,假设 VO 切换至与 VCC 一样高)。三个网络电阻器可以表示为 R1 || R3 与 R2 串联,如左上方所示。
下面的公式定义了从高电平转换到低电平的跳变电压 (VA1)。

当 VIN 大于 VA 时,输出电压较低。在这种情况下,三个网络电阻器可以表示为 R2 || R3 与 R1 串联,如右上方所示。
使用下面的公式定义从低电平转换到高电平的跳变电压 (VA2)。

此公式定义了网络提供的总迟滞。
