SLVS028K April   1983  – September 2016 TL7702A , TL7705A , TL7709A , TL7712A , TL7715A

PRODUCTION DATA.  

  1. Features
  2. Applications
  3. Description
  4. Revision History
  5. Pin Configuration and Functions
  6. Specifications
    1. 6.1 Absolute Maximum Ratings
    2. 6.2 ESD Ratings
    3. 6.3 Recommended Operating Conditions
    4. 6.4 Thermal Information
    5. 6.5 Electrical Characteristics
    6. 6.6 Switching Characteristics
    7. 6.7 Typical Characteristics
  7. Parameter Measurement Information
  8. Detailed Description
    1. 8.1 Overview
    2. 8.2 Functional Block Diagram
    3. 8.3 Feature Description
      1. 8.3.1 Wide Supply-Voltage Range
      2. 8.3.2 Externally Adjustable Pulse Duration
      3. 8.3.3 Temperature-Compensated Voltage Reference
    4. 8.4 Device Functional Modes
  9. Application and Implementation
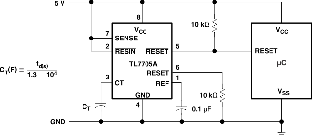
    1. 9.1 Application Information
    2. 9.2 Typical Application
      1. 9.2.1 Design Requirements
      2. 9.2.2 Detailed Design Procedure
      3. 9.2.3 Application Curves
    3. 9.3 System Examples
  10. 10Power Supply Recommendations
  11. 11Layout
    1. 11.1 Layout Guidelines
    2. 11.2 Layout Example
  12. 12Device and Documentation Support
    1. 12.1 Related Links
    2. 12.2 Receiving Notification of Documentation Updates
    3. 12.3 Community Resources
    4. 12.4 Trademarks
    5. 12.5 Electrostatic Discharge Caution
    6. 12.6 Glossary
  13. 13Mechanical, Packaging, and Orderable Information

封装选项

请参考 PDF 数据表获取器件具体的封装图。

机械数据 (封装 | 引脚)
  • D|8
  • P|8
  • PS|8
散热焊盘机械数据 (封装 | 引脚)
订购信息

1 Features

  • Power-On Reset Generator
  • Automatic Reset Generation After Voltage Drop
  • Wide Supply-Voltage Range
  • Precision Voltage Sensor
  • Temperature-Compensated Voltage Reference
  • Externally Adjustable Pulse Duration

2 Applications

  • Computers
  • Tablets
  • Smart Phones
  • Servers
  • Music Players

3 Description

The TL77xxA family of integrated-circuit supply-voltage supervisors is designed specifically for use as reset controllers in microcomputer and microprocessor systems. The supply-voltage supervisor monitors the supply for undervoltage conditions at the SENSE input. During power up, the RESET output becomes active (low) when VCC attains a value approaching 3.6 V. At this point (assuming that SENSE is above VIT+), the delay timer function activates a time delay, after which outputs RESET and RESET go inactive (high and low, respectively). When an undervoltage condition occurs during normal operation, RESET and RESET go active.

Device Information(1)

PART NUMBER PACKAGE BODY SIZE (NOM)
TL77xxA SOIC (8) 4.90 mm × 3.91 mm
PDIP (8) 9.81 mm × 6.35 mm
TL7705A SO (8) 6.20 mm × 5.30 mm
  1. For all available packages, see the orderable addendum at the end of the datasheet.

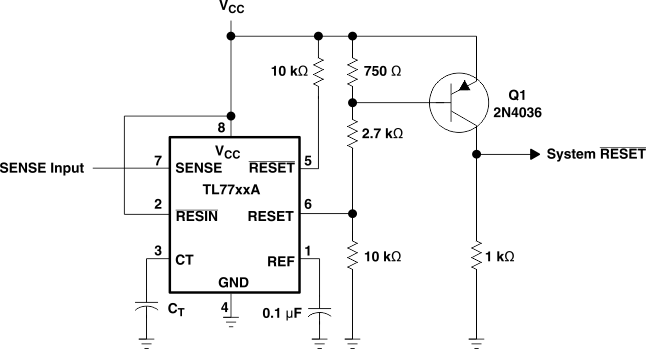
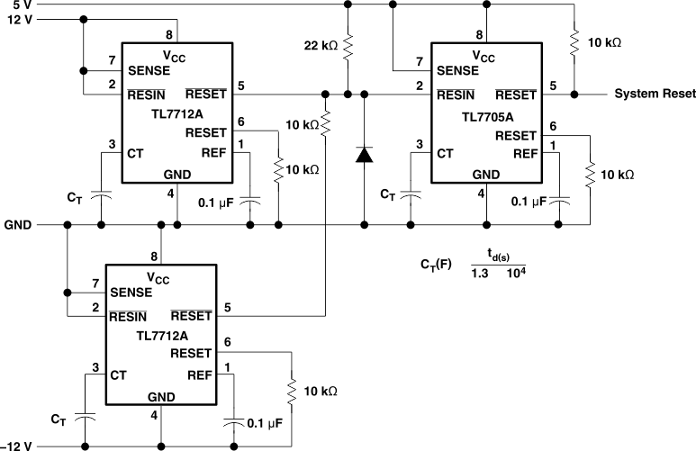
Three-Supply Monitoring

TL7702A TL7705A TL7709A TL7712A TL7715A app1_slvs028.gif