ZHCSWQ3A July   2024  – September 2025 TCAN1473-Q1

PRODMIX  

  1.   1
  2. 特性
  3. 应用
  4. 说明
  5. 引脚配置和功能
  6. 规格
    1. 5.1  绝对最大额定值
    2. 5.2  ESD 等级
    3. 5.3  ESD 等级 - IEC 规范
    4. 5.4  建议运行条件
    5. 5.5  热性能信息
    6. 5.6  功耗额定值
    7. 5.7  电源特性
    8. 5.8  电气特性
    9. 5.9  时序要求
    10. 5.10 开关特性
    11. 5.11 典型特性
  7. 参数测量信息
  8. 详细说明
    1. 7.1 概述
      1. 7.1.1 信号改善
    2. 7.2 功能方框图
    3. 7.3 特性说明
      1. 7.3.1 电源引脚
        1. 7.3.1.1 VSUP 引脚
        2. 7.3.1.2 VCC 引脚
        3. 7.3.1.3 VIO 引脚
      2. 7.3.2 数字输入与输出
        1. 7.3.2.1 TXD 引脚
        2. 7.3.2.2 RXD 引脚
        3. 7.3.2.3 nFAULT 引脚
        4. 7.3.2.4 EN 引脚
        5. 7.3.2.5 nSTB 引脚
      3. 7.3.3 GND
      4. 7.3.4 INH 引脚
      5. 7.3.5 WAKE 引脚
      6. 7.3.6 CAN 总线引脚
      7. 7.3.7 故障
        1. 7.3.7.1 内部和外部故障指示灯
          1. 7.3.7.1.1 上电(PWRON 标志)
          2. 7.3.7.1.2 唤醒请求(WAKERQ 标志)
          3. 7.3.7.1.3 欠压故障
            1. 7.3.7.1.3.1 VSUP 欠压
            2. 7.3.7.1.3.2 VCC 欠压
            3. 7.3.7.1.3.3 VIO 欠压
          4. 7.3.7.1.4 CAN 总线故障(CBF 标志)
          5. 7.3.7.1.5 TXD 显性状态超时(TXDDTO 标志)
          6. 7.3.7.1.6 TXD 短接到 RXD 故障(TXDRXD 标志)
          7. 7.3.7.1.7 CAN 总线显性故障(CANDOM 标志)
      8. 7.3.8 局部故障
        1. 7.3.8.1 TXD 显性超时 (TXD DTO)
        2. 7.3.8.2 热关断 (TSD)
        3. 7.3.8.3 欠压锁定 (UVLO)
        4. 7.3.8.4 未供电器件
        5. 7.3.8.5 悬空端子
        6. 7.3.8.6 CAN 总线短路限流
    4. 7.4 器件功能模式
      1. 7.4.1 工作模式说明
        1. 7.4.1.1 正常模式
        2. 7.4.1.2 静音模式
        3. 7.4.1.3 待机模式
        4. 7.4.1.4 进入睡眠模式
        5. 7.4.1.5 睡眠模式
          1. 7.4.1.5.1 通过唤醒模式 (WUP) 发出远程唤醒请求
          2. 7.4.1.5.2 通过 WAKE 输入端子实现本地唤醒 (LWU)
      2. 7.4.2 CAN 收发器
        1. 7.4.2.1 CAN 收发器运行
          1. 7.4.2.1.1 CAN 收发器模式
            1. 7.4.2.1.1.1 CAN 关闭模式
            2. 7.4.2.1.1.2 CAN 自主:非活动和活动
            3. 7.4.2.1.1.3 CAN 有效
          2. 7.4.2.1.2 驱动器和接收器功能表
          3. 7.4.2.1.3 CAN 总线状态
  9. 应用信息免责声明
    1. 8.1 应用信息
      1. 8.1.1 典型应用
      2. 8.1.2 设计要求
        1. 8.1.2.1 总线负载能力、长度和节点数
      3. 8.1.3 详细设计过程
        1. 8.1.3.1 CAN 端接
      4. 8.1.4 应用曲线
    2. 8.2 电源相关建议
    3. 8.3 布局
      1. 8.3.1 布局指南
      2. 8.3.2 布局示例
  10. 器件和文档支持
    1. 9.1 文档支持
    2. 9.2 接收文档更新通知
    3. 9.3 支持资源
    4. 9.4 商标
    5. 9.5 静电放电警告
    6. 9.6 术语表
  11. 10修订历史记录
  12. 11机械、封装和可订购信息

封装选项

机械数据 (封装 | 引脚)
散热焊盘机械数据 (封装 | 引脚)
订购信息

参数测量信息

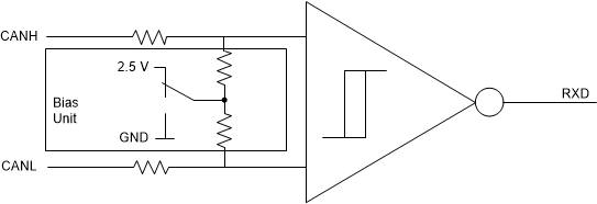
TCAN1473-Q1 共模偏置单元和接收器图 6-1 共模偏置单元和接收器
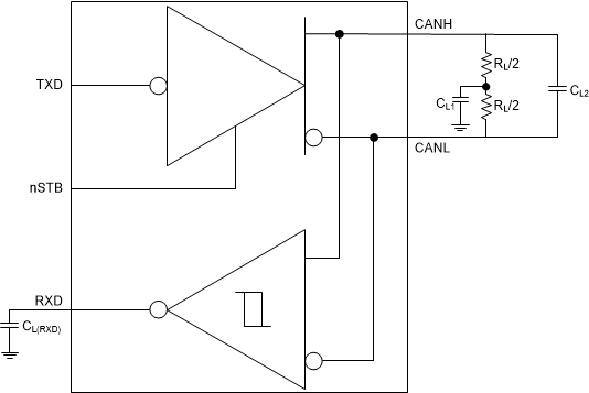
TCAN1473-Q1 测试电路图 6-2 测试电路
TCAN1473-Q1 电源测试电路图 6-3 电源测试电路
TCAN1473-Q1 驱动器测试电路与测量图 6-4 驱动器测试电路与测量
TCAN1473-Q1 接收器测试电路与测量图 6-5 接收器测试电路与测量
TCAN1473-Q1 发送器和接收器时序行为测试电路和测量图 6-6 发送器和接收器时序行为测试电路和测量
TCAN1473-Q1 TXD 显性超时测试电路与测量图 6-7 TXD 显性超时测试电路与测量
TCAN1473-Q1 驱动器短路电流测试与测量图 6-8 驱动器短路电流测试与测量
TCAN1473-Q1 偏置反应时间测量图 6-9 偏置反应时间测量
TCAN1473-Q1 上电时序图 6-10 上电时序
TCAN1473-Q1 主动和被动隐性阶段的 SiC 时序和阻抗图 6-11 主动和被动隐性阶段的 SiC 时序和阻抗.