ZHCSKL7 December   2019  – December 2019 TCAN1044V

PRODUCTION DATA.  

  1. 特性
  2. 应用
  3. 说明
    1.     简化原理图
  4. 修订历史记录
  5. Pin Configuration and Functions
    1.     Pin Functions
  6. Specifications
    1. Table 1. Absolute Maximum Ratings
    2. Table 2. ESD Ratings
    3. Table 3. ESD Ratings
    4. Table 4. Recommended Operating Conditions
    5. Table 5. Thermal Characteristics
    6. Table 6. Supply Characteristics
    7. Table 7. Dissipation Ratings
    8. Table 8. Electrical Characteristics
    9. Table 9. Switching Characteristics
    10. 6.1      Typical Characteristics
  7. Parameter Measurement Information
  8. Detailed Description
    1. 8.1 Overview
    2. 8.2 Functional Block Diagram
    3. 8.3 Feature Description
      1. 8.3.1 Pin Description
        1. 8.3.1.1 TXD
        2. 8.3.1.2 GND
        3. 8.3.1.3 VCC
        4. 8.3.1.4 RXD
        5. 8.3.1.5 VIO
        6. 8.3.1.6 CANH and CANL
        7. 8.3.1.7 STB (Standby)
      2. 8.3.2 CAN Bus States
      3. 8.3.3 TXD Dominant Timeout (DTO)
      4. 8.3.4 CAN Bus Short Circuit Current Limiting
      5. 8.3.5 Thermal Shutdown (TSD)
      6. 8.3.6 Undervoltage Lockout
      7. 8.3.7 Unpowered Device
      8. 8.3.8 Floating pins
    4. 8.4 Device Functional Modes
      1. 8.4.1 Operating Modes
      2. 8.4.2 Normal Mode
      3. 8.4.3 Standby Mode
        1. 8.4.3.1 Remote Wake Request via Wake-Up Pattern (WUP) in Standby Mode
      4. 8.4.4 Driver and Receiver Function
  9. Application and Implementation
    1. 9.1 Application Information
    2. 9.2 Typical Application
      1. 9.2.1 Design Requirements
        1. 9.2.1.1 CAN Termination
      2. 9.2.2 Detailed Design Procedures
        1. 9.2.2.1 Bus Loading, Length and Number of Nodes
      3. 9.2.3 Application Curves
    3. 9.3 System Examples
  10. 10Power Supply Recommendations
  11. 11Layout
    1. 11.1 Layout Guidelines
    2. 11.2 Layout Example
  12. 12器件和文档支持
    1. 12.1 文档支持
      1. 12.1.1 相关链接
    2. 12.2 接收文档更新通知
    3. 12.3 支持资源
    4. 12.4 商标
    5. 12.5 静电放电警告
    6. 12.6 Glossary
  13. 13机械、封装和可订购信息

封装选项

机械数据 (封装 | 引脚)
散热焊盘机械数据 (封装 | 引脚)
订购信息

CAN Bus States

The CAN bus has two logical states during operation: recessive and dominant. See Figure 12 and Figure 13.

A dominant bus state occurs when the bus is driven differentially and corresponds to a logic low on the TXD and RXD pins. A recessive bus state occurs when the bus is biased to VCC/2 via the high-resistance internal input resistors (RIN) of the receiver and corresponds to a logic high on the TXD and RXD pins.

A dominant state overwrites the recessive state during arbitration. Multiple CAN nodes may be transmitting a dominant bit at the same time during arbitration, and in this case the differential voltage of the bus is greater than the differential voltage of a single driver.

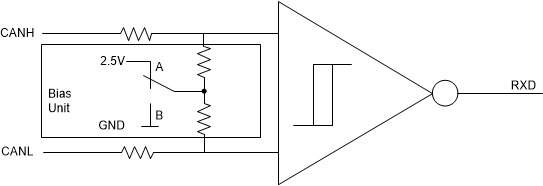
The TCAN1044V transceiver implements a low-power standby (STB) mode which enables a third bus state where the bus pins are weakly biased to ground via the high resistance internal resistors of the receiver. See Figure 12 and Figure 13.

TCAN1044V Typical_Bus_Voltages_Standby_Mode.gifFigure 12. Bus States
TCAN1044V Bias-Unit-(Recessive-Common-Mode-Bias)-and-Receiver.gif
Normal Mode
Standby Mode
Figure 13. Simplified Recessive Common Mode Bias Unit and Receiver