ZHCSKL7 December   2019  – December 2019 TCAN1044V

PRODUCTION DATA.  

  1. 特性
  2. 应用
  3. 说明
    1.     简化原理图
  4. 修订历史记录
  5. Pin Configuration and Functions
    1.     Pin Functions
  6. Specifications
    1. Table 1. Absolute Maximum Ratings
    2. Table 2. ESD Ratings
    3. Table 3. ESD Ratings
    4. Table 4. Recommended Operating Conditions
    5. Table 5. Thermal Characteristics
    6. Table 6. Supply Characteristics
    7. Table 7. Dissipation Ratings
    8. Table 8. Electrical Characteristics
    9. Table 9. Switching Characteristics
    10. 6.1      Typical Characteristics
  7. Parameter Measurement Information
  8. Detailed Description
    1. 8.1 Overview
    2. 8.2 Functional Block Diagram
    3. 8.3 Feature Description
      1. 8.3.1 Pin Description
        1. 8.3.1.1 TXD
        2. 8.3.1.2 GND
        3. 8.3.1.3 VCC
        4. 8.3.1.4 RXD
        5. 8.3.1.5 VIO
        6. 8.3.1.6 CANH and CANL
        7. 8.3.1.7 STB (Standby)
      2. 8.3.2 CAN Bus States
      3. 8.3.3 TXD Dominant Timeout (DTO)
      4. 8.3.4 CAN Bus Short Circuit Current Limiting
      5. 8.3.5 Thermal Shutdown (TSD)
      6. 8.3.6 Undervoltage Lockout
      7. 8.3.7 Unpowered Device
      8. 8.3.8 Floating pins
    4. 8.4 Device Functional Modes
      1. 8.4.1 Operating Modes
      2. 8.4.2 Normal Mode
      3. 8.4.3 Standby Mode
        1. 8.4.3.1 Remote Wake Request via Wake-Up Pattern (WUP) in Standby Mode
      4. 8.4.4 Driver and Receiver Function
  9. Application and Implementation
    1. 9.1 Application Information
    2. 9.2 Typical Application
      1. 9.2.1 Design Requirements
        1. 9.2.1.1 CAN Termination
      2. 9.2.2 Detailed Design Procedures
        1. 9.2.2.1 Bus Loading, Length and Number of Nodes
      3. 9.2.3 Application Curves
    3. 9.3 System Examples
  10. 10Power Supply Recommendations
  11. 11Layout
    1. 11.1 Layout Guidelines
    2. 11.2 Layout Example
  12. 12器件和文档支持
    1. 12.1 文档支持
      1. 12.1.1 相关链接
    2. 12.2 接收文档更新通知
    3. 12.3 支持资源
    4. 12.4 商标
    5. 12.5 静电放电警告
    6. 12.6 Glossary
  13. 13机械、封装和可订购信息

封装选项

机械数据 (封装 | 引脚)
散热焊盘机械数据 (封装 | 引脚)
订购信息

Parameter Measurement Information

TCAN1044V ICC_Test_Circuit.gifFigure 5. ICC Test Circuit
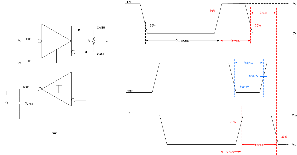
TCAN1044V Driver_Test_Circuit_and_Measurement.gifFigure 6. Driver Test Circuit and Measurement
TCAN1044V Receiver_Test_Circuit_and_Measurement.gifFigure 7. Receiver Test Circuit and Measurement

Table 10. Receiver Differential Input Voltage Threshold Test (See Figure 7)

Input Output
VCANH VCANL |VID| RXD
-11.5 V -12.5 V 1000 mV L VOL
12.5 V 11.5 V 1000 mV
-8.55 V -9.45 V 900 mV
9.45 V 8.55 V 900 mV
-8.25 V -9.25 V 500 mV H VOH
9.25 V 8.25 V 500 mV
-11.8 V -12.2 V 400 mV
12.2 V 11.8 V 400 mV
Open Open X
TCAN1044V Transmitter_and_Receiver_Timing_Behavior_Test_Circuit_and_Measurement_STB.gifFigure 8. Transmitter and Receiver Timing Test Circuit and Measurement
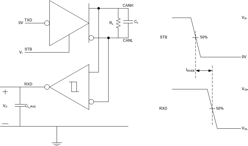
TCAN1044V tMODE_Test_Circuit_and_Measurement_Standby.gifFigure 9. tMODE Test Circuit and Measurement
TCAN1044V TXD_DTO_Circuit_and_Measurement.gifFigure 10. TXD Dominant Timeout Test Circuit and Measurement
TCAN1044V IOS.gifFigure 11. Driver Short-Circuit Current Test and Measurement