SLAS623A November   2008  – November 2016 TAS5342A

PRODUCTION DATA.  

  1. Features
  2. Applications
  3. Description
  4. Revision History
  5. Pin Configuration and Functions
  6. Specifications
    1. 6.1 Absolute Maximum Ratings
    2. 6.2 ESD Ratings
    3. 6.3 Recommended Operating Conditions
    4. 6.4 Thermal Information
    5. 6.5 Electrical Characteristics
    6. 6.6 Audio Specifications (BTL)
    7. 6.7 Audio Specifications (Single-Ended Output)
    8. 6.8 Audio Specifications (PBTL)
    9. 6.9 Typical Characteristics
      1. 6.9.1 BTL Configuration
      2. 6.9.2 SE Configuration
      3. 6.9.3 PBTL Configuration
  7. Detailed Description
    1. 7.1 Overview
    2. 7.2 Functional Block Diagram
    3. 7.3 Feature Description
      1. 7.3.1 Mid Z Sequence Compatibility
      2. 7.3.2 Device Protection System
      3. 7.3.3 Use Of TAS5342A In High-Modulation-Index Capable Systems
      4. 7.3.4 Overcurrent (OC) Protection With Current Limiting and Overload Detection
      5. 7.3.5 Pin-To-Pin Short Circuit Protection System (PPSC)
      6. 7.3.6 Overtemperature Protection
      7. 7.3.7 Undervoltage Protection (UVP) and Power-On Reset (POR)
      8. 7.3.8 Error Reporting
      9. 7.3.9 Device Reset
    4. 7.4 Device Functional Modes
      1. 7.4.1 Protection Mode Selection Pins
      2. 7.4.2 System Power-Up/Power-Down Sequence
        1. 7.4.2.1 Powering Up
        2. 7.4.2.2 Powering Down
  8. Application and Implementation
    1. 8.1 Application Information
    2. 8.2 Typical Applications
      1. 8.2.1 Typical Differential (2N) BTL Application
        1. 8.2.1.1 Design Requirements
        2. 8.2.1.2 Detailed Design Procedure
          1. 8.2.1.2.1 PCB Material Recommendation
          2. 8.2.1.2.2 PVDD Capacitor Recommendation
          3. 8.2.1.2.3 Decoupling Capacitor Recommendations
        3. 8.2.1.3 Application Curves
      2. 8.2.2 Typical Non-Differential (1N) BTL
        1. 8.2.2.1 Design Requirements
        2. 8.2.2.2 Application Curves
      3. 8.2.3 Typical SE Application
        1. 8.2.3.1 Design Requirements
        2. 8.2.3.2 Application Curves
      4. 8.2.4 Typical Differential (2N) PBTL Application
        1. 8.2.4.1 Design Requirements
        2. 8.2.4.2 Application Curves
      5. 8.2.5 Typical Non-Differential (1N) PBTL
        1. 8.2.5.1 Design Requirements
        2. 8.2.5.2 Application Curves
    3. 8.3 Systems Examples
  9. Power Supply Recommendations
  10. 10Layout
    1. 10.1 Layout Guidelines
    2. 10.2 Layout Example
  11. 11Device and Documentation Support
    1. 11.1 Documentation Support
      1. 11.1.1 Related Documentation
    2. 11.2 Receiving Notification of Documentation Updates
    3. 11.3 Community Resources
    4. 11.4 Trademarks
    5. 11.5 Electrostatic Discharge Caution
    6. 11.6 Glossary
  12. 12Mechanical, Packaging, and Orderable Information

封装选项

机械数据 (封装 | 引脚)
散热焊盘机械数据 (封装 | 引脚)
订购信息

Application and Implementation

NOTE

Information in the following applications sections is not part of the TI component specification, and TI does not warrant its accuracy or completeness. TI’s customers are responsible for determining suitability of components for their purposes. Customers should validate and test their design implementation to confirm system functionality.

Application Information

TAS5342A can be configured either in stereo BTL mode, 4 channel SE mode, or mono PBTL mode, depending on output power conditions and system design.

Typical Applications

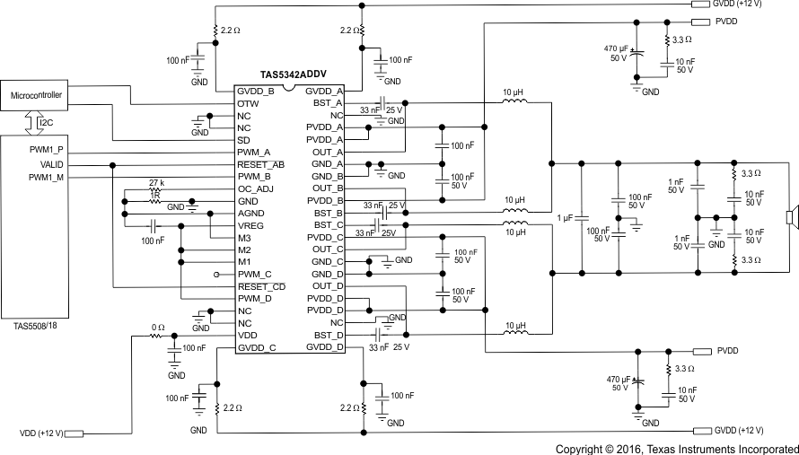
Typical Differential (2N) BTL Application

The following schematics and PCB layouts illustrate "best practices" in the use of the TAS5342A.

TAS5342A diff_btl_las623_jh.gif Figure 14. Typical Differential (2N) BTL Application With Ad Modulation Filters

Design Requirements

For this design example, use the parameters listed in Table 5 as the input parameters.

Table 5. Design Parameters

DESIGN PARAMETER EXAMPLE VALUE
Low Power (pull-up) supply 3.3 V
Mid Power Supply (GVDD, VDD) 12 V
High Power Supply (PVDD) 12 V – 36 V
PWM Inputs INPUT A = 0 – 3.3 V PWM
INPUT_B = 0 – 3.3 V PWM
INPUT_C = 0 – 3.3 V PWM
INPUT_D = 0 – 3.3 V PWM
Speaker Impedance 4 Ω – 8 Ω

Detailed Design Procedure

PCB Material Recommendation

FR-4 Glass Epoxy material with 2 oz. (70 μm) is recommended for use with the TAS5342A. The use of this material can provide for higher power output, improved thermal performance, and better EMI margin (due to lower PCB trace inductance.

PVDD Capacitor Recommendation

The large capacitors used in conjunction with each full-birdge, are referred to as the PVDD Capacitors. These capacitors should be selected for proper voltage margin and adequate capacitance to support the power requirements. In practice, with a well designed system power supply, 1000 μF, 50-V supports more applications. The PVDD capacitors should be low ESR type because they are used in a circuit associated with high-speed switching.

Decoupling Capacitor Recommendations

In order to design an amplifier that has robust performance, passes regulatory requirements, and exhibits good audio performance, good quality decoupling capacitors should be used. In practice, X7R should be used in this application.

The voltage of the decoupling capacitors should be selected in accordance with good design practices. Temperature, ripple current, and voltage overshoot must be considered. This fact is particularly true in the selection of the 0.1 μF that is placed on the power supply to each half-bridge. It must withstand the voltage overshoot of the PWM switching, the heat generated by the amplifier during high power output, and the ripple current created by high-power output. A minimum voltage rating of 50-V is required for use with a 31.5-V power supply.

Application Curves

Relevant performance plots for TAS5342A are shown in the BTL Configuration.

Table 6. Performance Plots, Typical BTL Configurations

PLOT TITLE FIGURE NUMBER
Total Harmonic Distortion + Noise vs. Output power Figure 1
Output Power vs. Supply Voltage Figure 2
Unclipped Output Power vs. Supply Voltage Figure 3
System Efficiency vs. Output Power Figure 4
System Power Loss vs. Output Power Figure 5
System Output Power vs. Case Temperature Figure 6
Noise Amplitude vs. Frequency Figure 7

Typical Non-Differential (1N) BTL

Design Requirements Typical Non-Differential BTL.

TAS5342A nondiff_btl_las623.gif Figure 15. Typical Non-Differential (1N) BTL Application With AD Modulation Filters

Design Requirements

For this design example, use the parameters listed in Table 7 as the input parameters.

Table 7. Design Parameters

DESIGN PARAMETER EXAMPLE VALUE
Low Power (pull-up) supply 3.3 V
Mid Power Supply (GVDD, VDD) 12 V
High Power Supply (PVDD) 12 V – 36 V
PWM Inputs INPUT A = 0 – 3.3 V PWM
INPUT_B = N/C
INPUT_C = 0 – 3.3 V PWM
INPUT_D = N/C
Speaker Impedance 4 Ω – 8 Ω

Application Curves

Relevant performance plots for TAS5342A are shown in the BTL Configuration.

Table 8. Performance Plots, Typical BTL Configurations

PLOT TITLE FIGURE NUMBER
Total Harmonic Distortion + Noise vs. Output power Figure 1
Output Power vs. Supply Voltage Figure 2
Unclipped Output Power vs. Supply Voltage Figure 3
System Efficiency vs. Output Power Figure 4
System Power Loss vs. Output Power Figure 5
System Output Power vs. Case Temperature Figure 6
Noise Amplitude vs. Frequency Figure 7

Typical SE Application

Design Requirements Typical SE

TAS5342A typ_se2_las623.gif Figure 16. Typical SE Application

Design Requirements

For this design example, use the parameters listed in Table 9 as the input parameters.

Table 9. Design Parameters

DESIGN PARAMETER EXAMPLE VALUE
Low Power (pull-up) supply 3.3 V
Mid Power Supply (GVDD, VDD) 12 V
High Power Supply (PVDD) 12 V – 36 V
PWM Inputs INPUT A = 0 – 3.3 V PWM
NPUT B = 0 – 3.3 V PWM
INPUT_C = 0 – 3.3 V PWM
NPUT D = 0 – 3.3 V PWM
Speaker Impedance 3 Ω – 4 Ω

Application Curves

Relevant performance plots for TAS5342A are shown in the SE Configuration.

Table 10. Performance Plots, Typical SE Configurations

PLOT TITLE FIGURE NUMBER
Total Harmonic Distortion + Noise vs. Output power Figure 8
Output Power vs. Supply Voltage Figure 9
Power Output vs. Case Temperature Figure 10

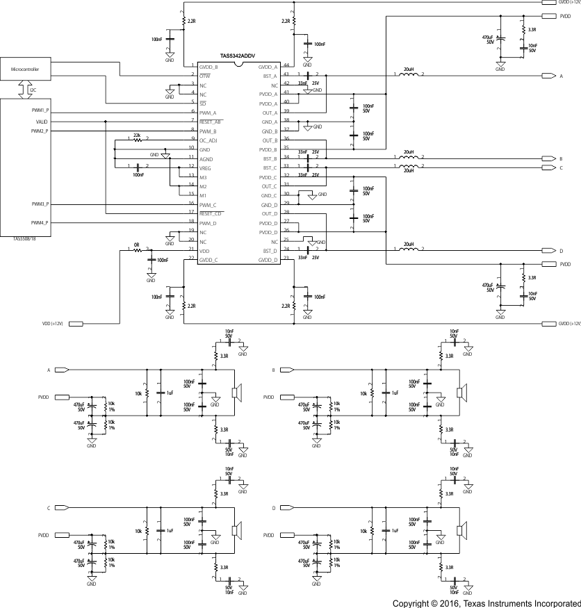
Typical Differential (2N) PBTL Application

Design Requirements Typical Differential PBTL

TAS5342A diff_pbtl_las623_jh2.gif Figure 17. Typical Differential (2N) PBTL Application With AD Modulation Filters

Design Requirements

For this design example, use the parameters listed in Table 11 as the input parameters.

Table 11. Design Parameters

DESIGN PARAMETER EXAMPLE VALUE
Low Power (pull-up) supply 3.3 V
Mid Power Supply (GVDD, VDD) 12 V
High Power Supply (PVDD) 12 V – 36 V
PWM Inputs INPUT A = 0 – 3.3 V PWM
INPUT_B = N/C
INPUT_C = N/C
INPUT_D = GND
Speaker Impedance 2 Ω – 3 Ω

Application Curves

Relevant performance plots for TAS5342A are shown in the PBTL Configuration.

Table 12. Performance Plots, Typical PBTL Configurations

PLOT TITLE FIGURE NUMBER
Total Harmonic Distortion + Noise vs. Output power Figure 11
Output Power vs. Supply Voltage Figure 12
Power Output vs. Case Temperature Figure 13

Typical Non-Differential (1N) PBTL

Design Requirements Typical Non-Differential PBTL.

TAS5342A nondiff_pbtl_las623_jh2.gif Figure 18. Typical Non-Differential (1N) PBTL Application

Design Requirements

For this design example, use the parameters listed in Table 13 as the input parameters.

Table 13. Design Parameters

DESIGN PARAMETER EXAMPLE VALUE
Low Power (pull-up) supply 3.3 V
Mid Power Supply (GVDD, VDD) 12 V
High Power Supply (PVDD) 12 V – 36 V
PWM Inputs INPUT A = 0 – 3.3 V PWM
INPUT_B = N/C
INPUT_C = N/C
INPUT_D = GND
Speaker Impedance 2 Ω – 3 Ω

Application Curves

Relevant performance plots for TAS5342A are shown in the PBTL Configuration.

Table 14. Performance Plots, Typical PBTL Configurations

PLOT TITLE FIGURE NUMBER
Total Harmonic Distortion + Noise vs. Output power Figure 11
Output Power vs. Supply Voltage Figure 12
Power Output vs. Case Temperature Figure 13

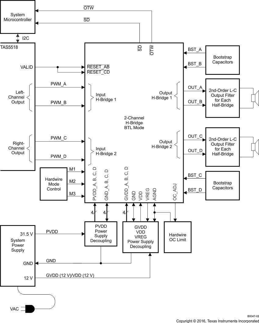
Systems Examples

A block diagram for a typical audio system using the TAS5342A is shown in Figure 19. The TAS5518 is an
8 channel digital audio PWM processor.

TAS5342A system_example_slas623.gif Figure 19. Typical Audio System