ZHCSRA8K September   1997  – May 2024 SN74LV240A

PRODMIX  

  1.   1
  2. 特性
  3. 应用
  4. 说明
  5. Pin Configuration and Functions
  6. Specifications
    1. 5.1  Absolute Maximum Ratings
    2. 5.2  ESD Ratings
    3. 5.3  Recommended Operating Conditions
    4. 5.4  Thermal Information
    5. 5.5  Electrical Characteristics
    6. 5.6  Switching Characteristics, VCC = 2.5 V ±0.2 V
    7. 5.7  Switching Characteristics, VCC = 3.3 V ±0.3 V
    8. 5.8  Switching Characteristics, VCC = 5 V ±0.5 V
    9. 5.9  Noise Characteristics
    10. 5.10 Operating Characteristics
    11. 5.11 Typical Characteristics
  7. Parameter Measurement Information
  8. Detailed Description
    1. 7.1 Overview
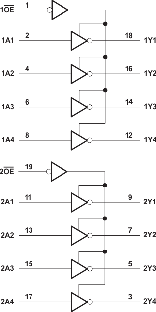
    2. 7.2 Functional Block Diagram
    3. 7.3 Feature Description
    4. 7.4 Device Functional Modes
  9. Application and Implementation
    1. 8.1 Application Information
    2. 8.2 Typical Application
      1. 8.2.1 Design Requirements
      2. 8.2.2 Detailed Design Procedure
      3. 8.2.3 Application Curve
    3. 8.3 Power Supply Recommendations
    4. 8.4 Layout
      1. 8.4.1 Layout Guidelines
      2. 8.4.2 Layout Example
  10. Device and Documentation Support
    1. 9.1 Documentation Support (Analog)
      1. 9.1.1 Related Links
    2. 9.2 接收文档更新通知
    3. 9.3 支持资源
    4. 9.4 Trademarks
    5. 9.5 静电放电警告
    6. 9.6 术语表
  11. 10Revision History
  12. 11Mechanical, Packaging, and Orderable Information

封装选项

请参考 PDF 数据表获取器件具体的封装图。

机械数据 (封装 | 引脚)
  • DGV|20
  • DB|20
  • NS|20
  • DW|20
  • PW|20
  • DGS|20
散热焊盘机械数据 (封装 | 引脚)
订购信息

Functional Block Diagram

SN74LV240A Logic
                    Diagram (Positive Logic) Figure 7-1 Logic Diagram (Positive Logic)