ZHCSRB5J April   1998  – March 2023 SN74LV175A

PRODMIX  

  1. 特性
  2. 应用
  3. 说明
  4. Revision History
  5. Pin Configurations and Functions
  6. Specifications
    1. 6.1  Absolute Maximum Ratings
    2. 6.2  ESD Ratings
    3. 6.3  Recommended Operating Conditions
    4. 6.4  Thermal Information
    5. 6.5  Electrical Characteristics
    6. 6.6  Timing Requirements, VCC = 2.5 V ± 0.2 V
    7. 6.7  Timing Requirements, VCC = 3.3 V ± 0.3 V
    8. 6.8  Timing Requirements, VCC = 5 V ± 0.5 V
    9. 6.9  Switching Characteristics, VCC = 2.5 V ± 0.2 V
    10. 6.10 Switching Characteristics, VCC = 3.5 V ± 0.3 V
    11. 6.11 Timing Requirements, VCC = 5 V ± 0.5 V
    12. 6.12 Noise Characteristics
    13. 6.13 Operating Characteristics
  7. Parameter Measurement Information
  8. Detailed Description
    1. 8.1 Overview
    2. 8.2 Functional Block Diagram
    3. 8.3 Feature Description
    4. 8.4 Device Functional Modes
  9. Application and Implementation
    1. 9.1 Application Information
    2. 9.2 Typical Application
      1. 9.2.1 Design Requirements
      2. 9.2.2 Detailed Design Procedure
    3. 9.3 Power Supply Recommendations
    4. 9.4 Layout
      1. 9.4.1 Layout Guidelines
        1. 9.4.1.1 Layout Example
  10. 10Device and Documentation Support
    1. 10.1 Documentation Support
      1. 10.1.1 Related Documentation
    2. 10.2 Receiving Notification of Documentation Updates
    3. 10.3 Support Resources
    4. 10.4 Trademarks
    5. 10.5 Electrostatic Discharge Caution
    6. 10.6 Glossary
  11. 11Mechanical, Packaging, and Orderable Information

封装选项

请参考 PDF 数据表获取器件具体的封装图。

机械数据 (封装 | 引脚)
  • PW|16
  • NS|16
  • D|16
  • DGV|16
散热焊盘机械数据 (封装 | 引脚)
订购信息

说明

SN74LV175A 器件是一款四路 D 型触发器,可在 2V 至 5.5 VCC 下运行。这些器件具有直接清零 (CLR) 输入,并具有来自每个触发器的互补输出。

封装信息
器件型号 封装 封装尺寸(标称值)
SN74LV175A SOIC (16) 9.9mm × 3.9mm
SOP (16) 10.3mm × 1.95mm
TSSOP (16) 5mm × 4.4mm
TVSOP (16) 3.6mm × 4.4mm
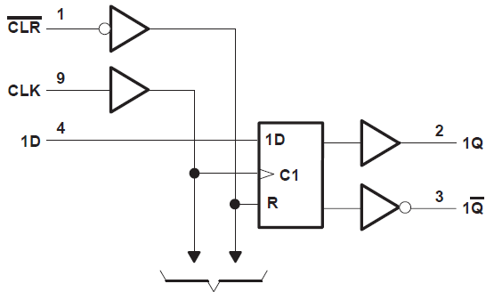
GUID-20221116-SS0I-QXXV-DPT1-DJB59J1JHZKK-low.png逻辑图(正逻辑)