ZHCSXQ6G April   1998  – January 2025 SN74LV163A

PRODUCTION DATA  

  1.   1
  2. 特性
  3. 说明
  4. 引脚配置和功能
  5. 规格
    1. 4.1  绝对最大额定值
    2. 4.2  ESD 等级
    3. 4.3  建议运行条件
    4. 4.4  热性能信息
    5. 4.5  电气特性
    6. 4.6  时序要求,VCC = 2.5V ± 0.2V
    7. 4.7  时序要求,VCC = 3.3V ± 0.3V
    8. 4.8  时序要求,VCC = 5V ± 0.5V
    9. 4.9  开关特性,VCC = 2.5V ± 0.2V
    10. 4.10 开关特性,VCC = 3.3V ± 0.3V
    11. 4.11 开关特性,VCC = 5V ± 0.5V
    12. 4.12 噪声特性
    13. 4.13 工作特性
    14. 4.14 典型的清零、预设、计数和抑制序列
  6. 参数测量信息
  7. 详细说明
    1. 6.1 概述
    2. 6.2 功能方框图
    3. 6.3 器件功能模式
  8. 应用和实施
    1. 7.1 电源相关建议
    2. 7.2 布局
      1. 7.2.1 布局指南
      2. 7.2.2 布局示例
  9. 器件和文档支持
    1. 8.1 文档支持
      1. 8.1.1 相关文档
    2. 8.2 接收文档更新通知
    3. 8.3 支持资源
    4. 8.4 商标
    5. 8.5 静电放电警告
    6. 8.6 术语表
  10. 修订历史记录
  11. 10机械、封装和可订购信息

封装选项

请参考 PDF 数据表获取器件具体的封装图。

机械数据 (封装 | 引脚)
  • PW|16
  • DB|16
  • NS|16
  • RGY|16
  • D|16
  • DGV|16
散热焊盘机械数据 (封装 | 引脚)
订购信息

功能方框图

SN74LV163A 逻辑图(正逻辑)
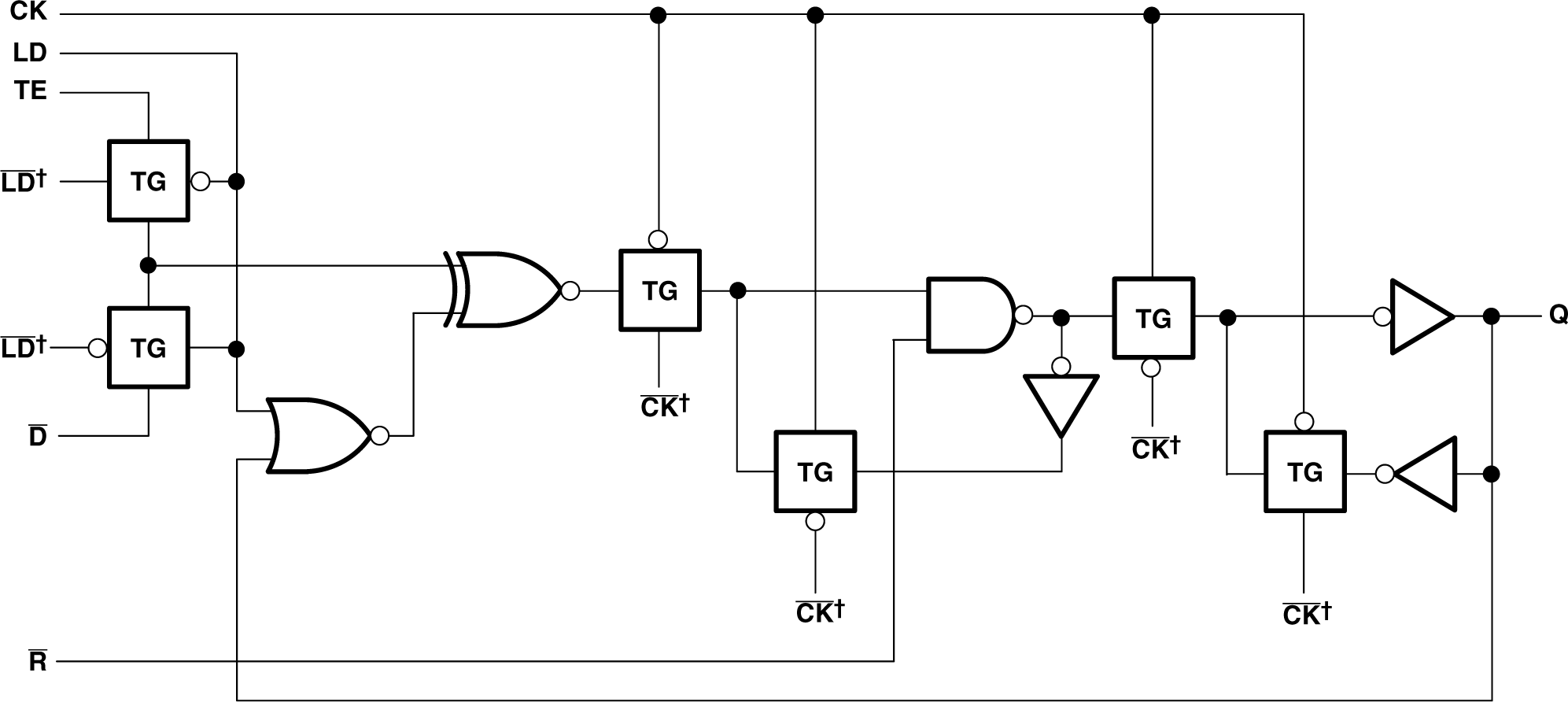
为简单起见,该整体逻辑图中未显示互补信号 LDCK 的布线。D/T 触发器的逻辑图中显示了这些信号的使用。
图 6-1 逻辑图(正逻辑)

所示引脚编号用于 D、DB、DGV、J、NS、PW、RGY 和 W 封装。

SN74LV163A 逻辑图,每个 D/T 触发器(正逻辑)
器件的整体逻辑图中显示了 LDCK 的来源。
图 6-2 逻辑图,每个 D/T 触发器(正逻辑)