ZHCSP32A October   2021  – December 2021 SN74HCT595-Q1

PRODUCTION DATA  

  1. 特性
  2. 应用
  3. 说明
  4. 修订历史记录
  5. 引脚配置和功能
  6. 规格
    1. 6.1 绝对最大额定值
    2. 6.2 ESD 等级
    3. 6.3 建议运行条件
    4. 6.4 热性能信息
    5. 6.5 电气特性
    6. 6.6 计时特性
    7. 6.7 开关特性
    8.     14
    9. 6.8 典型特性
  7. 参数测量信息
  8. 详细说明
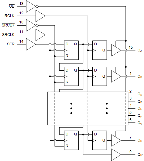
    1. 8.1 功能方框图
    2. 8.2 特性说明
      1. 8.2.1 平衡 CMOS 三态输出
      2. 8.2.2 平衡 CMOS 推挽式输出
      3. 8.2.3 TTL 兼容型 CMOS 输入
      4. 8.2.4 锁存逻辑
      5. 8.2.5 钳位二极管结构
    3. 8.3 器件功能模式
  9. 应用和实施
    1. 9.1 应用信息
    2. 9.2 典型应用
      1. 9.2.1 设计要求
        1. 9.2.1.1 电源注意事项
        2. 9.2.1.2 输入注意事项
        3. 9.2.1.3 输出注意事项
      2. 9.2.2 详细设计过程
      3. 9.2.3 应用曲线
  10. 10电源相关建议
  11. 11布局
    1. 11.1 布局指南
    2. 11.2 布局示例
  12. 12器件和文档支持
    1. 12.1 文档支持
      1. 12.1.1 相关文档
    2. 12.2 接收文档更新通知
    3. 12.3 支持资源
    4. 12.4 商标
    5. 12.5 Electrostatic Discharge Caution
    6. 12.6 术语表
  13. 13机械、封装和可订购信息

封装选项

机械数据 (封装 | 引脚)
散热焊盘机械数据 (封装 | 引脚)
订购信息

说明

SN74HCT595-Q1 器件包含对 8 位 D 类存储寄存器进行馈送的 8 位串行输入、并行输出移位寄存器。存储寄存器具有并行三态输出。移位寄存器和存储寄存器分别有单独的时钟。移位寄存器具有一个直接覆盖清零 (SRCLR) 的串行 (SER) 输入和一个串行输出 (QH'),以用于级联。当输出使能端 (OE) 输入为高电平时,存储寄存器输出处于高阻抗状态。内部寄存器数据和串行输出 (QH') 不受 OE 端输入的影响。

器件信息(1)
器件型号封装封装尺寸(标称值)
SN74HCT595PW-Q1TSSOP (16)5.00mm × 4.40mm
如需了解所有可用封装,请参阅数据表末尾的可订购产品附录。
GUID-20211015-SS0I-66P0-J2PR-6DVV9SDRTXZD-low.gif逻辑图(正逻辑)