ZHCSRK2F March   1984  – April 2021 SN74HC7001

PRODUCTION DATA  

  1. 特性
  2. 应用
  3. 说明
  4. Revision History
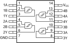
  5. Pin Configuration and Functions
    1.     Pin Functions
  6. Specifications
    1. 6.1 Absolute Maximum Ratings
    2. 6.2 Recommended Operating Conditions
    3. 6.3 Thermal Information
    4. 6.4 Electrical Characteristics
    5. 6.5 Switching Characteristics
    6. 6.6 Operating Characteristics
    7. 6.7 Typical Characteristics
  7. Parameter Measurement Information
  8. Detailed Description
    1. 8.1 Overview
    2. 8.2 Functional Block Diagram
    3. 8.3 Feature Description
      1. 8.3.1 Balanced CMOS Push-Pull Outputs
      2. 8.3.2 CMOS Schmitt-Trigger Inputs
      3. 8.3.3 Clamp Diode Structure
    4. 8.4 Device Functional Modes
  9. Application and Implementation
    1. 9.1 Application Information
    2. 9.2 Typical Application
      1. 9.2.1 Design Requirements
        1. 9.2.1.1 Power Considerations
        2. 9.2.1.2 Input Considerations
        3. 9.2.1.3 Output Considerations
      2. 9.2.2 Detailed Design Procedure
      3. 9.2.3 Application Curves
  10. 10Power Supply Recommendations
  11. 11Layout
    1. 11.1 Layout Guidelines
    2. 11.2 Layout Example
  12. 12Device and Documentation Support
    1. 12.1 Documentation Support
      1. 12.1.1 Related Documentation
    2. 12.2 Related Links
    3. 12.3 支持资源
    4. 12.4 Trademarks
    5. 12.5 静电放电警告
    6. 12.6 术语表
  13. 13Mechanical, Packaging, and Orderable Information

封装选项

请参考 PDF 数据表获取器件具体的封装图。

机械数据 (封装 | 引脚)
  • D|14
  • N|14
散热焊盘机械数据 (封装 | 引脚)
订购信息

说明

该器件包含四个具有施密特触发输入的独立 2 输入与门。每个逻辑门以正逻辑执行布尔函数 Y = A ● B。

器件信息(1)
器件型号 封装 封装尺寸(标称值)
SN74HC7001D SOIC (14) 8.70mm × 3.90mm
SN74HC7001N PDIP (14) 19.30mm × 6.40mm
如需了解所有可用封装,请参阅数据表末尾的可订购产品附录。
GUID-23EC4493-4841-49B0-825B-99BDBA4304C2-low.gif功能引脚分配