ZHCSXW9F June   2004  – February 2025 SN74AVCH4T245

PRODUCTION DATA  

  1.   1
  2. 特性
  3. 应用
  4. 说明
  5. Pin Configuration and Functions
  6. Specifications
    1. 5.1  Absolute Maximum Ratings
    2. 5.2  ESD Ratings
    3. 5.3  Recommended Operating Conditions
    4. 5.4  Thermal Information
    5. 5.5  Electrical Characteristics
    6. 5.6  Switching Characteristics, VCCA = 1.2V
    7. 5.7  Switching Characteristics, VCCA = 1.5 ± 0.1V
    8. 5.8  Switching Characteristics, VCCA = 1.8 ± 0.15V
    9. 5.9  Switching Characteristics, VCCA = 2.5 ± 0.2V
    10. 5.10 Switching Characteristics, VCCA = 3.3 ± 0.3V
    11. 5.11 Operating Characteristics
    12. 5.12 Typical Characteristics
  7. Parameter Measurement Information
  8. Detailed Description
    1. 7.1 Overview
    2. 7.2 Functional Block Diagram
    3. 7.3 Feature Description
      1. 7.3.1 Fully Configurable Dual-Rail Design
      2. 7.3.2 Supports High Speed Translation
      3. 7.3.3 Ioff Supports Partial-Power-Down Mode Operation
      4. 7.3.4 Bus-Hold Circuitry
      5. 7.3.5 Vcc Isolation Feature
    4. 7.4 Device Functional Modes
  9. Application and Implementation
    1.     Application and Implementation
    2. 8.1 Application Information
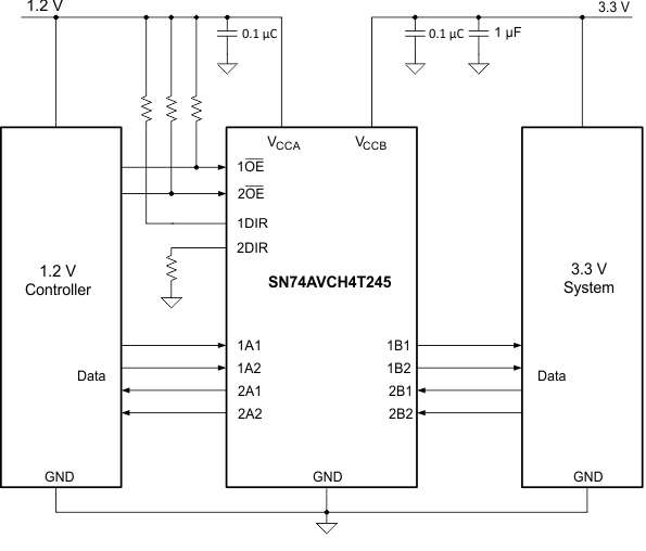
    3. 8.2 Typical Application
      1. 8.2.1 Design Requirements
      2. 8.2.2 Detailed Design Procedure
      3. 8.2.3 Application Curve
    4. 8.3 Power Supply Recommendations
    5. 8.4 Layout
      1. 8.4.1 Layout Guidelines
      2. 8.4.2 Layout Example
  10. Device and Documentation Support
    1. 9.1 Documentation Support
      1. 9.1.1 Related Documentation
    2. 9.2 接收文档更新通知
    3. 9.3 支持资源
    4. 9.4 Trademarks
    5. 9.5 静电放电警告
    6. 9.6 术语表
  11. 10Revision History
  12. 11Mechanical, Packaging, and Orderable Information

封装选项

机械数据 (封装 | 引脚)
散热焊盘机械数据 (封装 | 引脚)
订购信息

Typical Application

SN74AVCH4T245 Typical
                    Application Diagram Figure 8-1 Typical Application Diagram