ZHCSWN6 June   2024 SN74ACT138-Q1

PRODUCTION DATA  

  1.   1
  2. 特性
  3. 应用
  4. 说明
  5. 引脚配置和功能
  6. 规格
    1. 5.1 绝对最大额定值
    2. 5.2 ESD 等级
    3. 5.3 建议运行条件
    4. 5.4 热性能信息
    5. 5.5 电气特性
    6. 5.6 开关特性
    7. 5.7 典型特性
  7. 参数测量信息
  8. 详细说明
    1. 7.1 概述
    2. 7.2 功能方框图
    3. 7.3 特性说明
      1. 7.3.1 平衡 CMOS 推挽式输出
      2. 7.3.2 TTL 兼容型 CMOS 输入
      3. 7.3.3 可润湿侧翼
      4. 7.3.4 钳位二极管结构
    4. 7.4 器件功能模式
  9. 应用和实施
    1. 8.1 应用信息
    2. 8.2 典型应用
      1. 8.2.1 设计要求
        1. 8.2.1.1 电源注意事项
        2. 8.2.1.2 输入注意事项
        3. 8.2.1.3 输出注意事项
      2. 8.2.2 详细设计过程
      3. 8.2.3 应用曲线
    3. 8.3 电源相关建议
    4. 8.4 布局
      1. 8.4.1 布局指南
      2. 8.4.2 布局示例
  10. 器件和文档支持
    1. 9.1 接收文档更新通知
    2. 9.2 支持资源
    3. 9.3 商标
    4. 9.4 静电放电警告
    5. 9.5 术语表
  11. 10修订历史记录
  12. 11机械、封装和可订购信息

封装选项

请参考 PDF 数据表获取器件具体的封装图。

机械数据 (封装 | 引脚)
  • PW|16
  • BQB|16
散热焊盘机械数据 (封装 | 引脚)
订购信息

说明

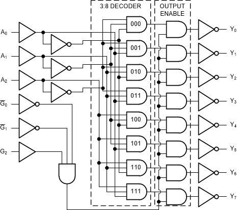
SN74ACT138-Q1 包含一个 3 线至 8 线解码器,具有一个标准输出选通 (G2) 和两个低电平有效的输出选通(G1G0)。当输出受到任何选通输入控制时,这些输出全都强制进入高电平状态。当选通输入未禁用输出时,只有选定输出为低电平,而所有其他输出为高电平。TTL 兼容型 CMOS 输入能够将低至 2V 的输入信号向上转换为 5V 输出信号。

封装信息
器件型号 封装(1) 封装尺寸(2) 本体尺寸(3)
SN74ACT138-Q1 PW(TSSOP,16) 5mm × 6.4mm 5mm × 4.4mm
BQB(WQFN,16) 3.5mm × 2.5mm 3.5mm × 2.5mm
有关更多信息,请参阅节 11
封装尺寸(长 × 宽)为标称值,并包括引脚(如适用)。
本体尺寸(长 × 宽)为标称值,不包括引脚。
SN74ACT138-Q1 逻辑图(正逻辑)逻辑图(正逻辑)