SLLS994B February 2010 – July 2015 SN65HVDA1050A-Q1
PRODUCTION DATA.
Figure 3. Driver Voltage, Current, and Test Definition
Figure 4. Driver VOD Test Circuit

Figure 6. Receiver Voltage and Current Definitions

| INPUT | OUTPUT R |
|||
|---|---|---|---|---|
| VCANH | VCANL | |VID| | ||
| –11.1 V | –12 V | 900 mV | L | VOL |
| 12 V | 11.1 V | 900 mV | L | |
| –6 V | –12 V | 6 V | L | |
| 12 V | 6 V | 6 V | L | |
| –11.5 V | –12 V | 500 mV | H | VOH |
| 12 V | 11.5 V | 500 mV | H | |
| –12 V | –6 V | 6 V | H | |
| 6 V | 12 V | 6 V | H | |
| Open | Open | X | H | |


NOTE:
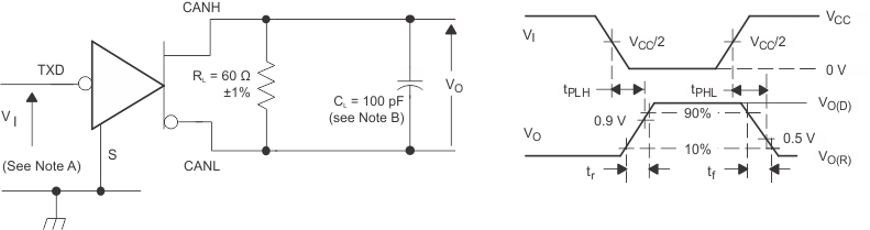
All VI input pulses are from 0 V to VCC and supplied by a generator having the following characteristics: tr or tf ≤ 6 ns, pulse repetition rate (PRR) = 125 kHz, 50% duty cycle.

Figure 12. Driver Short-Circuit Current Test and Waveforms
Figure 13. Equivalent Input and Output Schematic Diagrams