ZHCSRD4I July   2003  – January 2023 SN65HVD1176 , SN75HVD1176

PRODUCTION DATA  

  1. 特性
  2. 应用
  3. 说明
  4. Revision History
  5. Pin Configuration and Functions
    1.     Pin Functions
  6. Specifications
    1. 6.1 Absolute Maximum Ratings
    2. 6.2 ESD Ratings
    3. 6.3 Recommended Operating Conditions
    4. 6.4 Thermal Information
    5. 6.5 Electrical Characteristics
    6. 6.6 Supply Current
    7. 6.7 Power Dissipation
    8. 6.8 Switching Characteristics
    9. 6.9 Typical Characteristics
      1.      Parameter Measurement Information
  7. Detailed Description
    1. 7.1 Overview
    2. 7.2 Functional Block Diagram
    3. 7.3 Feature Description
    4. 7.4 Device Functional Modes
  8. Application and Implementation
    1. 8.1 Application Information
    2. 8.2 Typical Application
      1. 8.2.1 Design Requirements
        1. 8.2.1.1 Data Rate and Bus Length
        2. 8.2.1.2 Stub Length
        3. 8.2.1.3 Bus Loading
        4. 8.2.1.4 Receiver Failsafe
      2. 8.2.2 Detailed Design Procedure
      3. 8.2.3 Application Curve
  9. Power Supply Recommendations
  10. 10Layout
    1. 10.1 Layout Guidelines
    2. 10.2 Layout Example
  11. 11Device and Documentation Support
    1. 11.1 第三方产品免责声明
    2. 11.2 Documentation Support
    3. 11.3 Related Links
    4. 11.4 支持资源
    5. 11.5 Trademarks
    6. 11.6 静电放电警告
    7. 11.7 术语表
  12. 12Mechanical, Packaging, and Orderable Information

封装选项

机械数据 (封装 | 引脚)
散热焊盘机械数据 (封装 | 引脚)
订购信息

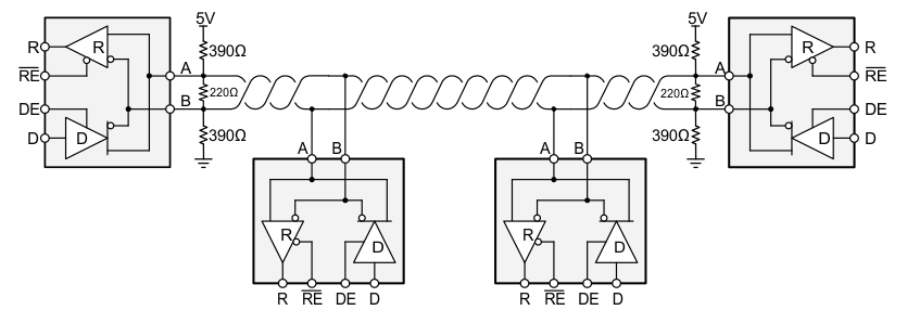
Typical Application

An RS-485 bus consists of multiple transceivers connecting in parallel to a bus cable. To eliminate line reflections, each cable end is terminated with a termination resistor RT) whose value matches the characteristic impedance (Z0) of the cable. This method, known as parallel termination, allows for higher data rates over longer cable length.

GUID-F29337F8-148B-4725-82C3-7CABD54A8924-low.gif Figure 8-2 Typical RS-485 Network With Half-Duplex Transceivers

The PROFIBUS standard extends RS-485 by specifying the value of the termination resistor, the characteristic impedance of the bus cable, and the value of fail-safe termination at both ends of the bus.

PROFIBUS requires that 220-Ω termination resistors be placed at both ends of the bus, the bus cable impedance be between 135 Ω and 165 Ω, and that 390-Ω fail-safe resistors be placed on both the A and B lines at both ends of the bus.

GUID-623D9A1B-385E-484D-A1BA-6CE8B4A29C0A-low.gifFigure 8-3 Typical PROFIBUS network