ZHCS213D June   2011  – August 2020 OPA171-Q1 , OPA2171-Q1 , OPA4171-Q1

PRODUCTION DATA  

  1.   1
  2. 特性
  3. 应用
  4. 说明
  5. 修订历史记录
  6. 引脚配置和功能
    1.     引脚功能:OPA171-Q1 和 OPA2171-Q1
    2.     引脚功能:OPA4171-Q1
  7. 规格
    1. 6.1 绝对最大额定值
    2. 6.2 ESD 等级
    3. 6.3 建议运行条件
    4. 6.4 热性能信息 - OPA171-Q1 和 OPA2171-Q1
    5. 6.5 热性能信息 — OPA4171-Q1
    6. 6.6 电气特性
    7. 6.7 典型特性
      1. 6.7.1 典型特性
  8. 详细说明
    1. 7.1 概述
    2. 7.2 功能方框图
    3. 7.3 特性说明
      1. 7.3.1 工作特性
      2. 7.3.2 相位反转保护
      3. 7.3.3 容性负载和稳定性
    4. 7.4 器件功能模式
      1. 7.4.1 共模电压范围
  9. 应用和实施
    1. 8.1 应用信息
      1. 8.1.1 电气过载
    2. 8.2 典型应用
      1. 8.2.1 采用隔离电阻器的容性负载驱动解决方案
        1. 8.2.1.1 设计要求
        2. 8.2.1.2 详细设计过程
        3. 8.2.1.3 应用曲线
  10. 电源相关建议
  11. 10布局
    1. 10.1 布局指南
    2. 10.2 布局示例
  12. 11器件和文档支持
    1. 11.1 文档支持
      1. 11.1.1 相关文档
    2. 11.2 相关链接
    3. 11.3 接收文档更新通知
    4. 11.4 支持资源
    5. 11.5 商标
    6. 11.6 静电放电警告
    7. 11.7 术语表
  13. 12机械、封装和可订购信息

封装选项

机械数据 (封装 | 引脚)
散热焊盘机械数据 (封装 | 引脚)
订购信息

典型特性

OPA171-Q1 OPA2171-Q1 OPA4171-Q1 失调电压产生分布
图 6-1 失调电压产生分布
OPA171-Q1 OPA2171-Q1 OPA4171-Q1 失调电压与温度间的关系
图 6-3 失调电压与温度间的关系
OPA171-Q1 OPA2171-Q1 OPA4171-Q1 失调电压与共模电压间的关系:VSUPPLY (V) = ±18V(前级)
图 6-5 失调电压与共模电压间的关系:VSUPPLY (V) = ±18V
(前级)
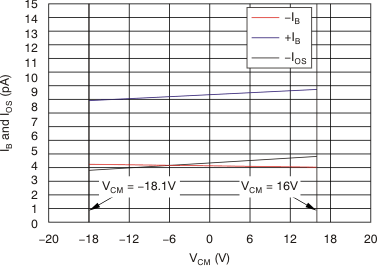
OPA171-Q1 OPA2171-Q1 OPA4171-Q1 IB 和 IOS 与共模电压间的关系
图 6-7 IB 和 IOS 与共模电压间的关系
OPA171-Q1 OPA2171-Q1 OPA4171-Q1 输出电压摆幅与输出电流间的关系(最大电源电压)
图 6-9 输出电压摆幅与输出电流间的关系(最大电源电压)
OPA171-Q1 OPA2171-Q1 OPA4171-Q1 CMRR 与温度间的关系
图 6-11 CMRR 与温度间的关系
OPA171-Q1 OPA2171-Q1 OPA4171-Q1 0.1Hz 至 10Hz 噪声
图 6-13 0.1Hz 至 10Hz 噪声
OPA171-Q1 OPA2171-Q1 OPA4171-Q1 THD+N 比与频率间的关系
图 6-15 THD+N 比与频率间的关系
OPA171-Q1 OPA2171-Q1 OPA4171-Q1 静态电流与温度间的关系
图 6-17 静态电流与温度间的关系
OPA171-Q1 OPA2171-Q1 OPA4171-Q1 开环增益和相位与频率间的关系
图 6-19 开环增益和相位与频率间的关系
OPA171-Q1 OPA2171-Q1 OPA4171-Q1 开环增益与温度间的关系
图 6-21 开环增益与温度间的关系
OPA171-Q1 OPA2171-Q1 OPA4171-Q1 小信号过冲与容性负载间的关系(100mV 输出阶跃)
图 6-23 小信号过冲与容性负载间的关系
(100mV 输出阶跃)
OPA171-Q1 OPA2171-Q1 OPA4171-Q1 无相位反转
图 6-25 无相位反转
OPA171-Q1 OPA2171-Q1 OPA4171-Q1 负过载恢复
图 6-27 负过载恢复
OPA171-Q1 OPA2171-Q1 OPA4171-Q1 小信号阶跃响应 (100mV)
图 6-29 小信号阶跃响应 (100mV)
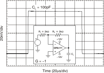
OPA171-Q1 OPA2171-Q1 OPA4171-Q1 大信号阶跃响应
G = -1RL = 10kΩCL = 100pF
图 6-31 大信号阶跃响应
OPA171-Q1 OPA2171-Q1 OPA4171-Q1 大信号建立时间(10V 负阶跃)
G = -1
图 6-33 大信号建立时间(10V 负阶跃)
OPA171-Q1 OPA2171-Q1 OPA4171-Q1 最大输出电压与频率间的关系
图 6-35 最大输出电压与频率间的关系
OPA171-Q1 OPA2171-Q1 OPA4171-Q1 失调电压漂移分配
图 6-2 失调电压漂移分配
OPA171-Q1 OPA2171-Q1 OPA4171-Q1 失调电压与共模电压间的关系:VSUPPLY (V) = ±18V
图 6-4 失调电压与共模电压间的关系:VSUPPLY (V) = ±18V
OPA171-Q1 OPA2171-Q1 OPA4171-Q1 失调电压与电源间的关系
图 6-6 失调电压与电源间的关系
OPA171-Q1 OPA2171-Q1 OPA4171-Q1 输入偏置电流与温度间的关系
图 6-8 输入偏置电流与温度间的关系
OPA171-Q1 OPA2171-Q1 OPA4171-Q1 CMRR 和 PSRR 与频率间的关系(以输入为基准)
图 6-10 CMRR 和 PSRR 与频率间的关系
(以输入为基准)
OPA171-Q1 OPA2171-Q1 OPA4171-Q1 PSRR 与温度间的关系
图 6-12 PSRR 与温度间的关系
OPA171-Q1 OPA2171-Q1 OPA4171-Q1 输入电压噪声频谱密度与频率间的关系
图 6-14 输入电压噪声频谱密度与频率间的关系
OPA171-Q1 OPA2171-Q1 OPA4171-Q1 THD+N 与输出幅度间的关系
图 6-16 THD+N 与输出幅度间的关系
OPA171-Q1 OPA2171-Q1 OPA4171-Q1 静态电流与电源电压间的关系
图 6-18 静态电流与电源电压间的关系
OPA171-Q1 OPA2171-Q1 OPA4171-Q1 闭环增益与频率间的关系
图 6-20 闭环增益与频率间的关系
OPA171-Q1 OPA2171-Q1 OPA4171-Q1 开环输出阻抗与频率间的关系
图 6-22 开环输出阻抗与频率间的关系
OPA171-Q1 OPA2171-Q1 OPA4171-Q1 小信号过冲与容性负载间的关系(100mV 输出阶跃)
图 6-24 小信号过冲与容性负载间的关系
(100mV 输出阶跃)
OPA171-Q1 OPA2171-Q1 OPA4171-Q1 正过载恢复
图 6-26 正过载恢复
OPA171-Q1 OPA2171-Q1 OPA4171-Q1 小信号阶跃响应 (100mV)
图 6-28 小信号阶跃响应 (100mV)
OPA171-Q1 OPA2171-Q1 OPA4171-Q1 大信号阶跃响应
G = 1RL = 10kΩCL = 100pF
图 6-30 大信号阶跃响应
OPA171-Q1 OPA2171-Q1 OPA4171-Q1 大信号建立时间(10V 正阶跃)
G = -1
图 6-32 大信号建立时间(10V 正阶跃)
OPA171-Q1 OPA2171-Q1 OPA4171-Q1 短路电流与温度间的关系
图 6-34 短路电流与温度间的关系
OPA171-Q1 OPA2171-Q1 OPA4171-Q1 通道隔离与频率间的关系
图 6-36 通道隔离与频率间的关系