ZHCS213D June   2011  – August 2020 OPA171-Q1 , OPA2171-Q1 , OPA4171-Q1

PRODUCTION DATA  

  1.   1
  2. 特性
  3. 应用
  4. 说明
  5. 修订历史记录
  6. 引脚配置和功能
    1.     引脚功能:OPA171-Q1 和 OPA2171-Q1
    2.     引脚功能:OPA4171-Q1
  7. 规格
    1. 6.1 绝对最大额定值
    2. 6.2 ESD 等级
    3. 6.3 建议运行条件
    4. 6.4 热性能信息 - OPA171-Q1 和 OPA2171-Q1
    5. 6.5 热性能信息 — OPA4171-Q1
    6. 6.6 电气特性
    7. 6.7 典型特性
      1. 6.7.1 典型特性
  8. 详细说明
    1. 7.1 概述
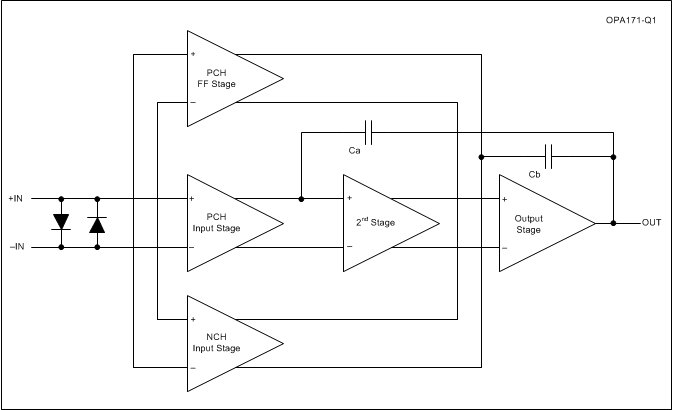
    2. 7.2 功能方框图
    3. 7.3 特性说明
      1. 7.3.1 工作特性
      2. 7.3.2 相位反转保护
      3. 7.3.3 容性负载和稳定性
    4. 7.4 器件功能模式
      1. 7.4.1 共模电压范围
  9. 应用和实施
    1. 8.1 应用信息
      1. 8.1.1 电气过载
    2. 8.2 典型应用
      1. 8.2.1 采用隔离电阻器的容性负载驱动解决方案
        1. 8.2.1.1 设计要求
        2. 8.2.1.2 详细设计过程
        3. 8.2.1.3 应用曲线
  10. 电源相关建议
  11. 10布局
    1. 10.1 布局指南
    2. 10.2 布局示例
  12. 11器件和文档支持
    1. 11.1 文档支持
      1. 11.1.1 相关文档
    2. 11.2 相关链接
    3. 11.3 接收文档更新通知
    4. 11.4 支持资源
    5. 11.5 商标
    6. 11.6 静电放电警告
    7. 11.7 术语表
  13. 12机械、封装和可订购信息

封装选项

机械数据 (封装 | 引脚)
散热焊盘机械数据 (封装 | 引脚)
订购信息

功能方框图

OPA171-Q1 OPA2171-Q1 OPA4171-Q1