ZHCSEE4D December   2015  – August 2021 OPA191 , OPA2191 , OPA4191

PRODUCTION DATA  

  1. 特性
  2. 应用
  3. 说明
  4. 修订历史记录
  5. 引脚配置和功能
  6. 规格
    1. 6.1 绝对最大额定值
    2. 6.2 ESD 额定值
    3. 6.3 建议运行条件
    4. 6.4 热性能信息:OPA191
    5. 6.5 热性能信息:OPA2191
    6. 6.6 热性能信息:OPA4191
    7. 6.7 电气特性:VS = ±4V 至 ±18V(VS = 8V 至 36V)
    8. 6.8 电气特性:VS = ±2.25V 至 ±4V(VS = 4.5V 至 8V)
    9. 6.9 典型特性
  7. 参数测量信息
    1. 7.1 输入偏移电压漂移
  8. 详细说明
    1. 8.1 概述
    2. 8.2 功能方框图
    3. 8.3 特性说明
      1. 8.3.1 输入保护电路
      2. 8.3.2 EMI 抑制
      3. 8.3.3 反相保护
      4. 8.3.4 过热保护
      5. 8.3.5 容性负载和稳定性
      6. 8.3.6 共模电压范围
      7. 8.3.7 电气过载
      8. 8.3.8 过载恢复
    4. 8.4 器件功能模式
  9. 应用和实现
    1. 9.1 应用信息
    2. 9.2 典型应用
      1. 9.2.1 低侧电流测量
        1. 9.2.1.1 设计要求
        2. 9.2.1.2 详细设计流程
        3. 9.2.1.3 应用曲线
      2. 9.2.2 16 位精度多路复用数据采集系统
        1. 9.2.2.1 设计要求
        2. 9.2.2.2 详细设计过程
      3. 9.2.3 输入保护的压摆率限制
  10. 10电源相关建议
  11. 11布局
    1. 11.1 布局指南
    2. 11.2 布局示例
  12. 12器件和文档支持
    1. 12.1 器件支持
      1. 12.1.1 开发支持
        1. 12.1.1.1 TINA-TI™ 仿真软件(免费下载)
        2. 12.1.1.2 TI 精密设计
    2. 12.2 文档支持
      1. 12.2.1 相关文档
    3. 12.3 接收文档更新通知
    4. 12.4 支持资源
    5. 12.5 商标
    6. 12.6 Electrostatic Discharge Caution
    7. 12.7 术语表
  13. 13机械、封装和可订购信息

封装选项

机械数据 (封装 | 引脚)
散热焊盘机械数据 (封装 | 引脚)
订购信息

容性负载和稳定性

OPAx191 具有获得专利的输出级,能够驱动大容性负载,并且在单位增益配置下,可直接驱动高达 1nF 的纯容性负载。增加增益可增强放大器驱动更大电容负载的能力;请参阅图 8-5。在确定放大器是否将稳定运行时,需要考虑一些因素,如特定的运算放大器电路配置、布局、增益和输出负载等。

GUID-2603ADB8-A4B4-4FB2-8EA7-C8AED48597C4-low.gif图 8-5 1nF 纯容性负载下的瞬态响应

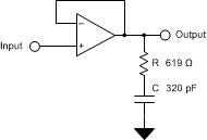
和许多低功耗放大器一样,即使在低于 100pF 的容性负载下也会产生一些振铃。在没有负载或具有超轻直流负载的单位增益配置下,在 OPAx191 输出端设置 RC 缓冲电路可减少轻负载应用产生振铃的可能性。图 8-6 显示了推荐的 RC 缓冲电路。

GUID-A062705E-5057-4849-88ED-3EA7B38C3391-low.gif图 8-6 单位增益下适用于轻负载应用的 RC 缓冲电路

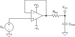
若要增加单位增益配置下的驱动能力,可与输出串联,插入一个小的
(10Ω 至 20Ω)电阻器 RISO,如图 8-7 中所示,以此来提高容性负载驱动能力。此电阻器可显著减少振铃,同时保持纯电容负载的直流性能。然而,如果有一个与电容负载并联的电阻负载,则会生成一个分压器,从而在输出端引入增益误差并略微减小输出摆幅。引入的误差与 RISO / RL 的比率成正比,在低输出电平下通常可忽略不计。高容性负载驱动使 OPA191 非常适合于基准缓冲器、MOSFET 栅极驱动器和电缆屏蔽驱动器等应用。图 8-7 中所示的电路采用 RISO 来稳定运算放大器的输出。RISO 修改了系统的开环增益,因而能够带来更高的相位裕度。表 8-2 中总结了使用 OPA191 的结果。有关使用此电路进行优化和设计的技巧的其他信息,TI 精密设计 TIPD128 - 采用隔离电阻器且经验证的容性负载驱动参考设计详述了完整的设计目标、模拟和测试结果。

GUID-C67D8012-6F61-43A4-830D-4A934B8558F9-low.gif图 8-7 使用 OPA191 扩展容性负载驱动
表 8-2 使用隔离电阻器的 OPA191 容性负载驱动解决方案的计算及测量结果比较
参数
容性负载100pF1000pF0.01µF0.1µF1µF
相位裕量45°45°60°45°60°45°60°45°60°
RISO (Ω)2801134326821017.853.63.610
测量的过冲 (%)23238238238238