ZHCSOD9E October   2005  – December 2024 MAX3221E

PRODUCTION DATA  

  1.   1
  2. 特性
  3. 应用
  4. 说明
  5. 引脚配置和功能
  6. 规格
    1. 5.1  绝对最大额定值
    2. 5.2  ESD 等级
    3. 5.3  ESD 等级 - IEC 规格
    4. 5.4  建议运行条件
    5. 5.5  热性能信息
    6. 5.6  电气特性
    7. 5.7  电气特性:驱动器
    8. 5.8  电气特性:接收器
    9. 5.9  电气特性:自动断电
    10. 5.10 开关特性:驱动器
    11. 5.11 开关特性:接收器
    12. 5.12 开关特性:自动断电
    13. 5.13 典型特性
  7. 参数测量信息
  8. 详细说明
    1. 7.1 概述
    2. 7.2 功能方框图
    3. 7.3 特性说明
      1. 7.3.1 电源
      2. 7.3.2 RS-232 驱动程序
      3. 7.3.3 RS-232 接收器
      4. 7.3.4 RS-232 状态
    4. 7.4 器件功能模式
  9. 应用和实施
    1. 8.1 应用信息
    2. 8.2 典型应用
      1. 8.2.1 设计要求
      2. 8.2.2 详细设计过程
      3. 8.2.3 应用曲线
    3. 8.3 电源相关建议
    4. 8.4 布局
      1. 8.4.1 布局指南
      2. 8.4.2 布局示例
  10. 器件和文档支持
    1. 9.1 接收文档更新通知
    2. 9.2 支持资源
    3. 9.3 商标
    4. 9.4 静电放电警告
    5. 9.5 术语表
  11. 10修订历史记录
  12. 11机械、封装和可订购信息

封装选项

机械数据 (封装 | 引脚)
散热焊盘机械数据 (封装 | 引脚)
订购信息

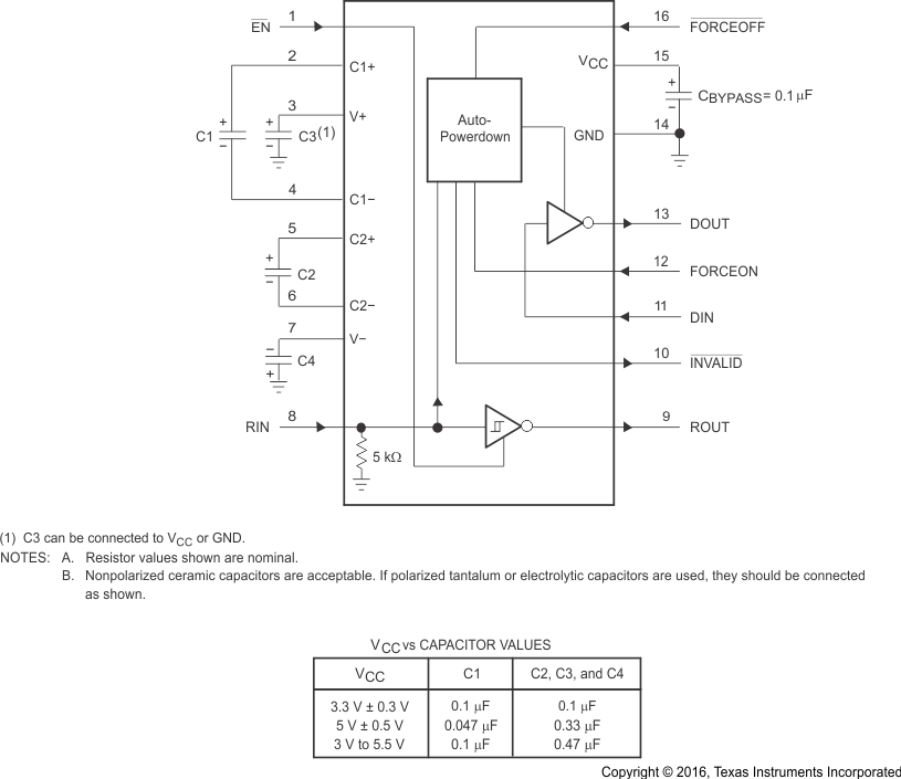
典型应用

ROUT 和 DIN 均连接到 UART 或通用逻辑线路。FORCEON 和 FORCEOFF 可连接通用逻辑线路、接地或连接到 VCCINVALID 可连接到通用逻辑线路或保持未连接状态。RIN 和 DOUT 线路均连接到 RS-232 连接器或电缆。DIN、FORCEON 和 FORCEOFF 输入不得悬空。

MAX3221E 典型工作电路和电容器值图 8-1 典型工作电路和电容器值