ZHCSAZ8K January   2005  – January 2016 LP38691-ADJ , LP38691-ADJ-Q1 , LP38693-ADJ , LP38693-ADJ-Q1

PRODUCTION DATA.  

  1. 特性
  2. 应用范围
  3. 说明
  4. 修订历史记录
  5. Pin Configuration and Functions
  6. Specifications
    1. 6.1 Absolute Maximum Ratings
    2. 6.2 ESD Ratings: LP38691-ADJ, LP38693-ADJ
    3. 6.3 ESD Ratings: LP38691-ADJ-Q1, LP38693-ADJ-Q1
    4. 6.4 Recommended Operating Conditions
    5. 6.5 Thermal Information
    6. 6.6 Electrical Characteristics
    7. 6.7 Typical Characteristics
  7. Detailed Description
    1. 7.1 Overview
    2. 7.2 Functional Block Diagrams
    3. 7.3 Feature Description
      1. 7.3.1 Enable (EN)
      2. 7.3.2 Thermal Overload Protection (TSD)
      3. 7.3.3 Foldback Current Limiting
    4. 7.4 Device Functional Modes
      1. 7.4.1 Enable (EN)
  8. Application and Implementation
    1. 8.1 Application Information
    2. 8.2 Typical Applications
      1. 8.2.1 Design Requirements
      2. 8.2.2 Detailed Design Procedure
        1. 8.2.2.1  Setting the Output Voltage
        2. 8.2.2.2  External Capacitors
        3. 8.2.2.3  Input Capacitor
        4. 8.2.2.4  Output Capacitor
        5. 8.2.2.5  Capacitor Characteristics
          1. 8.2.2.5.1 Ceramic Capacitors
          2. 8.2.2.5.2 Tantalum Capacitors
        6. 8.2.2.6  RFI/EMI Susceptibility
        7. 8.2.2.7  Output Noise
        8. 8.2.2.8  Power Dissipation
        9. 8.2.2.9  Estimating Junction Temperature
        10. 8.2.2.10 Reverse Voltage
      3. 8.2.3 Application Curve
  9. Power Supply Recommendations
  10. 10Layout
    1. 10.1 Layout Guidelines
    2. 10.2 Layout Examples
    3. 10.3 WSON Mounting
  11. 11器件和文档支持
    1. 11.1 文档支持
      1. 11.1.1 相关文档 
    2. 11.2 相关链接
    3. 11.3 社区资源
    4. 11.4 商标
    5. 11.5 静电放电警告
    6. 11.6 Glossary
  12. 12机械、封装和可订购信息

封装选项

机械数据 (封装 | 引脚)
散热焊盘机械数据 (封装 | 引脚)
订购信息

1 特性

  • 宽输入电压范围:2.7V 至 10V
  • 所有超薄型小外形尺寸无引线封装 (WSON) 选项均作为 AEC-Q100 1 级器件可用
  • 输出电压范围:1.25V 至 9V
  • 2% 调节 (ADJ) 引脚电压精度 (25°C)
  • 低压降电压:500mA 时为 250mV
    (5V 输出典型值)
  • 精密(已调整)带隙基准
  • 可保证 –40°C 至 +125°C 温度范围内的技术规格
  • 1µA 关闭状态静态电流
  • 热过载保护
  • 折返电流限制
  • 接地 (GND) 引脚电流:满载时为 55µA(典型值)
  • 使能 (EN) 引脚 (LP38693-ADJ)

2 应用范围

  • 硬盘驱动器
  • 笔记本电脑
  • 电池供电设备
  • 便携式仪表

3 说明

LP3869x-ADJ 低压降 CMOS 线性稳压器具有精度为 2% 的基准电压和极低压降(在负载电流为 500mA、VOUT = 5V 时为 250mV),并且采用超低等效串联电阻 (ESR) 陶瓷输出电容,可提供出色的交流性能。

此稳压器采用低热阻的 WSON 和 SOT-223 封装,即使在周围温度较高的环境下也可实现满电流运行。

P 型金属氧化物半导体 (PMOS) 功率晶体管的使用意味着无需直流基极驱动电流对其进行偏置,因此无论负载电流、输入电压或者运行温度为何,接地引脚电流均可保持在 100μA 以下。

器件信息(1)

器件型号 封装 封装尺寸(标称值)
LP38691-ADJ WSON (6) 3.00mm × 3.00mm
LP38693-ADJ SOT-223 (5) 6.50mm x 3.56mm
WSON (6) 3.00mm × 3.00mm
  1. 要了解所有可用封装,请见数据表末尾的可订购产品附录。

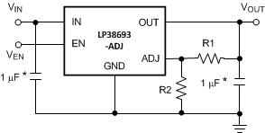
典型应用电路

LP38691-ADJ LP38693-ADJ LP38691-ADJ-Q1 LP38693-ADJ-Q1 20126801.gif
LP38691-ADJ LP38693-ADJ LP38691-ADJ-Q1 LP38693-ADJ-Q1 20126802.gif
VOUT = VADJ × (1 + R1/R2)
* 稳定状态下的最小值