ZHCSRI4B
August 2024 – January 2025
LMR51625
,
LMR51635
PRODUCTION DATA
1
1
特性
2
应用
3
说明
4
器件比较表
5
引脚配置和功能
6
规格
6.1
绝对最大额定值
6.2
ESD 等级
6.3
建议运行条件
6.4
热性能信息
6.5
电气特性
6.6
典型特性
7
详细说明
7.1
概述
7.2
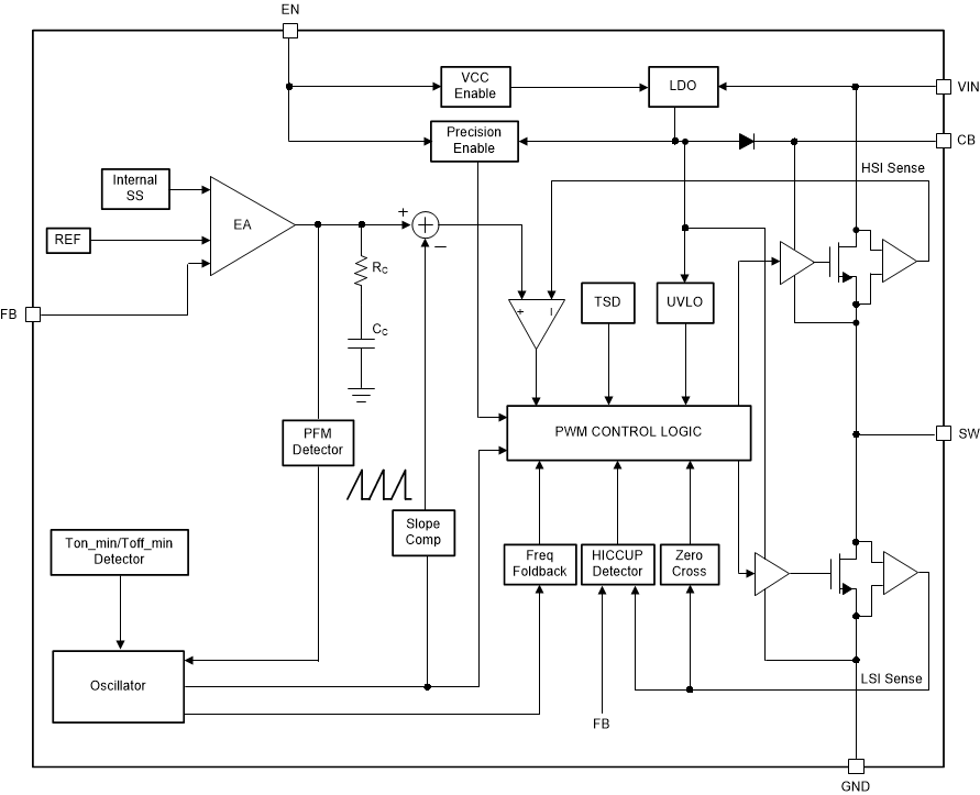
功能方框图
7.3
特性说明
7.3.1
固定频率峰值电流模式控制
7.3.2
可调节输出电压
7.3.3
启用
7.3.4
最短导通时间、最短关断时间和频率折返
7.3.5
自举电压
7.3.6
过流和短路保护
7.3.7
软启动
7.3.8
热关断
7.4
器件功能模式
7.4.1
关断模式
7.4.2
工作模式
7.4.3
CCM 模式
7.4.4
轻负载运行(PFM 版本)
8
应用和实施
8.1
应用信息
8.2
典型应用
8.2.1
设计要求
8.2.2
详细设计过程
8.2.2.1
使用 WEBENCH® 工具创建定制设计方案
8.2.2.2
输出电压设定点
8.2.2.3
开关频率
8.2.2.4
电感器选型
8.2.2.5
输出电容器选型
8.2.2.6
输入电容器选型
8.2.2.7
自举电容器
8.2.2.8
欠压锁定设定点
8.2.3
应用曲线
8.3
电源相关建议
8.4
布局
8.4.1
布局指南
8.4.1.1
专为降低 EMI 设计的紧凑型布局
8.4.1.2
反馈电阻
8.4.2
布局示例
9
器件和文档支持
9.1
器件支持
9.1.1
第三方产品免责声明
9.1.2
开发支持
9.1.2.1
使用 WEBENCH® 工具创建定制设计方案
9.2
文档支持
9.2.1
相关文档
9.3
接收文档更新通知
9.4
支持资源
9.5
商标
9.6
静电放电警告
9.7
术语表
10
修订历史记录
11
机械、封装和可订购信息
封装选项
机械数据 (封装 | 引脚)
DDC|6
MPDS124I
散热焊盘机械数据 (封装 | 引脚)
订购信息
zhcsri4b_oa
zhcsri4b_pm
7.2
功能方框图