ZHCSKF0A October   2019  – June 2022 LMR33610

PRODUCTION DATA  

  1. 特性
  2. 应用
  3. 说明
  4. Revision History
  5. Device Comparison
  6. Pin Configuration and Functions
  7. Specifications
    1. 7.1 Absolute Maximum Ratings
    2. 7.2 ESD Ratings
    3. 7.3 Recommended Operating Conditions
    4. 7.4 Thermal Information
    5. 7.5 Electrical Characteristics
    6. 7.6 Timing Characteristics
    7. 7.7 System Characteristics
    8. 7.8 Typical Characteristics
  8. Detailed Description
    1. 8.1 Overview
    2. 8.2 Functional Block Diagram
    3. 8.3 Feature Description
      1. 8.3.1 Power-Good Flag Output
      2. 8.3.2 Enable and Start-up
      3. 8.3.3 Current Limit and Short Circuit
      4. 8.3.4 Undervoltage Lockout and Thermal Shutdown
    4. 8.4 Device Functional Modes
      1. 8.4.1 Auto Mode
      2. 8.4.2 Dropout
      3. 8.4.3 Minimum Switch On Time
  9. Application and Implementation
    1. 9.1 Application Information
    2. 9.2 Typical Application
      1. 9.2.1 Design Requirements
      2. 9.2.2 Detailed Design Procedure
        1. 9.2.2.1  Custom Design With WEBENCH® Tools
        2. 9.2.2.2  Choosing the Switching Frequency
        3. 9.2.2.3  Setting the Output Voltage
        4. 9.2.2.4  Inductor Selection
        5. 9.2.2.5  Output Capacitor Selection
        6. 9.2.2.6  Input Capacitor Selection
        7. 9.2.2.7  CBOOT
        8. 9.2.2.8  VCC
        9. 9.2.2.9  CFF Selection
        10. 9.2.2.10 External UVLO
        11. 9.2.2.11 Maximum Ambient Temperature
      3. 9.2.3 Application Curves
    3. 9.3 What to Do and What Not to Do
  10. 10Power Supply Recommendations
  11. 11Layout
    1. 11.1 Layout Guidelines
      1. 11.1.1 Ground and Thermal Considerations
    2. 11.2 Layout Example
  12. 12Device and Documentation Support
    1. 12.1 Device Support
      1. 12.1.1 Development Support
        1. 12.1.1.1 Custom Design With WEBENCH® Tools
    2. 12.2 Documentation Support
      1. 12.2.1 Related Documentation
    3. 12.3 Receiving Notification of Documentation Updates
    4. 12.4 Support Resources
    5. 12.5 Trademarks
    6. 12.6 Electrostatic Discharge Caution
    7. 12.7 Glossary
  13. 13Mechanical, Packaging, and Orderable Information

封装选项

机械数据 (封装 | 引脚)
散热焊盘机械数据 (封装 | 引脚)
订购信息

Application Curves

Unless otherwise specified, the following conditions apply: VIN = 12 V, TA = 25°C. Figure 9-20 shows the circuit with the appropriate BOM from Table 9-3.

GUID-8F0D52A0-E2FE-4C66-9522-4C7791B1E4E4-low.gif
VOUT = 5 V 400 kHz DDA Package
Figure 9-6 Efficiency
GUID-EB614FCB-31B5-4094-857B-3D37D97EDB55-low.gif
VOUT = 5 V 1.4 MHz DDA Package
Figure 9-8 Efficiency
GUID-801FC5A8-1D01-4052-9313-8C1200EFFC2E-low.gif
VOUT = 5 V
Figure 9-10 Line and Load Regulation
GUID-D1860B17-E49A-4DCB-B808-AF0AF707A413-low.png
VOUT = 5 VIOUT = 0 ARFBT = 1 MΩ
Figure 9-12 Input Supply Current
GUID-2DABF115-476E-45DF-BF04-1337FAD269B8-low.png
VOUT = 5 VƒSW = 400 kHz
Figure 9-14 Mode Change Thresholds
GUID-754FC3D6-6682-4866-BEA8-0BA7051E29A7-low.gif
VIN = 12 VVOUT = 5 V
tf = tr = 2 µsIOUT = 0 A to 1 A
Figure 9-16 Load Transient
GUID-DE4AE296-13AF-46EE-BEE3-17E37A6636F1-low.gif
VIN = 12 VVOUT = 5 V
tf = tr = 2 µsIOUT = 0.5 A to 1 A
Figure 9-18 Load Transient
GUID-56ED2A0B-1E70-41FF-9C5F-50287BB52535-low.gif
VOUT = 3.3 V 400 kHz DDA Package
Figure 9-7 Efficiency
GUID-162A7661-CC34-420D-960C-2728E862A645-low.gif
VOUT = 3.3 V 1.4 MHz DDA Package
Figure 9-9 Efficiency
GUID-16A1CC6E-AC37-41B4-B824-E7393FC97FD9-low.gif
VOUT = 3.3 V
Figure 9-11 Line and Load Regulation
GUID-D8AFB934-105A-497A-9598-4266421D36B1-low.png
VOUT = 3.3 VIOUT = 0 ARFBT = 1 MΩ
Figure 9-13 Input Supply Current
GUID-8BA29B07-6040-4C0B-8158-BCEC0F7C0019-low.png
VOUT = 3.3 VƒSW = 400 kHz
Figure 9-15 Mode Change Thresholds
GUID-299F5775-66BD-4FFC-9606-9581B313DDD9-low.gif
VIN = 12 VVOUT = 3.3 V
tf = tr = 2 µsIOUT = 0 A to 1 A
Figure 9-17 Load Transient
GUID-03907427-2E74-4DF7-8BCF-544DF849D2E2-low.gif
VIN = 12 VVOUT = 3.3 V
tf = tr = 2 µsIOUT = 0.5 A to 1 A
Figure 9-19 Load Transient
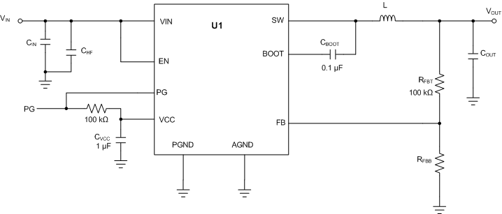
GUID-10219432-3939-46B7-8D90-8CBE0FFA1229-low.gifFigure 9-20 Circuit for Application Curves
Table 9-3 BOM for Typical Application Curves DDA Package
VOUT(1)FrequencyRFBBCOUTCIN + CHFLU1
3.3 V400 kHz43.3 kΩ4 × 22 µF1 × 10 µF + 1 × 220 nF6.8 µH, 14 mΩLMR33610ADDA
3.3 V1400 kHz43.3 kΩ4 × 22 µF1 × 10 µF + 1 × 220 nF2.2 µH, 11.4 mΩLMR33610BDDA
5 V400 kHz24.9 kΩ4 × 22 µF1 × 10 µF + 1 × 220 nF8.2 µH, 14 mΩLMR33610ADDA
5 V1400 kHz24.9 kΩ4 × 22 µF1 × 10 µF + 1 × 220 nF2.2 µH, 11.4 mΩLMR33610BDDA
The values in this table were selected to enhance certain performance criteria and may not represent typical values.