ZHCSF93E December   2015  – August 2020 LMR23630

PRODUCTION DATA  

  1. 特性
  2. 应用
  3. 说明
  4. Revision History
  5. Device Comparison Table
  6. Pin Configuration and Functions
    1.     Pin Functions
  7. Specifications
    1. 7.1 Absolute Maximum Ratings
    2. 7.2 ESD Ratings
    3. 7.3 Recommended Operating Conditions
    4. 7.4 Thermal Information
    5. 7.5 Electrical Characteristics
    6. 7.6 Timing Requirements
    7. 7.7 Switching Characteristics
    8. 7.8 Typical Characteristics
  8. Detailed Description
    1. 8.1 Overview
    2. 8.2 Functional Block Diagram
    3. 8.3 Feature Description
      1. 8.3.1  Fixed Frequency Peak Current Mode Control
      2. 8.3.2  Adjustable Frequency
      3. 8.3.3  Adjustable Output Voltage
      4. 8.3.4  Enable/Sync
      5. 8.3.5  VCC, UVLO
      6. 8.3.6  Minimum ON-time, Minimum OFF-time and Frequency Foldback at Dropout Conditions
      7. 8.3.7  Power Good (PGOOD)
      8. 8.3.8  Internal Compensation and CFF
      9. 8.3.9  Bootstrap Voltage (BOOT)
      10. 8.3.10 Overcurrent and Short-Circuit Protection
      11. 8.3.11 Thermal Shutdown
    4. 8.4 Device Functional Modes
      1. 8.4.1 Shutdown Mode
      2. 8.4.2 Active Mode
      3. 8.4.3 CCM Mode
      4. 8.4.4 Light Load Operation (PFM Version)
      5. 8.4.5 Light Load Operation (FPWM Version)
  9. Application and Implementation
    1. 9.1 Application Information
    2. 9.2 Typical Applications
      1. 9.2.1 Design Requirements
      2. 9.2.2 Detailed Design Procedure
        1. 9.2.2.1  Custom Design With WEBENCH® Tools
        2. 9.2.2.2  Output Voltage Setpoint
        3. 9.2.2.3  Switching Frequency
        4. 9.2.2.4  Inductor Selection
        5. 9.2.2.5  Output Capacitor Selection
        6. 9.2.2.6  Feed-Forward Capacitor
        7. 9.2.2.7  Input Capacitor Selection
        8. 9.2.2.8  Bootstrap Capacitor Selection
        9. 9.2.2.9  VCC Capacitor Selection
        10. 9.2.2.10 Undervoltage Lockout Setpoint
      3. 9.2.3 Application Curves
  10. 10Power Supply Recommendations
  11. 11Layout
    1. 11.1 Layout Guidelines
    2. 11.2 Layout Example
    3. 11.3 Compact Layout for EMI Reduction
    4. 11.4 Ground Plane and Thermal Considerations
    5. 11.5 Feedback Resistors
  12. 12Device and Documentation Support
    1. 12.1 Device Support
      1. 12.1.1 Development Support
        1. 12.1.1.1 Custom Design With WEBENCH® Tools
    2. 12.2 接收文档更新通知
    3. 12.3 支持资源
    4. 12.4 Trademarks
    5. 12.5 静电放电警告
    6. 12.6 术语表
  13. 13Mechanical, Packaging, and Orderable Information

封装选项

请参考 PDF 数据表获取器件具体的封装图。

机械数据 (封装 | 引脚)
  • DRR|12
  • DDA|8
散热焊盘机械数据 (封装 | 引脚)
订购信息

Typical Applications

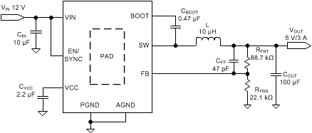
The LMR23630 only requires a few external components to convert from a wide voltage-range supply to a fixed output voltage. Figure 9-1 shows a basic schematic.

GUID-D1717B5C-126C-4A75-91CB-D866D1A272F1-low.gifFigure 9-1 LM23630 Application Circuit

The external components must fulfill the needs of the application, but also the stability criteria of the device control loop. Table 9-1 can be used to simplify the output filter component selection.

Table 9-1 L, COUT, and CFF Typical Values
fSW (kHz)VOUT (V)L (µH) (2)COUT (µF) (3)CFF (pF)RFBT (kΩ)(4)(5)
2003.31530015051
51820010088.7
1233100See(1)243
243347See(1)510
4003.36.81507551
5101004788.7
121568See(1)243
241547See(1)510
10003.33.3683951
54.7472588.7
22003.32.2473351
52.2331888.7
High ESR COUT gives enough phase boost and CFF not needed.
Inductance value is calculated based on VIN = 36 V.
All the COUT values are after derating. Add more when using ceramic capacitors.
RFBT = 0 Ω for VOUT = 1 V. RFBB = 22.1 kΩ for all other VOUT setting.
For designs with RFBT other than recommended value, please adjust CFF such that (CFF × RFBT) is unchanged and adjust RFBB such that (RFBT / RFBB) is unchanged.