ZHCSDH4B February   2015  – December 2024 LMR14050

PRODUCTION DATA  

  1.   1
  2. 特性
  3. 应用
  4. 说明
  5. 引脚配置和功能
  6. 规格
    1. 5.1 绝对最大额定值
    2. 5.2 ESD 等级
    3. 5.3 建议运行条件
    4. 5.4 热性能信息
    5. 5.5 电气特性
    6. 5.6 开关特性
    7. 5.7 典型特性
  7. 详细说明
    1. 6.1 概述
    2. 6.2 功能方框图
    3. 6.3 特性说明
      1. 6.3.1  固定频率峰值电流模式控制
      2. 6.3.2  斜率补偿
      3. 6.3.3  睡眠模式
      4. 6.3.4  低压降操作和自举电压 (BOOT)
      5. 6.3.5  可调节输出电压
      6. 6.3.6  使能和可调欠压锁定
      7. 6.3.7  外部软启动
      8. 6.3.8  开关频率和同步 (RT/SYNC)
      9. 6.3.9  过流和短路保护
      10. 6.3.10 过压保护
      11. 6.3.11 热关断
    4. 6.4 器件功能模式
      1. 6.4.1 关断模式
      2. 6.4.2 工作模式
      3. 6.4.3 CCM 模式
      4. 6.4.4 轻负载运行
  8. 应用和实施
    1. 7.1 应用信息
    2. 7.2 典型应用
      1. 7.2.1 设计要求
      2. 7.2.2 详细设计过程
        1. 7.2.2.1 输出电压设定点
        2. 7.2.2.2 开关频率
        3. 7.2.2.3 输出电感器选型
        4. 7.2.2.4 输出电容器选型
        5. 7.2.2.5 肖特基二极管选型
        6. 7.2.2.6 输入电容器选型
        7. 7.2.2.7 自举电容器选型
        8. 7.2.2.8 软启动电容器选型
      3. 7.2.3 应用曲线
    3. 7.3 电源相关建议
    4. 7.4 布局
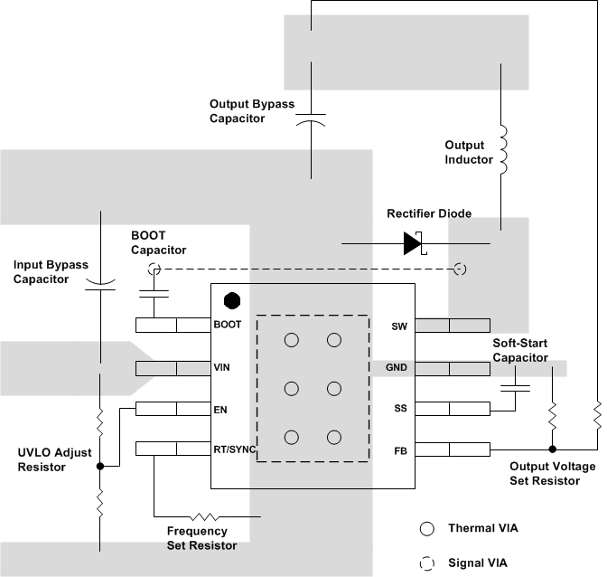
      1. 7.4.1 布局指南
      2. 7.4.2 布局示例
  9. 器件和文档支持
    1. 8.1 接收文档更新通知
    2. 8.2 支持资源
    3. 8.3 商标
    4. 8.4 静电放电警告
    5. 8.5 术语表
  10. 修订历史记录
  11. 10机械、封装和可订购信息

封装选项

机械数据 (封装 | 引脚)
散热焊盘机械数据 (封装 | 引脚)
订购信息

布局示例

LMR14050 布局图 7-10 布局