ZHCSI70N January   2000  – March 2024 LMC555

PRODUCTION DATA  

  1.   1
  2. 特性
  3. 应用
  4. 说明
  5. 引脚配置和功能
  6. 规格
    1. 5.1 绝对最大额定值
    2. 5.2 ESD 等级
    3. 5.3 建议运行条件
    4. 5.4 热性能信息
    5. 5.5 电气特性
    6. 5.6 开关特性
  7. 参数测量信息
  8. 详细说明
    1. 7.1 概述
    2. 7.2 功能方框图
    3. 7.3 特性说明
      1. 7.3.1 低功耗
      2. 7.3.2 多种封装和兼容性
      3. 7.3.3 支持非稳态和单稳两种工作模式
    4. 7.4 器件功能模式
      1. 7.4.1 单稳工作模式
      2. 7.4.2 非稳态工作模式
  9. 应用和实施
    1. 8.1 应用信息
    2. 8.2 典型应用
      1. 8.2.1 单稳模式下的闪烁 LED
        1. 8.2.1.1 设计要求
        2. 8.2.1.2 详细设计过程
        3. 8.2.1.3 应用曲线
      2. 8.2.2 分频器
        1. 8.2.2.1 设计要求
        2. 8.2.2.2 应用曲线
      3. 8.2.3 脉宽调制器
        1. 8.2.3.1 设计要求
        2. 8.2.3.2 应用曲线
      4. 8.2.4 脉冲位置调制器
        1. 8.2.4.1 设计要求
        2. 8.2.4.2 应用曲线
      5. 8.2.5 50% 占空比振荡器
        1. 8.2.5.1 设计要求
    3. 8.3 电源相关建议
    4. 8.4 布局
      1. 8.4.1 布局指南
      2. 8.4.2 布局示例
  10. 器件和文档支持
    1. 9.1 接收文档更新通知
    2. 9.2 支持资源
    3. 9.3 商标
    4. 9.4 静电放电警告
    5. 9.5 术语表
  11. 10修订历史记录
  12. 11机械、封装和可订购信息

封装选项

机械数据 (封装 | 引脚)
散热焊盘机械数据 (封装 | 引脚)
订购信息

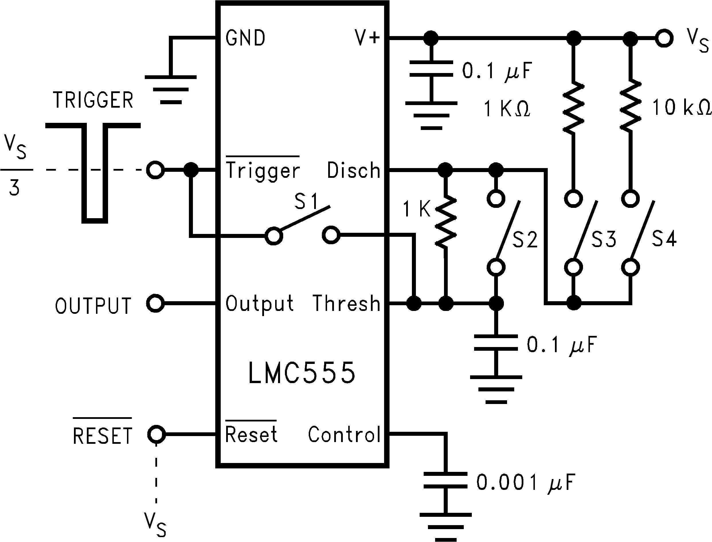
参数测量信息

GUID-07118878-52EA-48F3-A5C7-838995F4B74D-low.png
有关器件引脚排列,请参阅节 4
图 6-1 测试电路
GUID-E9FCA56A-D36D-4C2E-A70B-0C3A33A29F2D-low.png
有关器件引脚排列,请参阅节 4
图 6-2 最大频率测试电路