ZHCSDR4C April   2015  – October 2017 LM43602-Q1

PRODUCTION DATA.  

  1. 特性
  2. 应用
  3. 说明
  4. 修订历史记录
  5. Pin Configuration and Functions
  6. Specifications
    1. 6.1 Absolute Maximum Ratings
    2. 6.2 ESD Ratings
    3. 6.3 Recommended Operating Conditions
    4. 6.4 Thermal Information
    5. 6.5 Electrical Characteristics
    6. 6.6 Timing Requirements
    7. 6.7 Switching Characteristics
    8. 6.8 Typical Characteristics
  7. Detailed Description
    1. 7.1 Overview
    2. 7.2 Functional Block Diagram
    3. 7.3 Feature Description
      1. 7.3.1  Fixed Frequency Peak Current Mode Controlled Step-Down Regulator
      2. 7.3.2  Light Load Operation
      3. 7.3.3  Adjustable Output Voltage
      4. 7.3.4  Enable (EN)
      5. 7.3.5  VCC, UVLO, and BIAS
      6. 7.3.6  Soft Start and Voltage Tracking (SS/TRK)
      7. 7.3.7  Switching Frequency (RT) and Synchronization (SYNC)
      8. 7.3.8  Minimum ON Time, Minimum OFF Time and Frequency Foldback at Dropout Conditions
      9. 7.3.9  Internal Compensation and CFF
      10. 7.3.10 Bootstrap Voltage (BOOT)
      11. 7.3.11 Power Good (PGOOD)
      12. 7.3.12 Overcurrent and Short Circuit Protection
      13. 7.3.13 Thermal Shutdown
    4. 7.4 Device Functional Modes
      1. 7.4.1 Shutdown Mode
      2. 7.4.2 Standby Mode
      3. 7.4.3 Active Mode
      4. 7.4.4 CCM Mode
      5. 7.4.5 Light Load Operation
      6. 7.4.6 Self-Bias Mode
  8. Applications and Implementation
    1. 8.1 Application Information
    2. 8.2 Typical Applications
      1. 8.2.1 Design Requirements
      2. 8.2.2 Detailed Design Procedure
        1. 8.2.2.1  Custom Design With WEBENCH® Tools
        2. 8.2.2.2  Output Voltage Set-Point
        3. 8.2.2.3  Switching Frequency
        4. 8.2.2.4  Input Capacitors
        5. 8.2.2.5  Inductor Selection
        6. 8.2.2.6  Output Capacitor Selection
        7. 8.2.2.7  Feed-Forward Capacitor
        8. 8.2.2.8  Bootstrap Capacitors
        9. 8.2.2.9  VCC Capacitor
        10. 8.2.2.10 BIAS Capacitors
        11. 8.2.2.11 Soft-Start Capacitors
        12. 8.2.2.12 Undervoltage Lockout Setpoint
        13. 8.2.2.13 PGOOD
      3. 8.2.3 Application Performance Curves
  9. Power Supply Recommendations
  10. 10Layout
    1. 10.1 Layout Guidelines
      1. 10.1.1 Compact Layout for EMI Reduction
      2. 10.1.2 Ground Plane and Thermal Considerations
      3. 10.1.3 Feedback Resistors
    2. 10.2 Layout Example
  11. 11器件和文档支持
    1. 11.1 器件支持
      1. 11.1.1 Third-Party Products Disclaimer
    2. 11.2 开发支持
      1. 11.2.1 使用 WEBENCH® 工具创建定制设计
    3. 11.3 接收文档更新通知
    4. 11.4 社区资源
    5. 11.5 商标
    6. 11.6 静电放电警告
    7. 11.7 Glossary
  12. 12机械、封装和可订购信息

封装选项

机械数据 (封装 | 引脚)
散热焊盘机械数据 (封装 | 引脚)
订购信息

特性

  • 符合汽车应用要求 认证
  • 具有符合 AEC-Q100 标准的下列结果:
    • 器件温度等级 2:环境工作温度范围为 –40°C 至 +125°C
  • 稳压静态电流 27µA
  • 可在轻负载条件下实现高效率(DCM 和 PFM)
  • 符合 EN55022/CISPR 22 电磁干扰 (EMI) 标准
  • 集成同步整流
  • 可调频率范围:200kHz 至 2.2MHz(默认值为 500kHz)
  • 与外部时钟频率同步
  • 内部补偿
  • 几乎可与陶瓷、固态电解、钽和铝质电容器的任一组合一同工作时保持稳定
  • 电源正常状态标志
  • 软启动至预偏置负载
  • 内部软启动:4.1ms
  • 可由外部电容器延长的软启动时间
  • 输出电压跟踪功能
  • 程序系统欠压闭锁 (UVLO) 精确使能
  • 具有断续模式的输出短路保护
  • 过热关断保护
  • 使用 LM43602-Q1 并借助 WEBENCH® 电源设计器创建定制设计

应用

  • AM 以下波段汽车应用
  • 工业用电源
  • 通用宽 VIN 稳压
  • 高效负载点稳压
  • 电信系统

说明

LM43602-Q1稳压器是一款易于使用的同步降压直流/直流转换器,能够驱动高达 2A 的负载电流,输入电压范围为 3.5V 至 36V(最大绝对值 42V)。LM43602-Q1 以极小的解决方案尺寸提供优异的效率、输出精度和压降电压。扩展系列产品能够以引脚到引脚兼容封装提供 0.5A、1A 和 3A 负载电流选项。采用峰值电流模式控制来实现简单控制环路补偿和逐周期电流限制。可选 功能 包括可编程开关频率、同步、电源正常标志、精确使能、内部软启动、可扩展软启动和跟踪,可为各种 应用提供灵活且易于使用的平台应用中对通道损失进行线性补偿。轻载时的断续传导和自动频率调制可提升轻载效率。此系列只需要很少的外部组件,并且引脚排列可实现简单、最优的印刷电路板 (PCB) 布局布线。保护 功能 包括热关断、VCC 欠压锁定、逐周期电流限制和输出短路保护。LM43602-Q1 器件采用 HTSSOP (PWP) 16 引脚引线式封装 (6.6mm x 5.1mm x 1.2mm)。LM43602A-Q1 版本针对 PFM 操作进行优化,推荐用于新设计。该器件与 LM4360x 和 LM4600x 系列引脚到引脚兼容。

器件信息

器件型号 封装 封装尺寸
LM43602-Q1 HTSSOP (16) 6.60mm x 5.10mm
LM43602A-Q1 HTSSOP (16) 6.60mm x 5.10mm

空白

空白

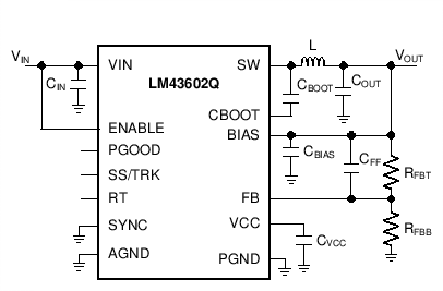
简化原理图

LM43602-Q1 sch_basic01_LM43602Q.png

辐射发射图
12VIN 至 3.3VOUT FS = 500kHz IOUT = 2A

LM43602-Q1 Rad_12VIN3p3V500k2AGr.png