ZHCSIX7I October   1999  – July 2025 LM4041-N , LM4041-N-Q1

PRODUCTION DATA  

  1.   1
  2. 特性
  3. 应用
  4. 说明
  5. 引脚配置和功能
    1.     引脚功能
    2.     引脚功能:ADJ 引脚排列
  6. 规格
    1. 5.1  绝对最大额定值
    2. 5.2  ESD 等级
    3. 5.3  建议运行条件
    4. 5.4  热性能信息
    5. 5.5  LM4041-N LM4041-N-Q1 1.2 电气特性(工业温度范围)
    6. 5.6  LM4041-N LM4041-N-Q1 1.2 电气特性(工业温度范围)
    7. 5.7  LM4041-N LM4041-N-Q1 1.2 电气特性(扩展温度范围)
    8. 5.8  LM4041-N LM4041-N-Q1 ADJ(可调)电气特性(工业温度范围)
    9. 5.9  LM4041-N LM4041-N-Q1 ADJ(可调)电气特性(扩展温度范围)
    10. 5.10 典型特性
  7. 参数测量信息
  8. 详细说明
    1. 7.1 概述
    2. 7.2 功能方框图
    3. 7.3 特性说明
    4. 7.4 器件功能模式
  9. 应用和实施
    1. 8.1 应用信息
    2. 8.2 典型应用
      1. 8.2.1 并联稳压器
        1. 8.2.1.1 设计要求
        2. 8.2.1.2 详细设计过程
        3. 8.2.1.3 应用曲线
      2. 8.2.2 可调节并联稳压器
        1. 8.2.2.1 设计要求
        2. 8.2.2.2 详细设计流程
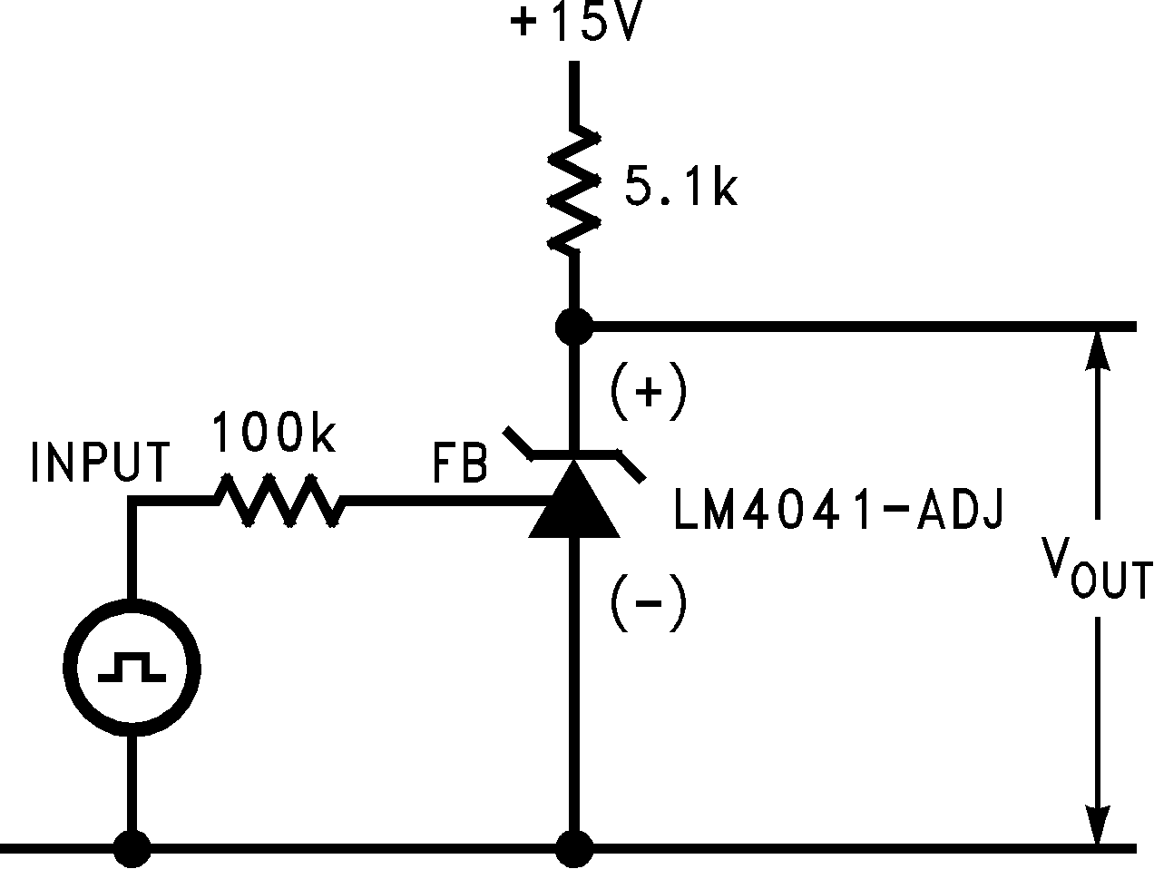
      3. 8.2.3 有界放大器
        1. 8.2.3.1 设计要求
        2. 8.2.3.2 详细设计流程
        3. 8.2.3.3 应用曲线
      4. 8.2.4 电压电平检测器
        1. 8.2.4.1 设计流程
        2. 8.2.4.2 详细设计流程
      5. 8.2.5 精密电流吸收和电流源
        1. 8.2.5.1 设计要求
        2. 8.2.5.2 详细设计过程
      6. 8.2.6 100mA 电流源
        1. 8.2.6.1 设计要求
        2. 8.2.6.2 详细设计过程
      7. 8.2.7 钳位电路中的 LM4041
        1. 8.2.7.1 设计要求
        2. 8.2.7.2 详细设计过程
      8. 8.2.8 浮动电流检测器
        1. 8.2.8.1 设计要求
        2. 8.2.8.2 详细设计过程
    3. 8.3 电源相关建议
    4. 8.4 布局
      1. 8.4.1 布局指南
      2. 8.4.2 布局示例
  10. 器件和文档支持
    1. 9.1 接收文档更新通知
    2. 9.2 支持资源
    3. 9.3 商标
    4. 9.4 静电放电警告
    5. 9.5 术语表
  11. 10修订历史记录
  12. 11机械、封装和可订购信息

封装选项

机械数据 (封装 | 引脚)
散热焊盘机械数据 (封装 | 引脚)
订购信息

参数测量信息

LM4041-N  LM4041-N-Q1 可调输出测试电路图 6-1 可调输出测试电路
LM4041-N  LM4041-N-Q1 线路瞬态测试电路图 6-2 线路瞬态测试电路
LM4041-N  LM4041-N-Q1 启动和关断测试电路图 6-3 启动和关断测试电路