SNIS160E May 1999 – February 2015 LM135 , LM135A , LM235 , LM235A , LM335 , LM335A
PRODUCTION DATA.
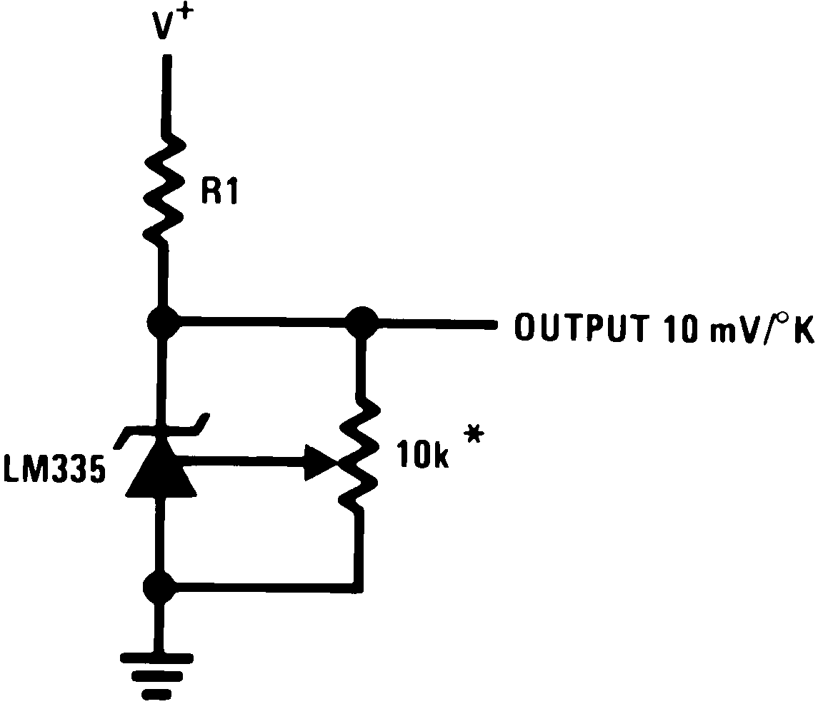
The LM135 series are precision, easily-calibrated, integrated circuit temperature sensors. Operating as a 2-terminal zener, the LM135 has a breakdown voltage directly proportional to absolute temperature at 10 mV/°K. With less than 1-Ω dynamic impedance, the device operates over a current range of 400 μA to 5 mA with virtually no change in performance. When calibrated at 25°C, the LM135 has typically less than 1°C error over a 100°C temperature range. Unlike other sensors, the LM135 has a linear output.
Applications for the LM135 include almost any type of temperature sensing over a −55°C to 150°C temperature range. The low impedance and linear output make interfacing to readout or control circuitry are especially easy.
The LM135 operates over a −55°C to 150°C temperature range while the LM235 operates over a −40°C to 125°C temperature range. The LM335 operates from −40°C to 100°C. The LMx35 devices are available packaged in hermetic TO transistor packages while the LM335 is also available in plastic TO-92 packages.
| PART NUMBER | PACKAGE | BODY SIZE (NOM) |
|---|---|---|
| LM135 | TO-46 (3) | 4.699 mm × 4.699 mm |
| LM135A | ||
| LM235 | TO-92 (3) | 4.30 mm × 4.30 mm |
| LM235A | ||
| LM335 | SOIC (8) | 4.90 mm × 3.91 mm |
| LM335A |

