ZHCSNB5B June   2021  – February 2025 LM25148-Q1

PRODUCTION DATA  

  1.   1
  2. 特性
  3. 应用
  4. 说明
  5. 说明(续)
  6. 可订购器件型号
  7. 引脚配置和功能
    1. 6.1 可润湿侧翼
  8. 规格
    1. 7.1 绝对最大额定值
    2. 7.2 ESD 等级 
    3. 7.3 建议运行条件
    4. 7.4 热性能信息
    5. 7.5 电气特性
    6. 7.6 典型特性
  9. 详细说明
    1. 8.1 概述
    2. 8.2 功能方框图
    3. 8.3 特性说明
      1. 8.3.1  输入电压范围 (VIN)
      2. 8.3.2  高压偏置电源稳压器(VCC、VCCX、VDDA)
      3. 8.3.3  精密使能端 (EN)
      4. 8.3.4  电源正常监视器 (PG)
      5. 8.3.5  开关频率 (RT)
      6. 8.3.6  双随机展频 (DRSS)
      7. 8.3.7  软启动
      8. 8.3.8  输出电压设定值 (FB)
      9. 8.3.9  最短可控导通时间
      10. 8.3.10 误差放大器和 PWM 比较器(FB、EXTCOMP)
      11. 8.3.11 斜率补偿
      12. 8.3.12 电感器电流检测(ISNS+、VOUT)
        1. 8.3.12.1 分流电流检测
        2. 8.3.12.2 电感器 DCR 电流检测
      13. 8.3.13 断续模式电流限制
      14. 8.3.14 高侧和低侧栅极驱动器(HO、LO)
      15. 8.3.15 输出配置 (CNFG)
      16. 8.3.16 单输出双相运行
    4. 8.4 器件功能模式
      1. 8.4.1 睡眠模式
      2. 8.4.2 脉冲频率调制和同步 (PFM/SYNC)
      3. 8.4.3 热关断
  10. 应用和实施
    1. 9.1 应用信息
      1. 9.1.1 动力总成元件
        1. 9.1.1.1 降压电感器
        2. 9.1.1.2 输出电容器
        3. 9.1.1.3 输入电容器
        4. 9.1.1.4 功率 MOSFET
        5. 9.1.1.5 EMI 滤波器
      2. 9.1.2 误差放大器和补偿
    2. 9.2 典型应用
      1. 9.2.1 设计 1 - 高效率 2.1MHz 同步降压稳压器
        1. 9.2.1.1 设计要求
        2. 9.2.1.2 详细设计过程
          1. 9.2.1.2.1 使用 WEBENCH® 工具创建定制设计方案
          2. 9.2.1.2.2 降压电感器
          3. 9.2.1.2.3 电流检测电阻
          4. 9.2.1.2.4 输出电容器
          5. 9.2.1.2.5 输入电容器
          6. 9.2.1.2.6 频率设置电阻器
          7. 9.2.1.2.7 反馈电阻器
          8. 9.2.1.2.8 补偿器件
        3. 9.2.1.3 应用曲线
      2. 9.2.2 设计 2 – 高效 440-kHz 同步降压稳压器
        1. 9.2.2.1 设计要求
        2. 9.2.2.2 详细设计过程
        3. 9.2.2.3 应用曲线
      3. 9.2.3 设计 3 – 双相 400kHz 20A 同步降压稳压器
        1. 9.2.3.1 设计要求
        2. 9.2.3.2 详细设计过程
        3. 9.2.3.3 应用曲线
    3. 9.3 电源相关建议
    4. 9.4 布局
      1. 9.4.1 布局指南
        1. 9.4.1.1 功率级布局
        2. 9.4.1.2 栅极驱动布局
        3. 9.4.1.3 PWM 控制器布局
        4. 9.4.1.4 热设计和布局
        5. 9.4.1.5 接地平面设计
      2. 9.4.2 布局示例
  11. 10器件和文档支持
    1. 10.1 器件支持
      1. 10.1.1 开发支持
        1. 10.1.1.1 使用 WEBENCH® 工具创建定制设计方案
    2. 10.2 文档支持
      1. 10.2.1 相关文档
        1. 10.2.1.1 PCB 布局资源
        2. 10.2.1.2 热设计资源
    3. 10.3 接收文档更新通知
    4. 10.4 支持资源
    5. 10.5 商标
    6. 10.6 静电放电警告
    7. 10.7 术语表
  12. 11修订历史记录
  13. 12机械、封装和可订购信息

封装选项

机械数据 (封装 | 引脚)
散热焊盘机械数据 (封装 | 引脚)
订购信息

布局指南

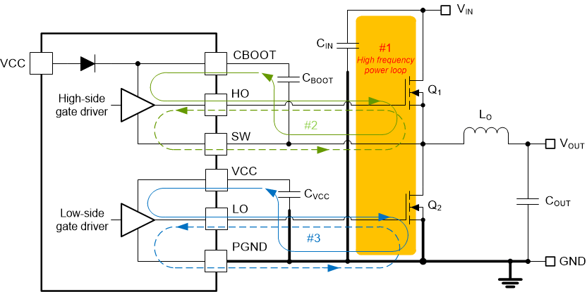
在高电流快速开关电路(具有高电流和电压压摆率)中,适当的 PCB 设计和布局对于实现稳健可靠的设计而言非常重要。正如预期的那样,在设计使用 LM25148-Q1 的 PCB 布局之前,必须考虑一些问题。降压稳压器功率级的高频电源环路由图 9-35 中阴影部分的环路 1 表示。降压稳压器的拓扑结构意味着环路 1 的元件中存在非常高的 di/dt 电流,因此必须尽可能减小有效环路面积,以此来减少此环路的寄生电感。另外,高侧和低侧 MOSFET 的栅极驱动环路(分别由图 9-35 中的 2 和 3 表示)也很重要。

LM25148-Q1 具有功率级和栅极驱动电路开关环路的直流/直流稳压器接地系统图 9-35 具有功率级和栅极驱动电路开关环路的直流/直流稳压器接地系统