ZHCS543M September   2008  – November 2014 LM22674 , LM22674-Q1

PRODUCTION DATA.  

  1. 特性
  2. 应用
  3. 说明
  4. 修订历史记录
  5. Pin Configuration and Functions
  6. Specifications
    1. 6.1 Absolute Maximum Ratings
    2. 6.2 Handling Ratings: LM22674
    3. 6.3 Handling Ratings: LM22674-Q1
    4. 6.4 Recommended Operating Conditions
    5. 6.5 Thermal Information
    6. 6.6 Electrical Characteristics
    7. 6.7 Typical Characteristics
  7. Detailed Description
    1. 7.1 Overview
    2. 7.2 Functional Block Diagram
    3. 7.3 Feature Description
      1. 7.3.1 Precision Enable and UVLO
      2. 7.3.2 Soft-Start
      3. 7.3.3 Boot-Strap Supply
      4. 7.3.4 Internal Compensation
    4. 7.4 Device Functional Modes
      1. 7.4.1 Current Limit
      2. 7.4.2 Thermal Protection
      3. 7.4.3 Duty Cycle Limits
  8. Applications and Implementation
    1. 8.1 Application Information
      1. 8.1.1 Output Voltage Divider Selection
      2. 8.1.2 Power Diode
    2. 8.2 Typical Application
      1. 8.2.1 Typical Buck Regulator Application
        1. 8.2.1.1 Design Requirements
        2. 8.2.1.2 Detailed Design Procedure
          1. 8.2.1.2.1 External Components
          2. 8.2.1.2.2 Inductor
          3. 8.2.1.2.3 Input Capacitor
          4. 8.2.1.2.4 Output Capacitor
          5. 8.2.1.2.5 Boot-Strap Capacitor
        3. 8.2.1.3 Application Curve
  9. Power Supply Recommendations
  10. 10Layout
    1. 10.1 Layout Guidelines
    2. 10.2 Layout Example
    3. 10.3 Thermal Considerations
  11. 11器件和文档支持
    1. 11.1 文档支持
      1. 11.1.1 相关文档 
      2. 11.1.2 相关链接
    2. 11.2 商标
    3. 11.3 静电放电警告
    4. 11.4 术语表
  12. 12机械、封装和可订购信息

封装选项

机械数据 (封装 | 引脚)
散热焊盘机械数据 (封装 | 引脚)
订购信息

1 特性

  • 宽输入电压范围:4.5V 至 42V
  • 内部补偿电压模式控制
  • 在使用低等效串联电阻 (ESR) 陶瓷电容器时保持稳定
  • 200mΩ N 通道金属氧化物半导体场效应晶体管 (MOSFET)
  • 输出电压选项:
    -ADJ(输出电压最低为 1.285V)
    -5.0(输出电压固定为 5V)
  • ±1.5% 反馈基准精度
  • 开关频率为 500kHz
  • -40°C 至 125°C 的工作结温范围
  • 精密使能引脚
  • 集成引导加载二极管
  • 集成软启动
  • 完全 WEBENCH®启用
  • LM22674-Q1 是一款汽车级产品,
    符合 AEC-Q100 1 级标准(运行结温范围为 –40°C 至 +125°C)
  • 小外形尺寸 (SO) PowerPAD(外露垫)

2 应用

  • 工业控制
  • 电信和数据通信系统
  • 嵌入式系统
  • 转换自 24V、12V 和 5V 标准输入电源轨

3 说明

LM22674 开关稳压器使用最少的外部组件来提供执行高效高压降压稳压器所需的全部功能。 这款稳压器易于使用,且集成了一个 42V N 沟道金属氧化物半导体场效应晶体管 (MOSFET) 开关,可提供高达 500mA 的负载电流。 并且特有出色的线路和负载调节以及高效率 (> 90%)。 电压模式控制提供较短的最小接通时间,从而实现了输入和输出电压间的最宽比率。 内部环路补偿意味着用户无需承担计算环路补偿组件的枯燥工作。 这款稳压器提供 5V 固定输出和可调输出电压两种选项。 500kHz 的开关频率使得小型外部组件的使用成为可能并可实现良好的瞬态响应。 精密使能输入可简化稳压器控制和系统电源排序。 在关断模式下,稳压器流耗仅为 25μA(典型值)。 内置软启动功能(典型值 500µs)节省了外部组件。 LM22674 还内置有热关断和限流功能,可防止器件发生意外过载。

LM22674 器件是德州仪器 (TI) 的成员 SIMPLE SWITCHER® 系列产品。 SIMPLE SWITCHER® 概念使用最少量的外部组件件和德州仪器 (TI) WEBENCH® 设计工具提供一套易于使用的完整设计。 为了简化设计,TI 的 WEBENCH® 工具包含诸如外部组件计算、电气模拟、散热模拟以及内置电路板等特性。

器件信息(1)

器件型号 封装 封装尺寸(标称值)
LM22674 HSOP (8) 4.89mm x 3.90mm
LM22674-Q1
  1. 要了解所有可用封装,请见数据表末尾的可订购产品附录。

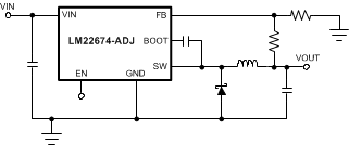
简化应用电路原理图

LM22674 LM22674-Q1 30076901.gif