ZHCSFX1 December   2016 ISO5852S-EP

PRODUCTION DATA.  

  1. 特性
  2. 应用
  3. 说明
  4. 修订历史
  5. 说明 (续)
  6. Pin Configuration and Function
  7. Specifications
    1. 7.1  Absolute Maximum Ratings
    2. 7.2  ESD Ratings
    3. 7.3  Recommended Operating Conditions
    4. 7.4  Thermal Information
    5. 7.5  Power Ratings
    6. 7.6  Insulation Specifications
    7. 7.7  Safety Limiting Values
    8. 7.8  Safety-Related Certifications
    9. 7.9  Electrical Characteristics
    10. 7.10 Switching Characteristics
    11. 7.11 Insulation Characteristics Curves
    12. 7.12 Typical Characteristics
  8. Parameter Measurement Information
  9. Detailed Description
    1. 9.1 Overview
    2. 9.2 Functional Block Diagram
    3. 9.3 Feature Description
      1. 9.3.1 Supply and Active Miller clamp
      2. 9.3.2 Active Output Pulldown
      3. 9.3.3 Undervoltage Lockout (UVLO) With Ready (RDY) Pin Indication Output
      4. 9.3.4 Soft Turnoff, Fault (FLT) and Reset (RST)
      5. 9.3.5 Short Circuit Clamp
    4. 9.4 Device Functional Modes
  10. 10Application and Implementation
    1. 10.1 Application Information
    2. 10.2 Typical Applications
      1. 10.2.1 Design Requirements
      2. 10.2.2 Detailed Design Procedure
        1. 10.2.2.1  Recommended ISO5852S-EP Application Circuit
        2. 10.2.2.2  FLT and RDY Pin Circuitry
        3. 10.2.2.3  Driving the Control Inputs
        4. 10.2.2.4  Local Shutdown and Reset
        5. 10.2.2.5  Global-Shutdown and Reset
        6. 10.2.2.6  Auto-Reset
        7. 10.2.2.7  DESAT Pin Protection
        8. 10.2.2.8  DESAT Diode and DESAT Threshold
        9. 10.2.2.9  Determining the Maximum Available, Dynamic Output Power, POD-max
        10. 10.2.2.10 Example
        11. 10.2.2.11 Higher Output Current Using an External Current Buffer
      3. 10.2.3 Application Curves
  11. 11Power Supply Recommendations
  12. 12Layout
    1. 12.1 Layout Guidelines
    2. 12.2 PCB Material
    3. 12.3 Layout Example
  13. 13器件和文档支持
    1. 13.1 文档支持
      1. 13.1.1 相关文档 
    2. 13.2 接收文档更新通知
    3. 13.3 社区资源
    4. 13.4 商标
    5. 13.5 静电放电警告
    6. 13.6 Glossary
  14. 14机械、封装和可订购信息

封装选项

机械数据 (封装 | 引脚)
散热焊盘机械数据 (封装 | 引脚)
订购信息

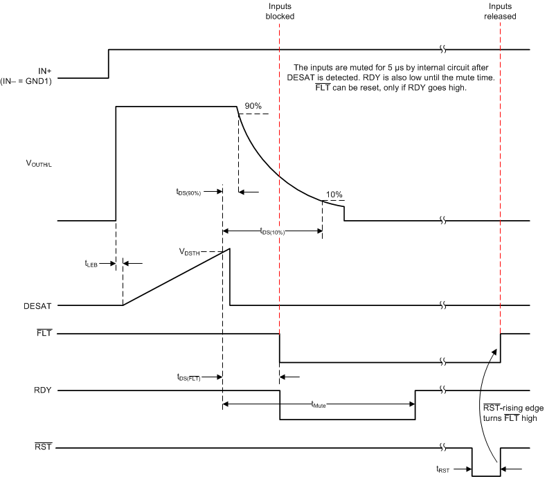
Parameter Measurement Information

ISO5852S-EP Propagation_Delay_NonInverting_Configuration_SLLSEQ0.gif Figure 44. OUTH and OUTL Propagation Delay, Non-Inverting Configuration
ISO5852S-EP Propagation_Delay_Inverting_Configuration_SLLSEQ0.gif Figure 45. OUTH and OUTL Propagation Delay, Inverting Configuration
ISO5852S-EP DESAT_OUT_FLT_RST_Delay_SLLSEQ0.gif Figure 46. DESAT, OUTH/L, FLT, RST Delay
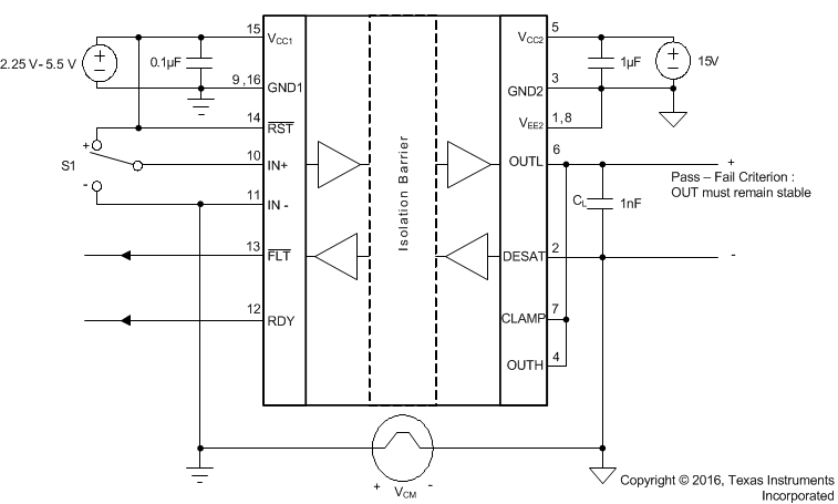
ISO5852S-EP CMTI_test_circuit_SLLSEQ0.gif Figure 47. Common-Mode Transient Immunity Test Circuit