ZHCSEX8B December   2015  – December 2021 INA300-Q1

PRODUCTION DATA  

  1. 特性
  2. 应用
  3. 说明
  4. Revision History
  5. Pin Configuration and Functions
  6. Specifications
    1. 6.1 Absolute Maximum Ratings
    2. 6.2 ESD Ratings
    3. 6.3 Recommended Operating Conditions
    4. 6.4 Thermal Information
    5. 6.5 Electrical Characteristics
    6. 6.6 Timing Requirements
    7. 6.7 Typical Characteristics
  7. Detailed Description
    1. 7.1 Overview
    2. 7.2 Functional Block Diagram
    3. 7.3 Feature Description
      1. 7.3.1 Selecting a Current-Sensing Resistor
        1. 7.3.1.1 Selecting a Current-Sensing Resistor: Example
      2. 7.3.2 Setting The Current-Limit Threshold
        1. 7.3.2.1 Resistor-Controlled Current Limit
        2. 7.3.2.2 Voltage Source-Controlled Current Limit
      3. 7.3.3 Delay Setting
      4. 7.3.4 Alert Timing Response
      5. 7.3.5 Selectable Hysteresis
      6. 7.3.6 Alert Output
      7. 7.3.7 Noise Adjustment Factor (NAF)
    4. 7.4 Device Functional Modes
      1. 7.4.1 Alert Mode
        1. 7.4.1.1 Transparent Output Mode
        2. 7.4.1.2 Latch Output Mode
      2. 7.4.2 Disable Mode
      3. 7.4.3 Input Filtering
      4. 7.4.4 Using the INA300-Q1 INA300-Q1 With Common-Mode Transients Above 36 V
  8. Application and Implementation
    1. 8.1 Application Information
    2. 8.2 Typical Applications
      1. 8.2.1 Unidirectional Operation
        1. 8.2.1.1 Design Requirements
        2. 8.2.1.2 Detailed Design Procedure
        3. 8.2.1.3 Application Curve
      2. 8.2.2 Bidirectional Operation
        1. 8.2.2.1 Design Requirements
        2. 8.2.2.2 Detailed Design Procedure
        3. 8.2.2.3 Application Curve
      3. 8.2.3 Window Comparator
        1. 8.2.3.1 Design Requirements
        2. 8.2.3.2 Detailed Design Procedure
        3. 8.2.3.3 Application Curve
  9. Power Supply Recommendations
  10. 10Layout
    1. 10.1 Layout Guidelines
    2. 10.2 Layout Example
  11. 11Device and Documentation Support
    1. 11.1 Documentation Support
      1. 11.1.1 Related Documentation
    2. 11.2 接收文档更新通知
    3. 11.3 支持资源
    4. 11.4 Trademarks
    5. 11.5 Electrostatic Discharge Caution
    6. 11.6 术语表
  12. 12Mechanical, Packaging, and Orderable Information

封装选项

机械数据 (封装 | 引脚)
散热焊盘机械数据 (封装 | 引脚)
订购信息

说明

INA300-Q1 是一个高共模、电流检测比较器,通过测量电流检测或分流电阻器上形成的电压来测量过电压。此器件可在 0V 至 36V 的共模电压范围内测量该差分电压信号,与电源电压无关。INA300-Q1 器件具有可调阈值范围,此范围由单个外部限值设定电阻器来设置。可选迟滞功能可调节比较器的运行情况,以适应 0mV 至 250mV 的宽输入信号范围。

器件上的开漏警报输出可配置为透明模式(输出状态与输入状态保持一致)或锁存模式(清零锁存时清除报警输出)。器件响应时间设置是可选的,10µs 内即可迅速发出过流警报。

INA300-Q1 器件由 2.7V-5.5V 单电源供电运行,最大电源电流消耗为 135µA。INA300-Q1 器件的额定工作温度范围为 -40°C 至 +125°C,采用 VSSOP-10 封装

器件信息
器件型号封装(1)封装尺寸(标称值)
INA300-Q1VSSOP (10)3.00mm × 3.00mm
如需了解所有可用封装,请参阅数据表末尾的封装选项附录。
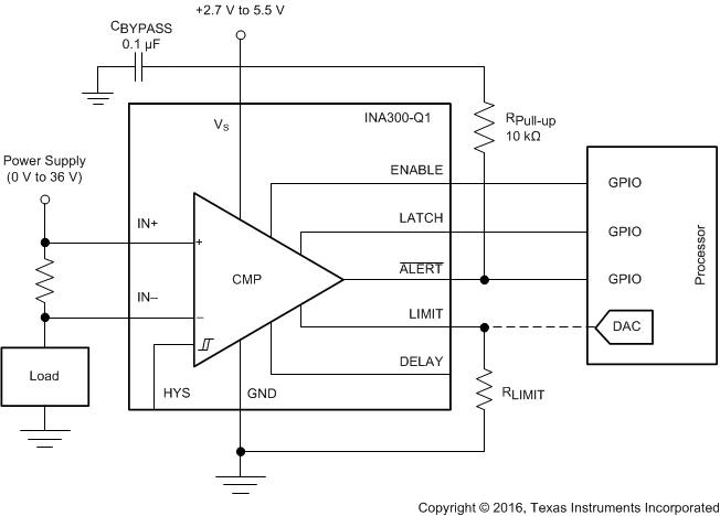
GUID-BB34A7EE-2EC3-4E73-A77A-863EB452AF65-low.gif典型应用原理图