ZHCSE07B July   2015  – September 2024 INA226-Q1

PRODUCTION DATA  

  1.   1
  2. 特性
  3. 应用
  4. 说明
  5. Pin Configuration and Functions
  6. Specifications
    1. 5.1 Absolute Maximum Ratings
    2. 5.2 ESD Ratings
    3. 5.3 Recommended Operating Conditions
    4. 5.4 Thermal Information
    5. 5.5 Electrical Characteristics
    6. 5.6 Typical Characteristics
  7. Detailed Description
    1. 6.1 Overview
    2. 6.2 Functional Block Diagram
    3. 6.3 Feature Description
      1. 6.3.1 Basic ADC Functions
        1. 6.3.1.1 Power Calculation
        2. 6.3.1.2 Alert Pin
    4. 6.4 Device Functional Modes
      1. 6.4.1 Averaging and Conversion Time Considerations
      2. 6.4.2 Filtering and Input Considerations
    5. 6.5 Programming
      1. 6.5.1 Programming the Calibration Register
      2. 6.5.2 Programming the Power Measurement Engine
        1. 6.5.2.1 Calibration Register and Scaling
      3. 6.5.3 Simple Current Shunt Monitor Usage (No Programming Necessary)
      4. 6.5.4 Default Settings
      5. 6.5.5 Bus Overview
        1. 6.5.5.1 Serial Bus Address
        2. 6.5.5.2 Serial Interface
        3. 6.5.5.3 Writing to and Reading From the INA226-Q1
          1. 6.5.5.3.1 High-Speed I2C Mode
        4. 6.5.5.4 SMBus Alert Response
  8. Registers
    1. 7.1 Register Maps
      1. 7.1.1  Configuration Register (00h) (Read/Write)
      2. 7.1.2  Shunt Voltage Register (01h) (Read-Only)
      3. 7.1.3  Bus Voltage Register (02h) (Read-Only) #GUID-792F23A7-1E45-4FB9-9334-0BF769622DE4/SBOS5477597
      4. 7.1.4  Power Register (03h) (Read-Only)
      5. 7.1.5  Current Register (04h) (Read-Only)
      6. 7.1.6  Calibration Register (05h) (Read/Write)
      7. 7.1.7  Mask/Enable Register (06h) (Read/Write)
      8. 7.1.8  Alert Limit Register (07h) (Read/Write)
      9. 7.1.9  Manufacturer ID Register (FEh) (Read-Only)
      10. 7.1.10 Die ID Register (FFh) (Read-Only)
  9. Application and Implementation
    1. 8.1 Application Information
    2. 8.2 Typical Applications
      1. 8.2.1 High-Side Sensing Circuit Application
        1. 8.2.1.1 Design Requirements
        2. 8.2.1.2 Detailed Design Procedure
        3. 8.2.1.3 Application Curves
    3. 8.3 Power Supply Recommendations
    4. 8.4 Layout
      1. 8.4.1 Layout Guidelines
      2. 8.4.2 Layout Example
  10. Device and Documentation Support
    1. 9.1 Device Support
      1. 9.1.1 Development Support
    2. 9.2 接收文档更新通知
    3. 9.3 支持资源
    4. 9.4 Trademarks
    5. 9.5 静电放电警告
    6. 9.6 术语表
  11. 10Revision History
  12. 11Mechanical, Packaging, and Orderable Information

封装选项

机械数据 (封装 | 引脚)
散热焊盘机械数据 (封装 | 引脚)
订购信息

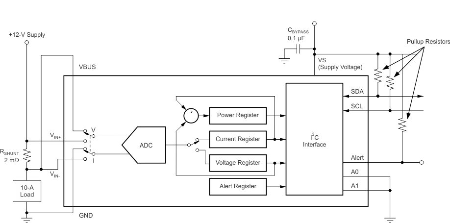
High-Side Sensing Circuit Application

INA226-Q1 Typical Circuit Configuration, INA226-Q1Figure 8-1 Typical Circuit Configuration, INA226-Q1