ZHCSMX4D September   2020  – March 2022 DRV8300

PRODUCTION DATA  

  1. 特性
  2. 应用
  3. 说明
  4. Revision History
  5. Device Comparison Table
  6. Pin Configuration and Functions
  7. Specifications
    1. 7.1 Absolute Maximum Ratings
    2. 7.2 ESD Ratings Comm
    3. 7.3 Recommended Operating Conditions
    4. 7.4 Thermal Information
    5. 7.5 Electrical Characteristics
    6. 7.6 Timing Diagrams
    7. 7.7 Typical Characteristics
  8. Detailed Description
    1. 8.1 Overview
    2. 8.2 Functional Block Diagram
    3. 8.3 Feature Description
      1. 8.3.1 Three BLDC Gate Drivers
        1. 8.3.1.1 Gate Drive Timings
          1. 8.3.1.1.1 Propagation Delay
          2. 8.3.1.1.2 Deadtime and Cross-Conduction Prevention
        2. 8.3.1.2 Mode (Inverting and non inverting INLx)
      2. 8.3.2 Pin Diagrams
      3. 8.3.3 Gate Driver Protective Circuits
        1. 8.3.3.1 VBSTx Undervoltage Lockout (BSTUV)
        2. 8.3.3.2 GVDD Undervoltage Lockout (GVDDUV)
    4. 8.4 Device Functional Modes
  9. Application and Implementation
    1. 9.1 Application Information
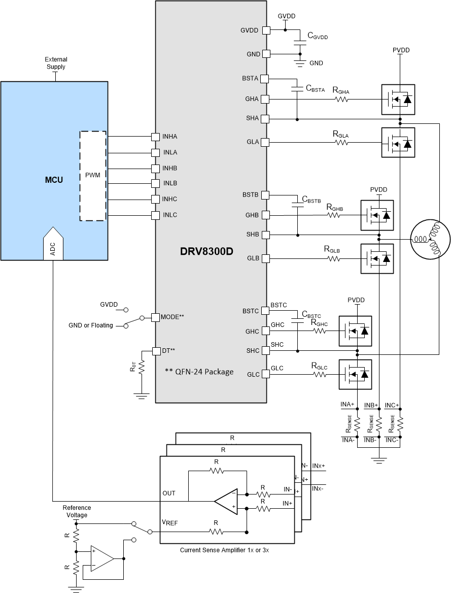
    2. 9.2 Typical Application
      1. 9.2.1 Design Requirements
      2. 9.2.2 Bootstrap Capacitor and GVDD Capacitor Selection
      3. 9.2.3 Application Curves
  10. 10Power Supply Recommendations
  11. 11Layout
    1. 11.1 Layout Guidelines
    2. 11.2 Layout Example
  12. 12Device and Documentation Support
    1. 12.1 接收文档更新通知
    2. 12.2 支持资源
    3. 12.3 Trademarks
    4. 12.4 Electrostatic Discharge Caution
    5. 12.5 术语表
  13. 13Mechanical, Packaging, and Orderable Information

封装选项

机械数据 (封装 | 引脚)
散热焊盘机械数据 (封装 | 引脚)
订购信息

Typical Application

GUID-D671187F-55BE-4422-95A0-CBC3001846B6-low.gifFigure 9-1 Application Schematic