ZHCSES6A February   2016  – March 2016 DRV10970

PRODUCTION DATA.  

  1. 特性
  2. 应用
  3. 说明
  4. 修订历史记录
  5. 说明 (续)
  6. Pin Configuration and Functions
  7. Specifications
    1. 7.1 Absolute Maximum Ratings
    2. 7.2 ESD Ratings
    3. 7.3 Recommended Operating Conditions
    4. 7.4 Thermal Information
    5. 7.5 Electrical Characteristics
    6. 7.6 Typical Characteristics
  8. Detailed Description
    1. 8.1 Overview
    2. 8.2 Functional Block Diagram
    3. 8.3 Feature Description
      1. 8.3.1 Current Limit and OCP
      2. 8.3.2 Thermal Shutdown
      3. 8.3.3 Rotor Lock Detection and Retry
      4. 8.3.4 Supply Undervoltage Condition (UVLO)
      5. 8.3.5 Sleep Mode
    4. 8.4 Device Functional Modes
      1. 8.4.1 Operation in Trapezoidal Mode and Sinusoidal Mode
        1. 8.4.1.1 Trapezoidal Control Mode
        2. 8.4.1.2 Sinusoidal Pulse Wide Modulation (SPWM) Control Mode
      2. 8.4.2 Single Hall Sensor Operation
      3. 8.4.3 Adaptive Drive Angle Adjustment (ADAA) Mode
  9. Application and Implementation
    1. 9.1 Application Information
      1. 9.1.1 Hall Sensor Configuration and Connections
    2. 9.2 Typical Application
      1. 9.2.1 Design Requirements
      2. 9.2.2 Detailed Design Procedure
      3. 9.2.3 Application Curves
  10. 10Power Supply Recommendations
  11. 11Layout
    1. 11.1 Layout Guidelines
    2. 11.2 Layout Example
  12. 12器件和文档支持
    1. 12.1 社区资源
    2. 12.2 商标
    3. 12.3 静电放电警告
    4. 12.4 Glossary
  13. 13机械、封装和可订购信息

封装选项

机械数据 (封装 | 引脚)
散热焊盘机械数据 (封装 | 引脚)
订购信息

8 Detailed Description

8.1 Overview

The DRV10970 device controls three-phase brushless DC motors using a speed command (PWM) and direction (FR) interface and Hall signals from the motor. The device is capable of driving up to 1-A RMS and 1.5-A peak current per phase.

When the DRV10970 powers up, it starts to drive the motor in trapezoidal communication mode based on the Hall sensor information. If all three Hall sensors are connected, commutation logic relies on all three Hall sensors. If only the U phase Hall sensor is connected (V_HP is floating), DRV10970 starts to drive the motor in single Hall sensor mode.

After 6 electrical cycles, the device switches to sinusoidal drive mode if the CMTMOD pin is not floating. If the motor has Hall sensor 0° placement (set on the CMTMOD pin accordingly), the DRV10970 device automatically adjusts the driving angle based on the feedback from the motor; it optimizes the efficiency regardless of the motor parameters and the load conditions.

The adaptive driving angle adjustment function can be disabled by the DAA pin, in which case, fixed driving angle is available for user to optimize the motor drive efficiency.

The steady-state motor speed is commanded by the PWM input duty cycle, which converts to an average output voltage of VM multiplied by the duty cycle. Floating PWM pin is considered as 100% speed command. Motor rotating direction can be controlled by FR input. Rotational direction can be changed while motor is spinning. The device takes tLOCK_EX time before reversing the direction.

The FG output is aligned with U phase Hall sensor signal which indicates the motor speed. And if the motor is locked by external force for tLOCK_EN, RD output will be asserted to indicate the rotor lock condition, and DRV10970 retries after tLOCK_EX period which is determined by the capacitor on the RETRY pin.

When the motor is stopped, either in lock condition or PWM equals zero, the state of the phases is selected by BRKMOD pin; coasting (phases are floating) or braking (phases are pulled down to GND).

DRV10970 enters sleep mode when PWM is driven low for tSLEEP time and motor comes to a standstill (no FG), internal circuits including regulators are turned off and the power consumption is less than IVM_SLEEP.

Overcurrent, current limit, thermal shutdown and undervoltage protection circuits prevent the system components from being damaged during extreme conditions.

8.2 Functional Block Diagram

DRV10970 fbd_LVSCU7.gif

8.3 Feature Description

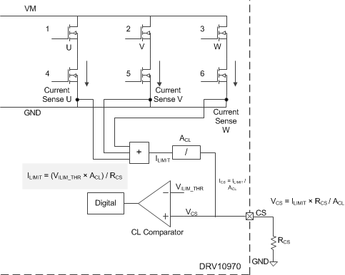
8.3.1 Current Limit and OCP

DRV10970 provides two stages of current control, cycle-by-cycle current limit and OCP.

The current limit function limits the motor phase current during the motor operation: during startup, acceleration, sudden load change, and rotor lock condition while spinning. The application specific threshold is achieved by choosing the value of the external resistor connected to the CS pin. Figure 9 shows the simplified circuitry of the current limit circuit using the CS pin. The voltage generated on the CS pin is proportional to the value of the external resistor, RCS. The external resistor value is chosen based on the current limit to be achieved (see Equation 1).

DRV10970 CS_function.gif Figure 9. Current Limit Function Simplified Circuitry

Current limit threshold is set by Equation 1.

Equation 1. ILIMIT = (VILIM_THR × ACL) / RCS

In trapezoidal operation mode, motor phase current is restricted by means of cycle-by-cycle limit, as shown in Figure 10. If the current limit is triggered, one of the conducting MOSFETs is disabled and the complementary side MOSFET is activated until the beginning of the next PWM cycle. In the example shown in Figure 10, MOSFET 1 and MOSFET 5 are conducting MOSFETs, MOSFET 1 is disabled, and the complementary MOSFET 4 is activated when the current limit is triggered.

DRV10970 CBC_CL.gif Figure 10. Cycle-by-Cycle Current Limit in Trapezoidal Mode

If the current limit is triggered in sinusoidal operation mode, DRV10970 device switches to trapezoidal mode of operation to exercise cycle-by-cycle current limiting. If the current limit condition does not show up for 2 electrical cycles, the device will switch back to sinusoidal mode (shown in Figure 11). The current limit threshold in sinusoidal mode is 1.5 times the current limit value in the trapezoidal mode. The current limit function can be disabled by connecting CS pin to GND.

DRV10970 SIN_CL.gif Figure 11. Current Limit in Sinusoidal Mode

OCP has a fixed threshold IOCP, it can protect the device in catastrophic short-circuit conditions such as phase short to GND, phase short to VM and phase short to another phase. The IOCP limit is similar to the current limit, except that when phase current crosses IOCP threshold (positively or negatively), the device shuts down all the MOSFETs immediately. The device will wait for 2 ms before it starts driving the motor again. If the high current still exists, the device will shut down the MOSFETs and again wait for 2 ms. This process of checking overcurrent will continue until the OC event goes away. The device is capable of handling an OC event continuously for its lifetime. The OC protection feature cannot be disabled.

8.3.2 Thermal Shutdown

If the junction temperature exceeds safe limits, the DRV10970 device places its outputs (U, V, W) in high-impedance mode. After the junction temperature has fallen to a safe level, operation automatically resumes.

8.3.3 Rotor Lock Detection and Retry

A locked rotor condition is detected if the Hall signal stops toggling for tLOCK_EN. The device enters a motor parking state: coasting (if BRKMOD = 0) or braking state (if BRKMOD = 1). In the coasting state, the device places its outputs (U, V, W) in a high-impedance state. In the braking state, it keeps the low-side MOSFETs ON and high-side MOSFETs OFF. The RD pin is asserted to indicate the rotor lock condition. Operation resumes after tLOCK_EX time at the same time RD is deasserted. This process repeats until the locked rotor condition is cleared. RD will be deasserted in sleep mode.

The tLOCK_EX time is determined by the capacitor value connected to the RETRY pin. The accuracy of the capacitor and ground potential difference between the device ground and CRETRY capacitor ground affects the accuracy of the time setting. After the DRV10970 device enters rotor locked state, IRETRY, sourcing current starts to charge the capacitor, CRETRY, until the voltage of the capacitor reaches VRETRY_H, then IRETRY sinking current starts to discharge the capacitor, CRETRY, until the voltage of the capacitor falls below VRETRY_L. This process repeats 128 times which determines the tLOCK_EX, then DRV10970 retry starting the motor.

Equation 2. tLOCK_EX = 15.36 × 106 × CRETRY (in seconds)
DRV10970 sch_tim_lock_rel_LVSCU7.gif Figure 12. Lock Release Timing Circuit
DRV10970 tim_lock_rel_LVSCU7.gif Figure 13. Lock Release Timing Waveform

8.3.4 Supply Undervoltage Condition (UVLO)

When the supply voltage (VM) level falls below the undervoltage lockout threshold voltage (VUVLO-Th-f), the DRV10970 will keep phases (U, V, W) in high-impedance mode. Operation resumes when VM rises above the VUVLO-Th-r threshold.

8.3.5 Sleep Mode

The DRV10970 provides a sleep mode function to save power when the motor is not spinning. The device can be commanded to enter sleep mode by driving logic low on PWM pin for at least tSLEEP_EN seconds. Before entering low-power state, the speed will be ramped down (by brake condition or by coasting) where rotor lock condition is detected. This sequence to bring the motor to a halt condition may take several seconds based on the motor. The device then enters sleep state where reset is asserted and supply is driven to low. Only a small portion of the logic is kept alive to detect the PWM pin high. The device will wake up after PWM goes high (PWM high signal needs to be longer than tSLEEP_EX) and starts to drive the motor again.

DRV10970 SleepMode.gif Figure 14. Sleep Mode Sequence and Timing

The current consumption during sleep mode is less than IVM_SLEEP.

In sleep mode, internal regulator VINT is shut down; if the Hall sensors are powered by VINT, the Hall sensors are also put into power off condition to further save power. The U, V, and W phase outputs are tri-stated, FG and RD pins are de-asserted while in the sleep mode. The device will not be able to perform OCP while in sleep mode.

8.4 Device Functional Modes

8.4.1 Operation in Trapezoidal Mode and Sinusoidal Mode

The DRV10970 device can operate in either trapezoidal mode or sinusoidal mode depending on the setting of CMTMOD pin. Sinusoidal operation mode provides better acoustic performance, which is more suitable for applications like refrigerator fans, HVAC fans, pumps, and other home appliances. Trapezoidal mode provides higher driving torque, which is more suitable for systems with heavy and unpredictable load conditions, such as power tools and actuators.

8.4.1.1 Trapezoidal Control Mode

Trapezoidal control is also called 120° control or 6-step control. In the trapezoidal control mode, the DRV10970 device drives standard six step commutation sequence based on the Hall input states and FR (direction) pin value. Trapezoidal (30° Hall placement) commutation is in accordance with Table 1. The startup scheme of sinusoidal control mode is also based on trapezoidal commutation. Trapezoidal mode does not support single Hall sensor operation; it may cause unpredictable motor operation.

Table 1. Trapezoidal Commutation With 30° Hall Placement

STATE HALL SIGNAL(2) PHASE OUTPUT(3)
FR = 1 FR = 0
U V W U V W U V W
1 1 1 0 High Hi-Z Low Low Hi-Z High
2 1 0 0 High Low Hi-Z Low High Hi-Z
3 1 0 1 Hi-Z Low High Hi-Z High Low
4 0 0 1 Low Hi-Z High High Hi-Z Low
5 0 1 1 Low High Hi-Z High Low Hi-Z
6 0 1 0 Hi-Z High Low Hi-Z Low High
1x(1) 0 0 0 Hi-Z Hi-Z Hi-Z Hi-Z Hi-Z Hi-Z
2x(1) 1 1 1 Hi-Z Hi-Z Hi-Z Hi-Z Hi-Z Hi-Z

Table 2. Trapezoidal Commutation With 0° Hall Placement

(1) State 1x and 2x are invalid states, DRV10970 will output high impedance for all three phases in this condition. Hall sensor placement or connection needs to be changed.
(2) Hall signal XHALL = 1 if the positive input terminal voltage (x_HP) is higher than the negative input terminal voltage (x_HN)
(3) Phase output = Hi-Z which means both the high-side and low-side MOSFETs are turned off.

8.4.1.2 Sinusoidal Pulse Wide Modulation (SPWM) Control Mode

If the sinusoidal operation mode is selected, the device will start the motor with trapezoidal operation (based on the commutation table shown in Table 1) and switch to sinusoidal after 6 electrical cycles. If current limit is triggered during trapezoidal startup, the transition will be delayed until current limit is cleared. If current limit is triggered in sinusoidal operation, the device will switch back to trapezoidal mode and will remain until the current limit event goes away (refer to Current Limit and OCP).

In sinusoidal control mode, the commutation will only rely on phase U Hall sensor input and ignore the phase V and W Hall sensor input.

The DRV10970 provides sinusoidal voltage shaping in the SPWM mode. The device generates 25-kHz PWM outputs on each phase, which have an average value of sinusoidal waveform on phase to phase. If the phase voltage is measured with respect to ground, the waveform is sinusoidal coupled with third-order harmonics. At any time among the three phases, one phase output equals to zero, as shown in Figure 16.

DRV10970 Figure3_LVSCU7.gif Figure 15. PWM Output and the Average Value
DRV10970 Figure4_LVSCU7.gif
LEFT: Sinusoidal voltage from phase to phase.
RIGHT: Sinusoidal voltage with third-order harmonics from phase to GND
Figure 16. Sinusoidal Voltage With Third-Order Harmonics Output

The output amplitude is determined by the VM and the maximum PWM duty cycle among one electrical cycle. If VM is used to control the motor speed, the output maximum PWM duty cycle is 100%. The output amplitude is proportional to the VM amplitude.

DRV10970 Figure5_LVSCU7.gif Figure 17. Adjust VM to Control the Motor Speed

The PWM is used for controlling the motor speed. System calculates the duty cycle of the PWM input as DutyIN, which is converted into sinusoidal PWM output.

The maximum amplitude is when PWM input is 100% and maximum PWM output duty cycle is 100%, the output amplitude will be VM. A lower value such as VM / 2 could be achieved by driving the PWM duty to 50%. When the input duty cycle is less than 10% and greater than 0% DRV10970 keeps the input command at a 10% duty cycle (see Figure 18).

DRV10970 speed_control.gif Figure 18. Duty Cycle Profile
DRV10970 100_50_PWM_input_LVSCU7.gif Figure 19. Adjust PWM Input Duty Cycle to Control the Motor Speed

Note that the speed control PWM input frequency does not reflect to PWM output frequency on the phase outputs. The device supports input PWM frequency in the range of 15 to 100 kHz, the PWM output frequency on the phase is always 25 kHz.

8.4.2 Single Hall Sensor Operation

The DRV10970 device supports single Hall sensor operation to reduce system cost.

If only U phase Hall sensor is connected to the device and V and W phase Hall sensors are not installed in the system, the device automatically drives the motor in single Hall sensor mode. Single Hall sensor operation does not support trapezoidal operation, which may cause unpredictable motor behavior.

In single hall sensor mode, rotor is aligned to a known position for about 700 ms first and then motor is driven with 2-step DC current into the coil, which means instead of 6-step control, the device only outputs 2 steps based on the U phase Hall sensor signal. The direction of driving current is based on the FR input and the commutation mode setting. Table 3 shows the startup logic. For example, if 0° Hall placement is selected (CMTMOD pin equals to High), FR equals to high, and U phase Hall sensor signal is high, DRV10970 will drive U phase PWM and both V and W phase low.

Table 3. Single Hall Startup Commutation Table

HALL PLACEMENT HALL SIGNAL PHASE OUTPUT
FR = 1 FR = 0
U V W U V W
1 PWM LOW LOW LOW PWM PWM
0 LOW PWM PWM PWM LOW LOW
30° 1 PWM LOW Hi-Z LOW PWM Hi-Z
30° 0 LOW PWM Hi-Z PWM LOW Hi-Z
Single Hall Align Hi-Z LOW PWM Hi-Z LOW PWM

Cycle-by-cycle current limit is effective during single Hall sensor startup. After 6 electrical cycles of startup, the device will switch to sinusoidal mode of operation. If current limit is triggered, sinusoidal control will transit back to 2-step drive mode, same as startup sequence. Refer to Current Limit and OCP.

Note that single Hall sensor operation mode may exhibit slight reverse spin of the rotor during startup. The reverse movement will be less than 180 electrical degrees.

The rotor locked condition is detected when no U-phase hall switching for about 700ms. For certain low inertia motors or no load condition, the rotor may continue to vibrate when the rotor is locked which may result in a hall signal switching. This condition is not detected by the device as the hall period may look like a normal motor spinning condition. In this scenario, the device may continue to drive the motor. Lowering the OC limit may help resolve this condition.

8.4.3 Adaptive Drive Angle Adjustment (ADAA) Mode

In sinusoidal mode, the phase voltage vector is driven such that phase current and BEMF voltages are aligned (in-phase) in order to achieve the maximum motor efficiency possible. When Hall sensor is placed at 0°, the BEMF voltage will be in-phase with respective Hall signals. The ADAA logic takes advantage of this fact and aligns the U-phase current to the U-Hall sensor input.

If DAA pin is floating, the DRV10970 device will operate in the ADAA mode, in which case, the device continuously monitors the phase difference between the U-phase current and U-phase Hall signal while adjusting the phase voltage driving angle Δθ (with respect to the U-Hall sensor signal, same as U-BEMF zero crossing) to align the current and Hall signal (shown in Figure 20). ADAA mode is the recommended mode of operation where the motor efficiency is maximized irrespective of motor parameters, load conditions, and motor speeds. ADAA mode is only available in sinusoidal mode and 0° Hall sensor placement. The motors with 30° Hall placement may use the fixed drive angle feature to achieve maximum system efficiency for a given application.

DRV10970 ADAA.gif Figure 20. Adaptive Drive Angle Adjustment

For sinusoidal mode and 0° Hall sensor placement, if DAA pin is connected to GND, voltage driving angle will be fixed at 10°. If DAA pin is connected to VINT, voltage driving angle will be fixed at 5°.

For sinusoidal mode and 30° Hall sensor placement, if DAA is floating, voltage drive angle will be fixed at 0°. DAA pin is connected to GND, voltage driving angle will be fixed at 10°. If the DAA pin is connected to VINT, voltage driving angle will be fixed at 5°.

In trapezoidal operation mode, DAA input is ignored and always control the output based on Table 2.

Table 4 shows the DRV10970 operation modes with DAA and CMT_MOD configurations.

Table 4. DAA and CMT_MOD Configurations

  MODE MOTOR TYPE HALL PLACEMENT DAA = FLOATING DAA = GND DAA = VINT COMMENTS
CMT_MOD = floating Trapezoidal 30° Trapezoidal mode, DAA signal is ignored. The Trapezoidal motor with 0° Hall placement may use 30 degree Hall delay (OTP setting) to achieve optimum driving.
CMT_MOD = GND Sinusoidal ADAA 10° drive angle 5° drive angle BEMF zero crossing and Hall crossing will be in-sync.
CMT_MOD = VINT 30° 0° drive angle 10° drive angle 5° drive angle The drive angle is specified with respect to BEMF zero crossing. When measured with respect to Hall-U signal, add 30°.