ZHCSRS9 December 2024 DLP991U
PRODUCTION DATA
| 符号 | 参数 | 测试条件 | 最小值 | 典型值 | 最大值 | 单位 |
|---|---|---|---|---|---|---|
| LVCMOS | ||||||
| tr | 上升时间(1) | 20% 至 80% 参考点 | 25 | ns | ||
| tf | 下降时间 (1) | 80% 至 20% 参考点 | 25 | ns | ||
| 低速接口 (LSIF) | ||||||
| tr | 上升时间(2) | 20% 至 80% 参考点 | 450 | ps | ||
| tf | 下降时间 (2) | 80% 至 20% 参考点 | 450 | ps | ||
| tsu | 设置时间(3) | LS_CLK 上升沿之前的 LS_WDATA 有效时间(差分) | 1.5 | ns | ||
| th | 保持时间(3) | LS_CLK 上升沿之后的 LS_WDATA 有效时间(差分) | 1.5 | ns | ||
| 高速串行接口 (HSSI) | ||||||
| tr | 上升时间 (4) | 从 -A1 到 A1 的最低眼图高度规格 | 50 | 100 | ps | |
| tf | 下降时间 (4) | 从 A1 到 -A1 的最低眼图高度规格 | 50 | 100 | ps | |



图 5-4 LSIF 时序要求
图 5-5 LSIF 上升/下降时间压摆率
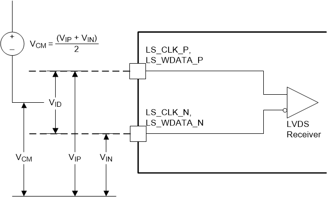
图 5-6 LSIF 电压要求
图 5-7 LSIF 等效输入
图 5-9 LVCMOS 上升/下降时间压摆率


图 5-11 HSSI 眼图特性
图 5-12 HSSI CLK 特性