ZHCSHA8A June   2017  – January 2018 CSD95492QVM

PRODUCTION DATA.  

  1. 1特性
  2. 2应用
  3. 3说明
    1.     典型功率级效率与功率损耗
  4. 4Revision History
  5. 5Pin Configuration and Functions
    1.     Pin Functions
  6. 6Specifications
    1. 6.1 Absolute Maximum Ratings
    2. 6.2 ESD Ratings
    3. 6.3 Recommended Operating Conditions
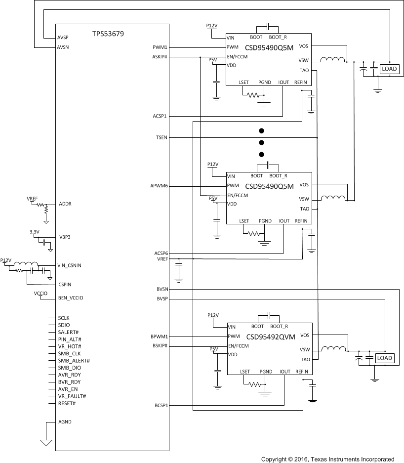
  7. 7Application Schematic
  8. 8器件和文档支持
    1. 8.1 Receiving Notification of Documentation Updates
    2. 8.2 Community Resources
    3. 8.3 商标
    4. 8.4 静电放电警告
    5. 8.5 Glossary
  9. 9机械、封装和可订购信息
    1. 9.1 机械制图
    2. 9.2 推荐 PCB 焊盘图案
    3. 9.3 推荐模版开孔

封装选项

机械数据 (封装 | 引脚)
  • DMH|18
散热焊盘机械数据 (封装 | 引脚)
订购信息

特性

  • 20A 持续工作电流
  • 12A 电流下系统效率超过 94%
  • 工作频率高(高达 1.25MHz)
  • 二极管仿真功能
  • 温度补偿双向电流检测
  • 模拟温度输出
  • 故障监控
  • 3.3V 和 5V 脉宽调制 (PWM) 信号兼容
  • 三态 PWM 输入
  • 集成自举开关
  • 用于击穿保护的经优化死区时间
  • 高密度 4mm × 5mm VSON 封装
  • 超低电感封装
  • 系统已优化的 PCB 封装
  • 符合 RoHS 环保标准 – 无铅引脚镀层
  • 无卤素
  • 应用图表

    CSD95492QVM ApplicationDiagram.gif