ZHCSDT8 May   2015 CDCM6208V1F

PRODUCTION DATA.  

  1. 特性
  2. 应用
  3. 说明
  4. 简化电路原理图
  5. 修订历史记录
  6. Description (continued)
  7. Pin Configuration and Functions
  8. Specifications
    1. 8.1  Absolute Maximum Ratings
    2. 8.2  ESD Ratings
    3. 8.3  Recommended Operating Conditions
    4. 8.4  Thermal Information, Airflow = 0 LFM
    5. 8.5  Thermal Information, Airflow = 150 LFM
    6. 8.6  Thermal Information, Airflow = 250 LFM
    7. 8.7  Thermal Information, Airflow = 500 LFM
    8. 8.8  Single Ended Input Characteristics
    9. 8.9  Single Ended Input Characteristics (PRI_REF, SEC_REF)
    10. 8.10 Differential Input Characteristics (PRI_REF, SEC_REF)
    11. 8.11 Crystal Input Characteristics (SEC_REF)
    12. 8.12 Single Ended Output Characteristics (STATUS1, STATUS0, SDO, SDA)
    13. 8.13 PLL Characteristics
    14. 8.14 LVCMOS Output Characteristics
    15. 8.15 LVPECL (High-Swing CML) Output Characteristics
    16. 8.16 CML Output Characteristics
    17. 8.17 LVDS (Low-Power CML) Output Characteristics
    18. 8.18 HCSL Output Characteristics
    19. 8.19 Output Skew and Sync to Output Propagation Delay Characteristics
    20. 8.20 Device Individual Block Current Consumption
    21. 8.21 Worst Case Current Consumption
    22. 8.22 I2C TIMING
    23. 8.23 SPI Timing Requirements
    24. 8.24 Typical Characteristics
      1. 8.24.1 Fractional Output Divider Jitter Performance
      2. 8.24.2 Power Supply Ripple Rejection (PSRR) versus Ripple Frequency
  9. Parameter Measurement Information
    1. 9.1 Characterization Test Setup
  10. 10Detailed Description
    1. 10.1 Overview
    2. 10.2 Functional Block Diagram
    3. 10.3 Feature Description
    4. 10.4 Device Functional Modes
      1. 10.4.1 Control Pins Definition
      2. 10.4.2 Loop Filter Recommendations for Pin Modes
      3. 10.4.3 Status Pins Definition
      4. 10.4.4 PLL Lock Detect
      5. 10.4.5 Interface and Control
        1. 10.4.5.1 Register File Reference Convention
        2. 10.4.5.2 SPI - Serial Peripheral Interface
          1. 10.4.5.2.1 Configuring the PLL
    5. 10.5 Programming
      1. 10.5.1 Writing to the CDCM6208V1F
      2. 10.5.2 Reading from the CDCM6208V1F
      3. 10.5.3 Block Write/Read Operation
      4. 10.5.4 I2C Serial Interface
    6. 10.6 Register Maps
  11. 11Application and Implementation
    1. 11.1 Application Information
    2. 11.2 Typical Applications
      1. 11.2.1 Design Requirements
        1. 11.2.1.1  Device Block-level Description
        2. 11.2.1.2  Device Configuration Control
        3. 11.2.1.3  Configuring the RESETN Pin
        4. 11.2.1.4  Preventing False Output Frequencies in SPI/I2C Mode at Startup:
        5. 11.2.1.5  Power Down
        6. 11.2.1.6  Device Power Up Timing:
        7. 11.2.1.7  Input Mux and Smart Input Mux
        8. 11.2.1.8  Universal INPUT Buffer (PRI_REF, SEC_REF)
        9. 11.2.1.9  VCO Calibration
        10. 11.2.1.10 Reference Divider (R)
        11. 11.2.1.11 Input Divider (M)
        12. 11.2.1.12 Feedback Divider (N)
        13. 11.2.1.13 Prescaler Dividers (PS_A, PS_B)
        14. 11.2.1.14 Phase Frequency Detector (PFD)
        15. 11.2.1.15 Charge Pump (CP)
        16. 11.2.1.16 Programmable Loop Filter
          1. 11.2.1.16.1 Loop Filter Component Selection
          2. 11.2.1.16.2 Device Output Signaling
          3. 11.2.1.16.3 Integer Output Divider (IO)
          4. 11.2.1.16.4 Fractional Output Divider (FOD)
          5. 11.2.1.16.5 Output Synchronization
          6. 11.2.1.16.6 Output MUX on Y4 and Y5
          7. 11.2.1.16.7 Staggered CLK Output Powerup for Power Sequencing of a DSP
      2. 11.2.2 Detailed Design Procedure
        1. 11.2.2.1 Jitter Considerations in SERDES Systems
        2. 11.2.2.2 Jitter Considerations in ADC and DAC Systems
      3. 11.2.3 Application Performance Plots
        1. 11.2.3.1 Typical Device Jitter
  12. 12Power Supply Recommendations
    1. 12.1 Power Rail Sequencing, Power Supply Ramp Rate, and Mixing Supply Domains
      1. 12.1.1 Fast Power-up Supply Ramp
      2. 12.1.2 Delaying VDD_Yx_Yy to Protect DSP IOs
  13. 13Layout
    1. 13.1 Layout Guidelines
    2. 13.2 Layout Example
      1. 13.2.1 Reference Schematic
  14. 14器件和文档支持
    1. 14.1 商标
    2. 14.2 文档支持
      1. 14.2.1 相关文档
    3. 14.3 静电放电警告
    4. 14.4 Glossary
  15. 15机械、封装和可订购信息

封装选项

机械数据 (封装 | 引脚)
散热焊盘机械数据 (封装 | 引脚)
订购信息

9 Parameter Measurement Information

9.1 Characterization Test Setup

This section describes the characterization test setup of each block in the CDCM6208V1F.

CDCM6208V1F LVCMOS_Output_AC_VOH_VOL_SCAS931.gifFigure 8. LVCMOS Output AC Configuration During Device Test (VOH, VOL, tSLEW)
CDCM6208V1F LVCMOS_Output_DC_SCAS931.gifFigure 9. LVCMOS Output DC Configuration During Device Test
CDCM6208V1F LVCMOS_Output_AC_SCAS931.gifFigure 10. LVCMOS Output AC Configuration During Device Phase Noise Test
CDCM6208V1F LVDS_CML_and_LVPECL_SCAS931.gifFigure 11. LVDS, CML, and LVPECL Output AC Configuration During Device Test
CDCM6208V1F HCSL_Output_DC_SCAS931.gifFigure 12. HCSL Output DC Configuration During Device Test
CDCM6208V1F HCSL_Output_AC_SCAS931.gifFigure 13. HCSL Output AC Configuration During Device Test
CDCM6208V1F LVCMOS_Input_DC_SCAS931.gifFigure 14. LVCMOS Input DC Configuration During Device Test
CDCM6208V1F CML_Input_DC_SCAS931.gifFigure 15. CML Input DC Configuration During Device Test
CDCM6208V1F LVDS_Input_DC_SCAS931.gifFigure 16. LVDS Input DC Configuration During Device Test
CDCM6208V1F LVPECL_Input_DC_SCAS931.gifFigure 17. LVPECL Input DC Configuration During Device Test
CDCM6208V1F Differential_Input_AC_SCAS931.gifFigure 18. Differential Input AC Configuration During Device Test
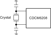
CDCM6208V1F Crystal_Reference_Input_SCAS931.gifFigure 19. Crystal Reference Input Configuration During Device Test
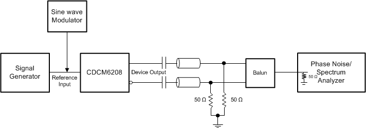
CDCM6208V1F Jitter_transfer_SCAS931.gifFigure 20. Jitter transfer Test Setup
CDCM6208V1F PSNR_test_setup_SCAS931.gifFigure 21. PSNR Test Setup
CDCM6208V1F Differential_Output_Voltage_SCAS931.gifFigure 22. Differential Output Voltage and Rise and Fall Time
CDCM6208V1F Single_ended_Output_Voltage_SCAS931.gifFigure 23. Single Ended Output Voltage and Rise and Fall Time
CDCM6208V1F Differential_and_single_ended_output_SCAS931.gifFigure 24. Differential and Single Ended Output Skew and Propagation Delay