ZHCSW11C November   2024  – September 2025 BQ27Z758

PRODUCTION DATA  

  1.   1
  2. 特性
  3. 应用
  4. 说明
  5. 引脚配置和功能
  6. 规格
    1. 5.1 绝对最大额定值
    2. 5.2 ESD 等级
    3. 5.3 建议运行条件
    4. 5.4 热性能信息
    5. 5.5 电气特性
      1. 5.5.1 电源电流
      2. 5.5.2 常见模拟(LDO、LFO、HFO、REF1、REF2、I-WAKE)
      3. 5.5.3 电池保护(CHG、DSG)
      4. 5.5.4 电池检测输出(BAT_SP、BAT_SN)
      5. 5.5.5 电量监测计测量(ADC、CC、温度)
      6. 5.5.6 闪存存储器
    6. 5.6 数字 I/O:直流特性
    7. 5.7 数字 I/O:计时特点
    8. 5.8 典型特性
  7. 详细说明
    1. 6.1 概述
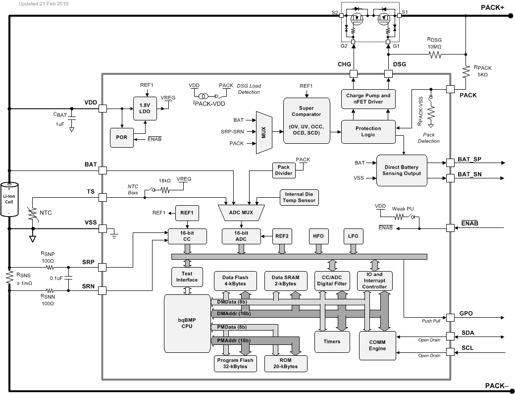
    2. 6.2 功能方框图
    3. 6.3 特性说明
      1. 6.3.1  BQ27Z758 处理器
      2. 6.3.2  电池参数测量
        1. 6.3.2.1 库仑计数器 (CC) 和数字滤波器
        2. 6.3.2.2 ADC 多路复用器
        3. 6.3.2.3 模数转换器 (ADC)
        4. 6.3.2.4 内部温度传感器
        5. 6.3.2.5 外部温度传感器支持
      3. 6.3.3  电源控制
      4. 6.3.4  ENAB 引脚
      5. 6.3.5  总线通信接口
      6. 6.3.6  低频振荡器
      7. 6.3.7  高频振荡器
      8. 6.3.8  1.8V 低压降稳压器
      9. 6.3.9  内部基准电压
      10. 6.3.10 放电过流保护
      11. 6.3.11 充电过流保护
      12. 6.3.12 放电短路电流保护
      13. 6.3.13 主要保护特性
      14. 6.3.14 电池检测
      15. 6.3.15 Gas Gauging
      16. 6.3.16 零伏充电 (ZVCHG)
      17. 6.3.17 充电控制特性
      18. 6.3.18 身份验证
    4. 6.4 器件功能模式
      1. 6.4.1 终身记录特性
      2. 6.4.2 配置
        1. 6.4.2.1 以库仑为单位计
        2. 6.4.2.2 电池电压测量
        3. 6.4.2.3 自动校准
        4. 6.4.2.4 温度测量
  8. 应用和实施
    1. 7.1 应用信息
    2. 7.2 典型应用
      1. 7.2.1 设计要求(默认)
      2. 7.2.2 详细设计过程
        1. 7.2.2.1 更改设计参数
      3. 7.2.3 校准过程
      4. 7.2.4 监测数据更新
        1. 7.2.4.1 应用曲线
      5. 7.2.5 降低 ESD
    3. 7.3 电源要求
    4. 7.4 布局
      1. 7.4.1 布局指南
      2. 7.4.2 布局示例
  9. 器件和文档支持
    1. 8.1 第三方产品免责声明
    2. 8.2 文档支持
      1. 8.2.1 相关文档
    3. 8.3 接收文档更新通知
    4. 8.4 支持资源
    5. 8.5 商标
    6. 8.6 静电放电警告
    7. 8.7 术语表
  10. 修订历史记录
  11. 10机械、可订购和封装信息
    1.     封装选项附录
    2. 10.1 卷带包装信息
    3. 10.2 机械数据

请参考 PDF 数据表获取器件具体的封装图。

机械数据 (封装 | 引脚)
  • YAH|15
散热焊盘机械数据 (封装 | 引脚)

功能方框图

BQ27Z758