ZHCSGD7A May   2017  – May 2018

PRODUCTION DATA.  

  1. 特性
  2. 应用
  3. 说明
    1.     Device Images
      1.      703A I2C
  4. 修订历史记录
  5. 说明 (续)
  6. Pin Configuration and Functions
    1.     Pin Functions
  7. Specifications
    1. 7.1 Absolute Maximum Ratings
    2. 7.2 ESD Ratings
    3. 7.3 Recommended Operating Conditions
    4. 7.4 Thermal Information
    5. 7.5 Electrical Characteristics
    6. 7.6 Timing Requirements
    7. 7.7 Typical Characteristics
  8. Detailed Description
    1. 8.1 Overview
    2. 8.2 Functional Block Diagram
    3. 8.3 Feature Description
      1. 8.3.1 Power-Up from Battery Without DC Source
      2. 8.3.2 Power-Up From DC Source
        1. 8.3.2.1 CHRG_OK Indicator
        2. 8.3.2.2 Input Voltage and Current Limit Setup
        3. 8.3.2.3 Battery Cell Configuration
        4. 8.3.2.4 Device Hi-Z State
      3. 8.3.3 USB On-The-Go (OTG)
      4. 8.3.4 Converter Operation
        1. 8.3.4.1 Inductor Setting through IADPT Pin
        2. 8.3.4.2 Continuous Conduction Mode (CCM)
        3. 8.3.4.3 Pulse Frequency Modulation (PFM)
      5. 8.3.5 Current and Power Monitor
        1. 8.3.5.1 High-Accuracy Current Sense Amplifier (IADPT and IBAT)
        2. 8.3.5.2 High-Accuracy Power Sense Amplifier (PSYS)
      6. 8.3.6 Input Source Dynamic Power Manage
      7. 8.3.7 Two-Level Adapter Current Limit (Peak Power Mode)
      8. 8.3.8 Processor Hot Indication
        1. 8.3.8.1 PROCHOT During Low Power Mode
        2. 8.3.8.2 PROCHOT Status
      9. 8.3.9 Device Protection
        1. 8.3.9.1 Watchdog Timer
        2. 8.3.9.2 Input Overvoltage Protection (ACOV)
        3. 8.3.9.3 Input Overcurrent Protection (ACOC)
        4. 8.3.9.4 System Overvoltage Protection (SYSOVP)
        5. 8.3.9.5 Battery Overvoltage Protection (BATOVP)
        6. 8.3.9.6 Battery Short
        7. 8.3.9.7 Thermal Shutdown (TSHUT)
    4. 8.4 Device Functional Modes
      1. 8.4.1 Forward Mode
        1. 8.4.1.1 System Voltage Regulation with Narrow VDC Architecture
        2. 8.4.1.2 Battery Charging
      2. 8.4.2 USB On-The-Go
    5. 8.5 Programming
      1. 8.5.1 SMBus Interface
        1. 8.5.1.1 SMBus Write-Word and Read-Word Protocols
        2. 8.5.1.2 Timing Diagrams
    6. 8.6 Register Map
      1. 8.6.1  Setting Charge and PROCHOT Options
        1. 8.6.1.1 ChargeOption0 Register (SMBus address = 12h) [reset = E20Eh]
          1. Table 7. ChargeOption0 Register (SMBus address = 12h) Field Descriptions
          2. Table 8. ChargeOption0 Register (SMBus address = 12h) Field Descriptions
        2. 8.6.1.2 ChargeOption1 Register (SMBus address = 30h) [reset = 211h]
          1. Table 9.  ChargeOption1 Register (SMBus address = 30h) Field Descriptions
          2. Table 10. ChargeOption1 Register (SMBus address = 30h) Field Descriptions
        3. 8.6.1.3 ChargeOption2 Register (SMBus address = 31h) [reset = 2B7]
          1. Table 11. ChargeOption2 Register (SMBus address = 31h) Field Descriptions
          2. Table 12. ChargeOption2 Register (SMBus address = 31h) Field Descriptions
        4. 8.6.1.4 ChargeOption3 Register (SMBus address = 32h) [reset = 0h]
          1. Table 13. ChargeOption3 Register (SMBus address = 32h) Field Descriptions
          2. Table 14. ChargeOption3 Register (SMBus address = 32h) Field Descriptions
        5. 8.6.1.5 ProchotOption0 Register (SMBus address = 33h) [reset = 04A54h]
          1. Table 15. ProchotOption0 Register (SMBus address = 33h) Field Descriptions
          2. Table 16. ProchotOption0 Register (SMBus address = 33h) Field Descriptions
        6. 8.6.1.6 ProchotOption1 Register (SMBus address = 34h) [reset = 8120h]
          1. Table 17. ProchotOption1 Register (SMBus address = 34h) Field Descriptions
          2. Table 18. ProchotOption1 Register (SMBus address = 34h) Field Descriptions
        7. 8.6.1.7 ADCOption Register (SMBus address = 35h) [reset = 2000h]
          1. Table 19. ADCOption Register (SMBus address = 35h) Field Descriptions
          2. Table 20. ADCOption Register (SMBus address = 35h) Field Descriptions
      2. 8.6.2  Charge and PROCHOT Status
        1. 8.6.2.1 ChargerStatus Register (SMBus address = 20h) [reset = 0000h]
          1. Table 21. ChargerStatus Register (SMBus address = 20h) Field Descriptions
          2. Table 22. ChargerStatus Register (SMBus address = 20h) Field Descriptions
        2. 8.6.2.2 ProchotStatus Register (SMBus address = 21h) [reset = 0h]
          1. Table 23. ProchotStatus Register (SMBus address = 21h) Field Descriptions
          2. Table 24. ProchotStatus Register (SMBus address = 21h) Field Descriptions
      3. 8.6.3  ChargeCurrent Register (SMBus address = 14h) [reset = 0h]
        1. Table 25. Charge Current Register (14h) With 10-mΩ Sense Resistor (SMBus address = 14h) Field Descriptions
        2. Table 26. Charge Current Register (14h) With 10-mΩ Sense Resistor (SMBus address = 14h) Field Descriptions
        3. 8.6.3.1   Battery Pre-Charge Current Clamp
      4. 8.6.4  MaxChargeVoltage Register (SMBus address = 15h) [reset value based on CELL_BATPRESZ pin setting]
        1. Table 27. MaxChargeVoltage Register (SMBus address = 15h) Field Descriptions
        2. Table 28. MaxChargeVoltage Register (SMBus address = 15h) Field Descriptions
      5. 8.6.5  MinSystemVoltage Register (SMBus address = 3Eh) [reset value based on CELL_BATPRESZ pin setting]
        1. Table 29. MinSystemVoltage Register (SMBus address = 3Eh) Field Descriptions
        2. Table 30. MinSystemVoltage Register (SMBus address = 3Eh) Field Descriptions
        3. 8.6.5.1   System Voltage Regulation
      6. 8.6.6  Input Current and Input Voltage Registers for Dynamic Power Management
        1. 8.6.6.1 Input Current Registers
          1. 8.6.6.1.1 IIN_HOST Register With 10-mΩ Sense Resistor (SMBus address = 3Fh) [reset = 4000h]
            1. Table 31. IIN_HOST Register With 10-mΩ Sense Resistor (SMBus address = 3Fh) Field Descriptions
            2. Table 32. IIN_HOST Register With 10-mΩ Sense Resistor (SMBus address = 3Fh) Field Descriptions
          2. 8.6.6.1.2 IIN_DPM Register With 10-mΩ Sense Resistor (SMBus address = 022h) [reset = 0h]
            1. Table 33. IIN_DPM Register With 10-mΩ Sense Resistor (SMBus address = 022h) Field Descriptions
            2. Table 34. IIN_DPM Register With 10-mΩ Sense Resistor (SMBus address = 022h) Field Descriptions
          3. 8.6.6.1.3 InputVoltage Register (SMBus address = 3Dh) [reset = VBUS-1.28V]
            1. Table 35. InputVoltage Register (SMBus address = 3Dh) Field Descriptions
            2. Table 36. InputVoltage Register (SMBus address = 3Dh) Field Descriptions
      7. 8.6.7  OTGVoltage Register (SMBus address = 3Bh) [reset = 0h]
        1. Table 37. OTGVoltage Register (SMBus address = 3Bh) Field Descriptions
        2. Table 38. OTGVoltage Register (SMBus address = 3Bh) Field Descriptions
      8. 8.6.8  OTGCurrent Register (SMBus address = 3Ch) [reset = 0h]
        1. Table 39. OTGCurrent Register (SMBus address = 3Ch) Field Descriptions
        2. Table 40. OTGCurrent Register (SMBus address = 3Ch) Field Descriptions
      9. 8.6.9  ADCVBUS/PSYS Register (SMBus address = 23h)
        1. Table 41. ADCVBUS/PSYS Register Field Descriptions
      10. 8.6.10 ADCIBAT Register (SMBus address = 24h)
        1. Table 42. ADCIBAT Register Field Descriptions
      11. 8.6.11 ADCIINCMPIN Register (SMBus address = 25h)
        1. Table 43. ADCIINCMPIN Register Field Descriptions
      12. 8.6.12 ADCVSYSVBAT Register (SMBus address = 26h)
        1. Table 44. ADCVSYSVBAT Register Field Descriptions
      13. 8.6.13 ID Registers
        1. 8.6.13.1 ManufactureID Register (SMBus address = FEh) [reset = 0040h]
          1. Table 45. ManufactureID Register Field Descriptions
        2. 8.6.13.2 Device ID (DeviceAddress) Register (SMBus address = FFh) [reset = 0h]
          1. Table 46. Device ID (DeviceAddress) Register Field Descriptions
  9. Application and Implementation
    1. 9.1 Application Information
    2. 9.2 Typical Application
      1. 9.2.1 Design Requirements
      2. 9.2.2 Detailed Design Procedure
        1. 9.2.2.1 ACP-ACN Input Filter
        2. 9.2.2.2 Inductor Selection
        3. 9.2.2.3 Input Capacitor
        4. 9.2.2.4 Output Capacitor
        5. 9.2.2.5 Power MOSFETs Selection
      3. 9.2.3 Application Curves
  10. 10Power Supply Recommendations
  11. 11Layout
    1. 11.1 Layout Guidelines
    2. 11.2 Layout Example
      1. 11.2.1 Layout Consideration of Current Path
      2. 11.2.2 Layout Consideration of Short Circuit Protection
  12. 12器件和文档支持
    1. 12.1 器件支持
      1. 12.1.1 第三方产品免责声明
    2. 12.2 文档支持
      1. 12.2.1 相关文档
    3. 12.3 接收文档更新通知
    4. 12.4 社区资源
    5. 12.5 商标
    6. 12.6 静电放电警告
    7. 12.7 术语表
  13. 13机械、封装和可订购信息

封装选项

机械数据 (封装 | 引脚)
散热焊盘机械数据 (封装 | 引脚)
订购信息

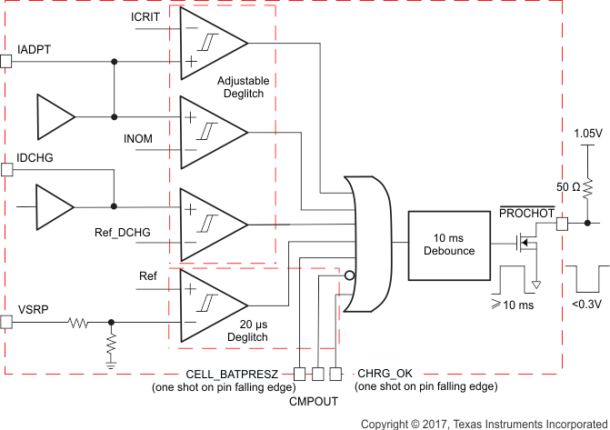
Processor Hot Indication

When CPU is running turbo mode, the system peak power may exceed available power from adapter and battery together. The adapter current and battery discharge peak current, or system voltage drop is indication that system power is too high. The charger processor hot function monitors these events, and PROCHOT pulse is asserted. Once CPU receives PROCHOT pulse from charger, it slows down to reduce system power. The processor hot function monitors these events, and PROCHOT pulse is asserted.

The PROCHOT triggering events include:

  • ICRIT: adapter peak current, as 110% of ILIM2
  • INOM: adapter average current (110% of input current limit)
  • IDCHG: battery discharge current
  • VSYS: system voltage on VSYS
  • Adapter Removal: upon adapter removal (CHRG_OK pin HIGH to LOW)
  • Battery Removal: upon battery removal (CELL_BATPRESZ pin goes LOW)
  • CMPOUT: Independent comparator output (CMPOUT pin HIGH to LOW)

The threshold of ICRIT, IDCHG or VSYS, and the deglitch time of ICRIT, INOM, IDCHG or CMPOUT are programmable through SMBus. Each triggering event can be individually enabled in REG0x34[6:0]. When any event in PROCHOT profile is triggered, PROCHOT is asserted low for minimum 10 ms programmable in 0x33[4:3]. At the end of the 10 ms, if the PROCHOT event is still active, the pulse gets extended.

bq25700A prochot_profile_SLUSCU1.gifFigure 13. PROCHOT Profile