ZHCS292H september   2009  – february 2021 BQ24040 , BQ24041 , BQ24045

PRODUCTION DATA  

  1.   1
  2. 特性
  3. 应用
  4. 说明
  5. Revision History
  6. Device Comparison
  7. Pin Configuration and Functions
  8. Specifications
    1. 7.1 Absolute Maximum Ratings
    2. 7.2 ESD Ratings
    3. 7.3 Recommended Operating Conditions
    4. 7.4 Thermal Information
    5. 7.5 Electrical Characteristics
    6. 7.6 Timing Requirements
    7. 7.7 Typical Operational Characteristics (Protection Circuits Waveforms)
  9. Detailed Description
    1. 8.1 Overview
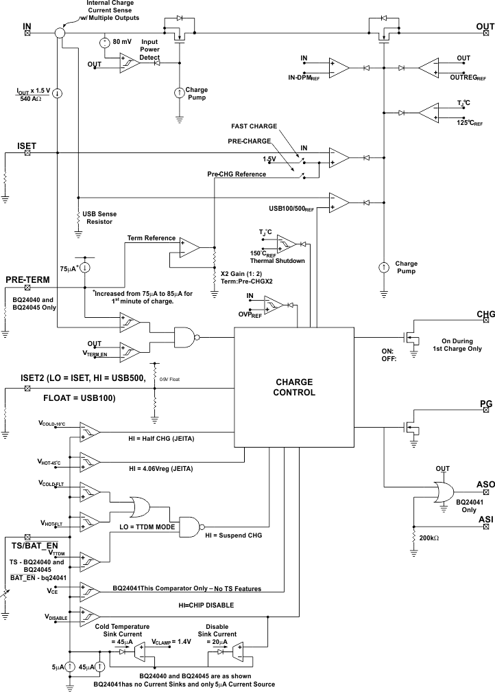
    2. 8.2 Functional Block Diagram
    3. 8.3 Feature Description
      1. 8.3.1 Power-Down or Undervoltage Lockout (UVLO)
      2. 8.3.2 Power-up
      3. 8.3.3 Sleep Mode
      4. 8.3.4 New Charge Cycle
      5. 8.3.5 Overvoltage-Protection (OVP) – Continuously Monitored
      6. 8.3.6 Power Good Indication ( PG)
      7. 8.3.7 CHG Terminal Indication
    4. 8.4 Device Functional Modes
      1. 8.4.1  CHG and PG LED Pull-up Source
      2. 8.4.2  Auto Start-up (BQ24041)
      3. 8.4.3  IN-DPM (VIN-DPM or IN-DPM)
      4. 8.4.4  OUT
      5. 8.4.5  ISET
      6. 8.4.6  PRE_TERM – Pre-Charge and Termination Programmable Threshold, BQ24040/5
      7. 8.4.7  ISET2
      8. 8.4.8  TS (BQ24040/5)
      9. 8.4.9  Termination and Timer Disable Mode (TTDM) - TS Terminal High
      10. 8.4.10 Timers, BQ24040 and BQ24045 only
      11. 8.4.11 Termination
      12. 8.4.12 Battery Detect Routine
      13. 8.4.13 Refresh Threshold
      14. 8.4.14 Starting a Charge on a Full Battery
  10. Application and Implementation
    1. 9.1 Application Information
    2. 9.2 Typical Applications
      1. 9.2.1 Typical Application: BQ24040 and BQ24045
        1. 9.2.1.1 Design Requirements
        2. 9.2.1.2 Detailed Design Procedure
          1. 9.2.1.2.1 Calculations
            1. 9.2.1.2.1.1 Program the Fast Charge Current, ISET:
            2. 9.2.1.2.1.2 Program the Termination Current Threshold, ITERM:
            3. 9.2.1.2.1.3 TS Function (BQ24040)
            4. 9.2.1.2.1.4 CHG and PG
          2. 9.2.1.2.2 Selecting In and Out Terminal Capacitors
        3. 9.2.1.3 Application Curves
      2. 9.2.2 Typical Application Circuit: BQ24041, with ASI and ASO
        1. 9.2.2.1 Design Requirements
        2. 9.2.2.2 Detailed Design Procedure
        3. 9.2.2.3 Application Curves
  11. 10Power Supply Recommendations
  12. 11Layout
    1. 11.1 Layout Guidelines
    2. 11.2 Layout Example
    3. 11.3 Thermal Considerations
      1. 11.3.1 Leakage Current Effects on Battery Capacity
  13. 12Device and Documentation Support
    1. 12.1 Device Support
      1. 12.1.1 第三方产品免责声明
    2. 12.2 Documentation Support
      1. 12.2.1 Related Documentation
    3. 12.3 接收文档更新通知
    4. 12.4 支持资源
    5. 12.5 Trademarks
    6. 12.6 静电放电警告
    7. 12.7 术语表
  14. 13Mechanical, Packaging, and Orderable Information

封装选项

机械数据 (封装 | 引脚)
散热焊盘机械数据 (封装 | 引脚)
订购信息

Functional Block Diagram

GUID-65F4B3FD-512F-4E46-839F-A3A4B9D26726-low.gif