ZHCSH54 December   2017 ADS7054

PRODUCTION DATA.  

  1. 特性
  2. 应用
  3. 说明
  4. 修订历史记录
  5. Pin Configuration and Functions
  6. Specifications
    1. 6.1 Absolute Maximum Ratings
    2. 6.2 ESD Ratings
    3. 6.3 Recommended Operating Conditions
    4. 6.4 Thermal Information
    5. 6.5 Electrical Characteristics
    6. 6.6 Timing Requirements
    7. 6.7 Switching Characteristics
    8. 6.8 Typical Characteristics
  7. Parameter Measurement Information
    1. 7.1 Digital Voltage Levels
  8. Detailed Description
    1. 8.1 Overview
    2. 8.2 Functional Block Diagram
    3. 8.3 Feature Description
      1. 8.3.1 Product Family
      2. 8.3.2 Analog Input
      3. 8.3.3 Reference
      4. 8.3.4 ADC Transfer Function
    4. 8.4 Device Functional Modes
      1. 8.4.1 ACQ State
      2. 8.4.2 CNV State
      3. 8.4.3 OFFCAL State
        1. 8.4.3.1 Offset Calibration on Power-Up
        2. 8.4.3.2 Offset Calibration During Normal Operation
  9. Application and Implementation
    1. 9.1 Application Information
    2. 9.2 Typical Applications
      1. 9.2.1 2-Channel, Simultaneous Sampling Data Acquisition Using the ADS7054
        1. 9.2.1.1 Design Requirements
        2. 9.2.1.2 Detailed Design Procedure
          1. 9.2.1.2.1 Low Distortion Charge Kickback Filter Design
          2. 9.2.1.2.2 Input Amplifier Selection
          3. 9.2.1.2.3 Reference Circuit
        3. 9.2.1.3 Application Curves
      2. 9.2.2 Improving Precision of Single-Ended Signal Source Measurements Using the ADS7054
        1. 9.2.2.1 Design Requirements
        2. 9.2.2.2 Detailed Design Procedure
        3. 9.2.2.3 Application Curve
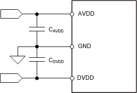
  10. 10Power Supply Recommendations
    1. 10.1 AVDD and DVDD Supply Recommendations
    2. 10.2 Optimizing Power Consumed by the Device
      1. 10.2.1 Estimating Digital Power Consumption
  11. 11Layout
    1. 11.1 Layout Guidelines
    2. 11.2 Layout Example
  12. 12器件和文档支持
    1. 12.1 器件支持
      1. 12.1.1 开发支持
    2. 12.2 文档支持
      1. 12.2.1 相关文档
    3. 12.3 接收文档更新通知
    4. 12.4 社区资源
    5. 12.5 商标
    6. 12.6 静电放电警告
    7. 12.7 Glossary
  13. 13机械、封装和可订购信息

封装选项

机械数据 (封装 | 引脚)
散热焊盘机械数据 (封装 | 引脚)
订购信息

Detailed Description

Overview

The ADS7054 device belongs to a family of pin-to-pin compatible, high-speed, low-power, single-channel successive-approximation register (SAR) type analog-to-digital converters (ADCs). The device family includes multiple resolutions, throughputs, and analog input variants (see Table 1 for a list of devices).

The ADS7054 is a 14-bit, 1-MSPS SAR ADC that supports fully-differential inputs in the range of ±AVDD, for AVDD in the range of 1.65 V to 3.6 V (see the Analog Input section for details on the analog input pins).

The internal offset calibration feature (see the OFFCAL State section) maintains excellent offset specifications over the entire AVDD and temperature operating range.

The device supports an SPI-compatible serial interface that is controlled by the CS and SCLK signals. The input signal is sampled with the CS falling edge and SCLK is used for both, conversion and serial data output (see the Device Functional Modes section, Timing Requirements table, and Switching Characteristics table).

The device supports a wide digital supply range (1.65 V to 3.6 V), enabling direct interfacing to a variety of host controllers. The ADS7054 complies with the JESD8-7A standard (see the Digital Voltage Levels section) for a normal DVDD range (1.65 V to 1.95 V).

The ADS7054 is available in an 8-pin, small, X2QFN package (see the 机械、封装和可订购信息 section for more details) and is specified over the extended industrial temperature range (–40°C to +125°C).

The small form-factor and extremely-low power consumption make this device suitable for space-constrained and battery-powered applications that require high-speed, high-resolution data acquisition (see the Application Information section).

Functional Block Diagram

ADS7054 fbd_bas608.gif

Feature Description

Product Family

The devices listed in Table 1 are all part of the same pin-to-pin compatible, high-speed, low-power, single-channel SAR ADC family. This device family includes multiple different ADC resolutions, throughputs, and analog input types to allow for greater flexibility in the end system. Devices in the same package are pin-compatible to offer a scalable family of devices for varying levels of end-system performance. The ADCs with device numbers ending in -Q1 are also AEC-Q100 qualified for automotive applications.

Table 1. Device Family Comparison

DEVICE NUMBER RESOLUTION (Bits) THROUGHPUT (MSPS) INPUT TYPE PACKAGES(1)
ADS7040 8 1 Single-ended X2QFN (8): 1.5 mm × 1.5 mm
VSSOP (8): 2.0 mm × 3.1 mm
ADS7041 10 1 Single-ended X2QFN (8): 1.5 mm × 1.5 mm
VSSOP (8): 2.0 mm × 3.1 mm
ADS7042 12 1 Single-ended X2QFN (8): 1.5 mm × 1.5 mm
VSSOP (8): 2.0 mm × 3.1 mm
ADS7043 12 1 Pseudo-differential X2QFN (8): 1.5 mm × 1.5 mm
VSSOP (8): 2.0 mm × 3.1 mm
ADS7044 12 1 Fully-differential X2QFN (8): 1.5 mm × 1.5 mm
VSSOP (8): 2.0 mm × 3.1 mm
ADS7029-Q1 8 2 Single-ended VSSOP (8): 2.0 mm × 3.1 mm
ADS7039-Q1 10 2 Single-ended VSSOP (8): 2.0 mm × 3.1 mm
ADS7049-Q1 12 2 Single-ended VSSOP (8): 2.0 mm × 3.1 mm
ADS7046 12 3 Single-ended X2QFN (8): 1.5 mm × 1.5 mm
ADS7047 12 3 Fully-differential X2QFN (8): 1.5 mm × 1.5 mm
ADS7052 14 1 Single-ended X2QFN (8): 1.5 mm × 1.5 mm
ADS7054 14 1 Fully-differential X2QFN (8): 1.5 mm × 1.5 mm
ADS7056 14 2.5 Single-ended X2QFN (8): 1.5 mm × 1.5 mm
ADS7057 14 2.5 Fully-differential X2QFN (8): 1.5 mm × 1.5 mm
Devices listed in the same package are pin-compatible.

Analog Input

The device supports a unipolar, fully-differential analog input signal. Figure 33 shows a small-signal equivalent circuit of the sample-and-hold circuit. The sampling switch is represented by a resistance (RS1 and RS2, typically 50 Ω) in series with an ideal switch (SW1 and SW2). The sampling capacitors, CS1 and CS2, are typically 16 pF.

ADS7054 ain_sbas769.gif Figure 33. Equivalent Input Circuit for the Sampling Stage

During the acquisition process, both positive and negative inputs are individually sampled on CS1 and CS2, respectively. During the conversion process, the device converts for the voltage difference between the two sampled values: VAINP – VAINM.

Each analog input pin has electrostatic discharge (ESD) protection diodes to AVDD and GND. Keep the analog inputs within the specified range to avoid turning the diodes on.

The full-scale analog input range (FSR) is VFSR = –AVDD to AVDD and the common-mode input voltage is AVDD / 2 ± 0.1 V.

Reference

The device uses the analog supply voltage (AVDD) as the reference voltage for the analog to digital conversion. During the conversion process, the internal capacitors are switched to the AVDD pin as per the successive approximation algorithm. A voltage reference must be selected with low temperature drift, high output current drive and low output impedance. TI recommends a 3.3-µF (CAVDD), low equivalent series resistance (ESR) ceramic capacitor between the AVDD and GND pins. This decoupling capacitor provides the instantaneous charge required by the internal circuit during the conversion process and maintains a stable dc voltage on the AVDD pin.

See the Power Supply Recommendations and Layout Example sections for component recommendations and layout guidelines.

ADS7054 ref_sbas769.gif Figure 34. Reference for the Device

ADC Transfer Function

The device supports a unipolar fully-differential analog input signal. The output is in two's compliment format. Figure 35 and Table 2 show the ideal transfer characteristics for the device.

The least significant bit for the device is given by:

Equation 1. 1 LSB = 2 × VREF / 2N

where

  • VREF = Voltage applied between the AVDD and GND pins
  • N = 14
ADS7054 ai_transfer_chara_diff_sbas769.gif Figure 35. Ideal Transfer Characteristics

Table 2. Transfer Characteristics

INPUT VOLTAGE (AINP – AINM) CODE DESCRIPTION IDEAL OUTPUT CODE (Hex)
≤ –(VREF – 1 LSB) NFSC Negative full-scale code 2000
–(VREF – 1 LSB) to –(VREF – 2 LSB) NFSC + 1 2001
0 LSB to 1 LSB MC Mid code 0000
1 LSB to 2 LSB MC + 1 0001
≥ VREF – 1 LSB PFSC Positive full-scale code 1FFF

Device Functional Modes

The device supports a simple, SPI-compatible interface to the external host. On power-up, the device is in the ACQ state. The CS signal defines one conversion and serial data transfer frame. A frame starts with a CS falling edge and ends with a CS rising edge. The SDO pin is tri-stated when CS is high. With CS low, the clock provided on the SCLK pin is used for conversion and data transfer. Output data are available on the SDO pin.

As shown in Figure 36, the device supports three functional states: acquisition (ACQ), conversion (CNV), and offset calibration (OFFCAL). The device status depends on the CS and SCLK signals provided by the host controller.

ADS7054 fsd_sbas769.gif Figure 36. Functional State Diagram

ACQ State

In the ACQ state, switches SW1 and SW2 connected to the analog input pins close and the device acquires the analog input signal on CS1 and CS2. The device enters ACQ state at power-up, at the end of every conversion, and after completing the offset calibration. A CS falling edge takes the device from the ACQ state to the CNV state.

The device consumes extremely low power from the AVDD and DVDD power supplies when in ACQ state.

CNV State

In the CNV state, the device uses the external clock to convert the sampled analog input signal to an equivalent digital code as per the transfer function illustrated in Figure 35. The conversion process requires a minimum of 18 SCLK falling edges to be provided within the frame. After the end of conversion process, the device automatically moves from the CNV state to the ACQ state. For acquisition of the next sample, a minimum time of tACQ must be provided.

Figure 37 shows a detailed timing diagram for the serial interface. In the first serial transfer frame after power-up, the device provides the first data as all zeros. In any frame, the clocks provided on the SCLK pin are also used to transfer the output data for the previous conversion. A leading 0 is output on the SDO pin on the CS falling edge. The most significant bit (MSB) of the output data is launched on the SDO pin on the rising edge after the first SCLK falling edge. Subsequent output bits are launched on the subsequent rising edges provided on SCLK. When all 14 output bits are shifted out, the device outputs 0's on the subsequent SCLK rising edges. The device enters the ACQ state after 18 clocks and a minimum time of tACQ must be provided for acquiring the next sample. If the device is provided with less than 18 SCLK falling edges in the present serial transfer frame, the device provides an invalid conversion result in the next serial transfer frame.

ADS7054 tim_spi_data_revB_sbas769.gif Figure 37. Serial Interface Timing Diagram

OFFCAL State

In the offset calibration (OFFCAL) state, the sampling capacitors are disconnected from the analog input pins (AINP and AINM) and the device calibrates and corrects for any internal offset errors. The offset calibration is effective for all subsequent conversions until the device is powered off. An offset calibration cycle is recommended at power-up and whenever there is a significant change in the operating conditions for the device (such as in the AVDD voltage and operating temperature).

The host controller must provide a serial transfer frame as described in Figure 38 or in Figure 39 to enter the OFFCAL state.

Offset Calibration on Power-Up

On power-up, the host must provide 24 SCLKs in the first serial transfer to enter the OFFCAL state. The device provides 0's on SDO during offset calibration. For acquisition of the next sample, a minimum time of tACQ must be provided.

If the host controller starts the offset calibration process but then pulls the CS pin high before providing 24 SCLKs, then the offset calibration process is aborted and the device enters the ACQ state. Figure 38 and Table 3 provide the timing for offset calibration on power-up.

ADS7054 tim_cal_24clk_revB_sbas769.gif Figure 38. Timing for Offset Calibration on Power-Up

Table 3. Timing Specifications for Offset Calibration on Power-Up(1)

MIN TYP MAX UNIT
tcycle Cycle time for offset calibration on power-up 24 × tCLK + tACQ ns
tACQ Acquisition time 230 ns
fSCLK Frequency of SCLK 24 MHz
In addition to the timing specifications of Figure 38 and Table 3, the timing specifications described in Figure 2 and the Timing Requirements table are also applicable for offset calibration on power-up.

Offset Calibration During Normal Operation

During normal operation, the host must provide 64 SCLKs in the serial transfer frame to enter the OFFCAL state. The device provides the conversion result for the previous sample during the first 18 SCLKs and 0's on SDO for the rest of the SCLKs in the serial transfer frame. For acquisition of the next sample, a minimum time of tACQ must be provided.

If the host controller provides more than 18 SCLKs but pulls the CS high before providing 64 SCLKs, then the offset calibration process is aborted and the device enters the ACQ state. Figure 39 and Table 4 provide the timing for offset calibration during normal operation.

ADS7054 tim_cal_64clk_revB_sbas769.gif Figure 39. Timing for Offset Calibration During Normal Operation

Table 4. Timing Specifications for Offset Calibration During Normal Operation(1)

MIN TYP MAX UNIT
tcycle Cycle time for offset calibration on power-up 64 × tCLK + tACQ ns
tACQ Acquisition time 230 ns
fSCLK Frequency of SCLK 24 MHz
In addition to the timing specifications of Figure 39 and Table 4, the timing specifications described in Figure 2 and the Timing Requirements table are also applicable for offset calibration during normal operation.