ZHCSEJ4C May 2015 – January 2017 ADS54J69
PRODUCTION DATA.
NOTE
Information in the following applications sections is not part of the TI component specification, and TI does not warrant its accuracy or completeness. TI’s customers are responsible for determining suitability of components for their purposes. Customers should validate and test their design implementation to confirm system functionality.
The steps described in Table 60 are the recommended power-up sequence with the ADS54J69 in 20X or 40X mode.
| STEP | SEQUENCE | DESCRIPTION | PAGE BEING PROGRAMMED | COMMENT |
|---|---|---|---|---|
| 1 | Power-up the device | Bring up IOVDD to 1.15 V before applying power to DVDD. Bring up DVDD to 1.9 V, AVDD to 1.9 V, and AVDD3V to 3.0 V. | — | See the Power Sequencing and Initialization section for power sequence requirements. |
| 2 | Reset the device | Hardware reset | ||
| Apply a hardware reset by pulsing pin 48 (low->high->low). | — | A hardware reset clears all registers to their default values. | ||
| Software reset: Register writes equivalent to a hardware reset are: | ||||
| Write address 0-000h with 81h. | General register | Reset registers in the ADC page and master page of the analog bank This bit is a self-clearing bit. | ||
| This bit is a self-clearing bit. | ||||
| Write address 4-001h with 00h and address 4-002h with 00h. | Unused page | Clear any unwanted content from the unused pages of the JESD bank. | ||
| Write address 4-003h with 00h and address 4-004h with 68h. | — | Select the main digital page of the JESD bank. | ||
| Write address 6-0F7h with 01h for channel A. | Main digital page (JESD bank) |
Use the DIG RESET register bit to reset all pages in the JESD bank. | ||
| This bit is a self-clearing bit. | ||||
| Write address 6-000h with 01h, then address 6-000h with 00h. | Pulse the PULSE RESET register bit for both channels. | |||
| 3 | Performance modes | Write address 0-011h with 80h. | — | Select the master page of the analog bank. |
| Write address 0-059h with 20h. | Master page (analog bank) |
Set the ALWAYS WRITE 1 bit. | ||
| 4 | Program registers for 20X or 40X serialization and program the HPF or LPF filter |
The JESD mode (in the JESD digital page) and JESD PLL mode (in the JESD analog page) register bits control 20X or 40X serialization. By default after reset, the device is in 20X serialization mode (4-lanes output). | ||
| Write address 4-003h with 00h and address 4-004h with 69h. | — | Select the JESD digital page. | ||
| Write address 6-000h with 80h. | JESD digital page (JESD bank) |
Set the CTRL K bit for both channels to program K for the SYSREF signal frequency in step 5. | ||
| Write address 6-001h with 01h. | Enable 20X serialization (4-lane output, default setting after reset). | |||
| Write address 6-001h with 02h. | Enable 40X serialization (2-lane output). | |||
| Write address 4-003h with 00h and address 4-004h with 6Ah. | JESD analog page (JESD bank) |
Select the JESD analog page. | ||
| Write address 6-016h with 00h | Enable 20X serialization (4-lane output, default setting after reset). | |||
| Write address 6-016h with 02h | To enable 40X serialization (2-lane output). | |||
| Write address 4-003h with 00h and address 4-004h with 68h. | Main digital page (JESD bank) |
Select the main digital page. | ||
| Write address 6-052h with 80h and address 6-072h with 08h. | Set the ALWAYS WRITE 1 bit (enables correct order of the JESD output lanes). | |||
| Write address 6-04Dh with 08h | Enable the decimation filter programming. | |||
| Write address 6-041h with 12h | Enable the low-pass filter (default setting after reset). | |||
| Write address 6-041h with 16h | Enable the high-pass filter. | |||
| Write address 6-000h with 01h and address 6-000h with 00h. | Pulse the PULSE RESET register bit. All settings programmed in the main digital page take effect only after this bit is pulsed. | |||
| 5 | Set the value of K and the SYSREF signal frequency accordingly | Write address 4-003h with 00h and address 4-004h with 69h. | — | Select the JESD digital page. |
| Write address 6-006h with XXh (choose the value of K). | JESD digital page (JESD bank) |
Default value of K is 8 for 20X (4-lane) mode and 4 for 40X (2-lane) mode. However, K can be programmed for higher values than the default by using bits 4-0 of address 6-006 in the JESD digital page. For example, if K = 31 by writing address 6-006h with 1Fh in the JESD digital page, then the SYSREF signal frequency must be kept less than or equal to 250 MHz / 32 = 7.8125 MHz. | ||
| 6 | JESD lane alignment | Pull the SYNC pin (pin 63) low. | — | Transmit K28.5 characters. |
| Pull the SYNC pin high. | After the receiver is synchronized, initiate an ILA phase and subsequent transmissions of ADC data. | |||
Figure 129 and Table 61 show the timing for a hardware reset.
Figure 129. Hardware Reset Timing Diagram
| MIN | TYP | MAX | UNIT | ||
|---|---|---|---|---|---|
| t1 | Power-on delay from power-up to active high RESET pulse | 1 | ms | ||
| t2 | Reset pulse duration: active high RESET pulse duration | 10 | ns | ||
| t3 | Register write delay: delay from RESET disable to SEN active | 100 | ns | ||
The signal-to-noise ratio (SNR) of the ADC is limited by three different factors: quantization noise, thermal noise, and jitter, as shown in Equation 4. The quantization noise is typically not noticeable in pipeline converters and is 98 dB for a 16-bit ADC. The thermal noise limits SNR at low input frequencies and the clock jitter sets SNR for higher input frequencies. The decimation-by-2 process gives approximately an additional 3-dB improvement in SNR.

The SNR limitation resulting from the sample clock jitter can be calculated by Equation 5:

The total clock jitter (TJitter) has two components: the internal aperture jitter (145 fS) is set by the noise of the clock input buffer and the external clock jitter. TJitter can be calculated by Equation 6:

External clock jitter can be minimized by using high-quality clock sources and jitter cleaners as well as band-pass filters at the clock input. A faster clock slew rate also improves the ADC aperture jitter.
The ADS54J69 has a thermal noise of approximately 71.1 dBFS and an internal aperture jitter of 120 fS. The SNR, depending on the amount of external jitter for different input frequencies, is shown in Figure 130.
Half-band decimation filtering employed by the ADS54J69 reduces the affect of all contributors to SNR by 3 dB. Filtering makes the SNR curve in Figure 130 start at 74 dBFS despite a thermal noise of 71.1 dBFS.
Decimation filtering also improves the affect of jitter noise by 3 dB, and is equivalent to having 102 fS as the effective aperture jitter instead of 120 fS.
The ADS54J69 is designed for wideband receiver applications demanding excellent dynamic range over a large input frequency range. A typical schematic for an ac-coupled receiver is shown in Figure 131.
NOTE:
GND = AGND and DGND connected in the PCB layout.Typical applications involving transformer-coupled circuits are discussed in this section. Transformers (such as ADT1-1WT or WBC1-1) can be used up to 300 MHz to achieve good phase and amplitude balances at the ADC inputs. When designing dc driving circuits, the ADC input impedance must be considered. Figure 132 and Figure 133 show the impedance (ZIN = RIN || CIN) across the ADC input pins.
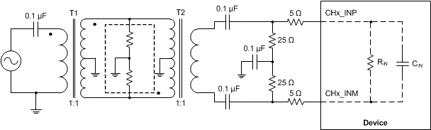
By using the simple drive circuit of Figure 134, uniform performance can be obtained over a wide frequency range. The buffers present at the analog inputs of the device help isolate the external drive source from the switching currents of the sampling circuit.
Figure 134. Input Drive Circuit
For optimum performance, the analog inputs must be driven differentially. This architecture improves common-mode noise immunity and even-order harmonic rejection. A small resistor (5 Ω to 10 Ω) in series with each input pin is recommended to damp out ringing caused by package parasitics, as shown in Figure 134.
Figure 135 and Figure 136 show the typical performance at 170 MHz and 230 MHz, respectively.
| SNR = 73 dBFS; SFDR = 93 dBc; SINAD = 73.18 dBFS; THD = 89 dBc; HD2 = 93 dBc; HD3 = 103 dBc; IL spur = 99 dBc; non HD2, HD3 spur = 94 dBc |
| SNR = 71.6 dBFS; SFDR = 80 dBc; SINAD = 71 dBFS; THD = 79 dBc; HD2 = –80 dBc; HD3 = –96 dBc; IL spur = 85 dBc; non HD2, HD3 spur = 92 dBc |