ZHCSBL9F October   2012  – May 2016 ADS42LB49 , ADS42LB69

PRODUCTION DATA.  

  1. 特性
  2. 应用
  3. 说明
  4. 修订历史记录
  5. Pin Configuration and Functions
  6. Specifications
    1. 6.1  Absolute Maximum Ratings
    2. 6.2  ESD Ratings
    3. 6.3  Recommended Operating Conditions
    4. 6.4  Thermal Information
    5. 6.5  Electrical Characteristics: ADS42LB69 (16-Bit)
    6. 6.6  Electrical Characteristics: ADS42LB49 (14-Bit)
    7. 6.7  Electrical Characteristics: General
    8. 6.8  Digital Characteristics
    9. 6.9  Timing Requirements: General
    10. 6.10 Timing Requirements: DDR LVDS Mode
    11. 6.11 Timing Requirements: QDR LVDS Mode
    12. 6.12 Typical Characteristics: ADS42LB69
    13. 6.13 Typical Characteristics: ADS42LB49
    14. 6.14 Typical Characteristics: Common
    15. 6.15 Typical Characteristics: Contour
      1. 6.15.1 Spurious-Free Dynamic Range (SFDR): General
      2. 6.15.2 Signal-to-Noise Ratio (SNR): ADS42LB69
      3. 6.15.3 Signal-to-Noise Ratio (SNR): ADS42LB49
  7. Parameter Measurement Information
  8. Detailed Description
    1. 8.1 Overview
    2. 8.2 Functional Block Diagrams
    3. 8.3 Feature Description
      1. 8.3.1 Digital Gain
      2. 8.3.2 Input Clock Divider
      3. 8.3.3 Overrange Indication
        1. 8.3.3.1 OVR in a QDR Pinout
        2. 8.3.3.2 OVR in a DDR Pinout
        3. 8.3.3.3 Programming Threshold for Fast OVR
      4. 8.3.4 LVDS Buffer
      5. 8.3.5 Output Data Format
    4. 8.4 Device Functional Modes
      1. 8.4.1 Digital Output Information
        1. 8.4.1.1 Output Interface
        2. 8.4.1.2 DDR LVDS Outputs
        3. 8.4.1.3 QDR LVDS Outputs
    5. 8.5 Programming
      1. 8.5.1 Device Configuration
      2. 8.5.2 Details of Serial Interface
        1. 8.5.2.1 Register Initialization
        2. 8.5.2.2 Serial Register Write
        3. 8.5.2.3 Serial Register Readout
    6. 8.6 Register Maps
      1. 8.6.1 Description of Serial Interface Registers
        1. 8.6.1.1  Register 6 (offset = 06h) [reset = 80h]
        2. 8.6.1.2  Register 7 (offset = 07h) [reset = 00h]
        3. 8.6.1.3  Register 8 (offset = 08h) [reset = 00h]
        4. 8.6.1.4  Register B (offset = 0Bh) [reset = 00h]
        5. 8.6.1.5  Register C (offset = 0Ch) [reset = 00h]
        6. 8.6.1.6  Register D (offset = 0Dh) [reset = 6Ch]
        7. 8.6.1.7  Register F (offset = 0Fh) [reset = 00h]
        8. 8.6.1.8  Register 10 (offset = 10h) [reset = 00h]
        9. 8.6.1.9  Register 11 (offset = 11h) [reset = 00h]
        10. 8.6.1.10 Register 12 (offset = 12h) [reset = 00h]
        11. 8.6.1.11 Register 13 (offset = 13h) [reset = 00h]
        12. 8.6.1.12 Register 14 (offset = 14h) [reset = 00h]
        13. 8.6.1.13 Register 15 (offset = 15h) [reset = 00h]
        14. 8.6.1.14 Register 16 (offset = 16h) [reset = 00h]
        15. 8.6.1.15 Register 17 (offset = 17h) [reset = 00h]
        16. 8.6.1.16 Register 18 (offset = 18h) [reset = 00h]
        17. 8.6.1.17 Register 1F (offset = 1Fh) [reset = 7Fh]
        18. 8.6.1.18 Register 20 (offset = 20h) [reset = 00h]
  9. Application and Implementation
    1. 9.1 Application Information
    2. 9.2 Typical Application
      1. 9.2.1 Design Requirements
      2. 9.2.2 Detailed Design Procedure
        1. 9.2.2.1 Analog Input
          1. 9.2.2.1.1 Drive Circuit Requirements
          2. 9.2.2.1.2 Driving Circuit
          3. 9.2.2.1.3 Using the ADS42LBx9 In Time-Domain, Low-Frequency Pulse Applications
        2. 9.2.2.2 Clock Input
        3. 9.2.2.3 SNR and Clock Jitter
      3. 9.2.3 Application Curves
  10. 10Power Supply Recommendations
  11. 11Layout
    1. 11.1 Layout Guidelines
    2. 11.2 Layout Example
  12. 12器件和文档支持
    1. 12.1 相关链接
    2. 12.2 社区资源
    3. 12.3 商标
    4. 12.4 静电放电警告
    5. 12.5 Glossary
  13. 13机械、封装和可订购信息

封装选项

机械数据 (封装 | 引脚)
散热焊盘机械数据 (封装 | 引脚)
订购信息

8 Detailed Description

8.1 Overview

The ADS42LB69 and ADS42LB49 is a family of high linearity, buffered analog input, dual-channel ADCs with maximum sampling rates up to 250 MSPS employing either a quadruple data rate (QDR) or double data rate (DDR) LVDS interface. The conversion process is initiated by a rising edge of the external input clock and the analog input signal is sampled. The sampled signal is sequentially converted by a series of small resolution stages, with the outputs combined in a digital correction logic block. At every clock edge the sample propagates through the pipeline, resulting in a data latency of 14 clock cycles. The output is available in LVDS logic levels in SPI-programmable QDR or DDR options.

8.2 Functional Block Diagrams

ADS42LB49 ADS42LB69 fbd_LB69_las904.gif Figure 76. ADS42LB69 DDR LVDS
ADS42LB49 ADS42LB69 fbd_LB49_las904.gif Figure 77. ADS42LB49 DDR LVDS
ADS42LB49 ADS42LB69 fbd_2x_ddr_las904.gif Figure 78. ADS42LB69, ADS42LB49 QDR LVDS

8.3 Feature Description

8.3.1 Digital Gain

The device includes gain settings that can be used to obtain improved SFDR performance (compared to no gain). Gain is programmable from –2 dB to 6 dB (in 0.5-dB steps). For each gain setting, the analog input full-scale range scales proportionally. Table 3 shows how full-scale input voltage changes when digital gain are programmed in 1-dB steps. Refer to Table 16 to set digital gain using a serial interface register.

SFDR improvement is achieved at the expense of SNR; for a 1-dB increase in digital gain, SNR degrades approximately between 0.5 dB and 1 dB (refer to Figure 15 and Figure 16). Therefore, gain can be used as a trade-off between SFDR and SNR. Note that the default gain after reset is 0 dB with a 2.0-VPP full-scale voltage.

Table 3. Full-Scale Range Across Gains

DIGITAL GAIN FULL-SCALE INPUT VOLTAGE
–2 dB 2.5 VPP(1)
–1 dB 2.2 VPP
0 dB (default) 2.0 VPP
1 dB 1.8 VPP
2 dB 1.6 VPP
3 dB 1.4 VPP
4 dB 1.25 VPP
5 dB 1.1 VPP
6 dB 1.0 VPP
(1) Shaded cells indicate performance settings used in the Electrical Characteristics and Typical Characteristics.

8.3.2 Input Clock Divider

The device is equipped with an internal divider on the clock input. This divider allows operation with a faster input clock, simplifying the system clock distribution design. The clock divider can be bypassed (divide-by-1) for operation with a 250-MHz clock. The divide-by-2 option supports a maximum 500-MHz input clock and the divide-by-4 option supports a maximum 1-GHz input clock frequency.

8.3.3 Overrange Indication

The device provides two different overrange indications: normal OVR and fast OVR. Normal OVR (default) is triggered if the final 16-bit data output exceeds the maximum code value. Normal OVR latency is the same as the output data (that is, 14 clock cycles). Fast OVR is triggered if the input voltage exceeds the programmable overrange threshold and is presented after a latency of only nine clock cycles, thus enabling a quicker reaction to an overrange event.

8.3.3.1 OVR in a QDR Pinout

In a QDR interface, the overrange indication is output on the OVRA and OVRB pins (pin 54 and 59) in 1.8-V CMOS logic levels. The same overrange indication can also be made available on the bidirectional CTRL1, CTRL2 pins by using the PDN/OVR FOR CTRL PINS register bit, as described in Figure 79. Using the FAST OVR EN register bit, the fast OVR indication can be presented on these pins instead of normal OVR.

ADS42LB49 ADS42LB69 ai_ovr_qdr_po_las904.gif

NOINDENT:

NOTE: By default, normal OVR is output on the OVRA and OVRB pins. Using the FAST OVR EN register bit, fast OVR can be presented on these pins instead.

NOINDENT:

NOTE: When the PDN/OVR FOR CTRL PINS register bit is set, the CTRL1 and CTRL2 pins function as output pins and carry the same information as the OVRA and OVRB pins (respectively) in 1.8-V CMOS logic levels.
Figure 79. OVR in a QDR Pinout

8.3.3.2 OVR in a DDR Pinout

In the DDR interface, there are no dedicated pins to provide overrange indication. However, by choosing the appropriate register bits, OVR can be transferred on the LSB of 16-bit output data as well as on the bidirectional CTRL1 and CTRL2 pins, as shown in Figure 80.

ADS42LB49 ADS42LB69 ai_ovr_ddr_po_las904.gif Figure 80. OVR in a DDR Pinout

The FAST OVR EN register bit can be used to transfer fast OVR indication on the CTRL1 and CTRL2 pins instead of normal OVR. The OVR ON LSB register bits can be used to transfer fast OVR indication on the LSB bits (Dx0P, Dx0M), as described in Table 4.

Table 4. Fast OVR Transfer

OVR ON LSB BIT SETTINGS PIN STATE FOR PINS 9, 10 AND 39, 40
00 D0 and D1 are output in the ADS42LB69, NC for the ADS42LB49
01 Fast OVR in LVDS logic level
10 Normal OVR in LVDS logic level
11 D0 and D1 are output in the ADS42LB69, NC for the ADS42LB49

Table 5 summarizes the availability of OVR information on different pins in the QDR and DDR interfaces and the required register settings.

Table 5. OVR Information Availability

INTERFACE SETTINGS OVR INFORMATION AVAILABILITY
PINS 9, 10 AND 39, 40 (LVDS Logic Levels) PINS 12 AND 37
(CMOS Logic Levels)
PINS 54 AND 59
(CMOS Logic Levels)
QDR Default Not applicable No Yes
Use the PDN/OVR FOR CTRL PINS register bits Not applicable Yes Yes
DDR Default No No Not applicable
Use the OVR ON LSB register bits Yes No Not applicable
Use the PDN/OVR FOR CTRL PINS register bits No Yes Not applicable
Use the OVR ON LSB and PDN/OVR FOR CTRL PINS register bits Yes Yes Not applicable

8.3.3.3 Programming Threshold for Fast OVR

The input voltage level at which the overload is detected is referred to as the threshold and is programmable using the FAST OVR THRESHOLD bits. Fast OVR is triggered nine output clock cycles after the overload condition occurs. The threshold voltage amplitude at which fast OVR is triggered is Equation 1:

Equation 1. 1 × [the decimal value of the FAST OVR THRESH bits] / 127

When digital gain is programmed (for gain values > 0 dB ), the threshold voltage amplitude is Equation 2:

Equation 2. 10–Gain / 20 x [the decimal value of the FAST OVR THRESH bits] / 127

8.3.4 LVDS Buffer

The equivalent circuit of each LVDS output buffer is shown in Figure 81. After reset, the buffer presents an output impedance of 100 Ω to match with the external 100-Ω termination.

ADS42LB49 ADS42LB69 ai_lvds_buf_equiv_cir_bas550.gif

NOINDENT:

NOTE: Default swing across 100-Ω load is ±350 mV. Use the LVDS SWING bits to change the swing.
Figure 81. LVDS Buffer Equivalent Circuit

The VDIFF voltage is nominally 350 mV, resulting in an output swing of ±350 mV with 100-Ω external termination. The VDIFF voltage is programmable using the LVDS SWING register bits from ±125 mV to ±570 mV.

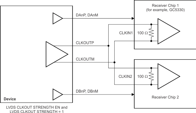
Additionally, a mode exists to double the strength of the LVDS buffer to support 50-Ω differential termination, as shown in Figure 82. This mode can be used when the output LVDS signal is routed to two separate receiver chips, each using a 100-Ω termination. The mode can be enabled for LVDS output data (and for the frame clock in the QDR interface) buffers by setting the LVDS DATA STRENGTH register bit. For LVDS output clock buffers (applicable for both DDR and QDR interfaces), set both the LVDS CLKOUT STRENGTH EN and LVDS CLKOUT STRENGTH register bits to '1'.

The buffer output impedance behaves in the same way as a source-side series termination. Absorbing reflections from the receiver end helps improve signal integrity.

ADS42LB49 ADS42LB69 ai_lvds_diff_termination_las904.gif Figure 82. LVDS Buffer Differential Termination

8.3.5 Output Data Format

Two output data formats are supported: twos complement and offset binary. The format can be selected using the DATA FORMAT serial interface register bit.

In the event of an input voltage overdrive, the digital outputs go to the appropriate full-scale level. For a positive overdrive, the output code is 3FFFh for the ADS42LB49 and ADS42LB69 in offset binary output format; the output code is 1FFFh for the ADS42LB49 and ADS42LB69 in twos complement output format. For a negative input overdrive, the output code is 0000h in offset binary output format and 2000h for the ADS42LB49 and ADS42LB69 in twos complement output format.

8.4 Device Functional Modes

8.4.1 Digital Output Information

The ADS42LB49 and ADS42LB69 provides 14- and 16-bit digital data for each channel and output clock synchronized with the data.

8.4.1.1 Output Interface

Digital outputs are available in quadruple data rate (QDR) LVDS, and double data rate (DDR) LVDS formats, selectable by the DDR – QDR serial register bit.

8.4.1.2 DDR LVDS Outputs

In this mode, the data bits and clock are output using low-voltage differential signal (LVDS) levels. Two data bits are multiplexed and output on each LVDS differential pair, as shown in Figure 83.

ADS42LB49 ADS42LB69 ai_ddr_lvds_iface_las904.gif
1.

NOINDENT:

X = A or B (for channel A or channel B).
Figure 83. DDR LVDS Interface

Even data bits (D0, D2, D4, and so forth) are output at the CLKOUTP rising edge and the odd data bits (D1, D3, D5, and so forth) are output at the CLKOUTP falling edge. Both the CLKOUTP rising and falling edges must be used to capture all the data bits, as shown in Figure 84.

ADS42LB49 ADS42LB69 tim_lvds_iface_las904.gif Figure 84. DDR LVDS Interface Timing

8.4.1.3 QDR LVDS Outputs

The data bits and output clocks are output using low-voltage differential signal (LVDS) levels. Four data bits are multiplexed and output on each LVDS differential data pair and are accompanied by a bit clock and a frame clock for each channel, as shown in Figure 85.

ADS42LB49 ADS42LB69 ai_qdr_lvds_iface_las904.gif
1.

NOINDENT:

X = channels A and B.
Figure 85. QDR LVDS Interface

Figure 86 shows the QDR interface bit order for the ADS42LB69 and Figure 87 shows the QDR interface bit order for the ADS42LB49.

ADS42LB49 ADS42LB69 ai_qdr_lvds_iface_42lb69_las904.gif
ADS42LB49 ADS42LB69 ai_qdr_lvds_iface_42lb49_las904.gif
Figure 86. QDR LVDS Interface Timing: ADS42LB69 Figure 87. QDR LVDS Interface Timing: ADS42LB49

8.5 Programming

8.5.1 Device Configuration

The ADS42LB49 and ADS42LB69 can be configured using a serial programming interface, as described in this section. In addition, the device has two bidirectional parallel pins (CTRL1 and CTRL2). By default, these pins act as input pins and control the power-down modes, as described in Table 6 and Table 7. These pins can be programmed as output pins that deliver overrange information by setting the PDN/OVR_FOR_CTRL_PINS register bit.

Table 6. PDN/OVR_FOR_CTRL_PINS Bit (Set to '0')

CTRL2 CTRL1 PIN DIRECTION FUNCTION
Low Low Input Default operation
Low High Input Channel A power-down
High Low Input Channel B powers down in QDR mode. Do not use in DDR mode.
High High Input Channels A and B power-down

Table 7. PDN/OVR_FOR_CTRL_PINS Bit (Set to '1')

CTRL2 CTRL1 PIN DIRECTION
Carries OVR for channel B Carries OVR for channel A Output

8.5.2 Details of Serial Interface

The ADC has a set of internal registers that can be accessed by the serial interface formed by the SEN (serial interface enable), SCLK (serial interface clock), SDATA (serial interface data) and SDOUT (serial interface data output) pins. Serial shift of bits into the device is enabled when SEN is low. Serial data SDATA are latched at every SCLK rising edge when SEN is active (low). The serial data are loaded into the register at every 16th SCLK rising edge when SEN is low. When the word length exceeds a multiple of 16 bits, the excess bits are ignored. Data can be loaded in multiples of 16-bit words within a single active SEN pulse. The interface can work with SCLK frequencies from 20 MHz down to very low speeds (of a few hertz) and also with non-50% SCLK duty cycle.

8.5.2.1 Register Initialization

After power-up, the internal registers must be initialized to their default values through a hardware reset by applying a high pulse on the RESET pin (of durations greater than 10 ns); see Figure 88 and Table 8. If required, serial interface registers can later be cleared during operation by:

  1. Either through a hardware reset or
  2. By applying a software reset. When using the serial interface, set the RESET bit (D0 in register address 08h) high. This setting initializes the internal registers to the default values and then self-resets the RESET bit low. In this case, the RESET pin is kept low.

ADS42LB49 ADS42LB69 tim_reset_las904.gif

NOINDENT:

NOTE: After power-up, the internal registers must be initialized to their default values through a hardware reset by applying a high pulse on the RESET pin.
Figure 88. Reset Timing Diagram

Table 8. Reset Timing(1)

TEST CONDITIONS MIN TYP MAX UNIT
t1 Power-on delay Delay from AVDD and DRVDD power-up to active RESET pulse 1 ms
t2 Reset pulse width Active RESET signal pulse width 10 ns
1 µs
t3 Register write delay Delay from RESET disable to SEN active 100 ns
(1) Typical values at +25°C; minimum and maximum values across the full temperature range: TMIN = –40°C to TMAX = +85°C, unless otherwise noted.

8.5.2.2 Serial Register Write

The internal register of the ADS42LB49 and ADS42LB69 can be programmed following these steps:

  1. Drive SEN pin low
  2. Set the R/W bit to ‘0’ (bit A7 of the 8 bit address)
  3. Set bit A6 in the address field to ‘0’
  4. Initiate a serial interface cycle specifying the address of the register (A5 to A0) whose content must be written
  5. Write 8 bit data which is latched in on the rising edge of SCLK.

Figure 89 and Table 9 illustrate these steps.

ADS42LB49 ADS42LB69 ser_write_las900.gif Figure 89. Serial Register Write Timing Diagram

Table 9. Serial Interface Timing (Only when Serial Interface is Used)(1)

MIN TYP MAX UNIT
fSCLK SCLK frequency (equal to 1 / tSCLK) > dc 20 MHz
tSLOADS SEN to SCLK setup time 25 ns
tSLOADH SCLK to SEN hold time 25 ns
tDSU SDIO setup time 25 ns
tDH SDIO hold time 25 ns
(1) Typical values are at +25°C; minimum and maximum values across the full temperature range: TMIN = –40°C to TMAX = +85°C, AVDD3V = 3.3 V, and AVDD = DRVDD = 1.8 V, unless otherwise noted.

8.5.2.3 Serial Register Readout

The device includes a mode where the contents of the internal registers can be read back using the SDOUT pin. This read-back mode may be useful as a diagnostic check to verify the serial interface communication between the external controller and the ADC.

  1. Drive SEN pin low
  2. Set the R/W bit (A7) to '1'. This setting disables any further writes to the registers
  3. Set bit A6 in the address field to 0.
  4. Initiate a serial interface cycle specifying the address of the register (A5 to A0) whose content has to be read.
  5. The device outputs the contents (D7 to D0) of the selected register on the SDOUT pin.
  6. The external controller can latch the contents at the SCLK falling edge.
  7. To enable register writes, reset the R/W register bit to '0'.

Figure 90 illustrates these steps. When READOUT is disabled, the SDOUT pin is in a high-impedance mode. If serial readout is not used, the SDOUT pin must float.

ADS42LB49 ADS42LB69 ser_read_las900.gif Figure 90. Serial Register Readout Timing Diagram

8.6 Register Maps

The serial interface registers are summarized in Table 10.

Table 10. Summary of Serial Interface Registers

REGISTER ADDRESS REGISTER DATA
A[7:0] (Hex) D7 D6 D5 D4 D3 D2 D1 D0
06 1 0 0 0 0 0 CLK DIV
07 0 0 0 0 0 SYNCIN DELAY
08 PDN CHA PDN CHB STDBY DATA FORMAT DIS CTRL PINS TEST PAT ALIGN 0 RESET
0B CHA GAIN CHA GAIN EN 0 FLIP DATA
0C CHBGAIN CHB GAIN EN OVR ON LSB
0D 0 1 1 0 1 1 0 FAST OVR ON PIN
0F CHA TEST PATTERNS CHB TEST PATTERNS
10 CUSTOM PATTERN 1 (15:8)
11 CUSTOM PATTERN 1 (7:0)
12 CUSTOM PATTERN 2 (15:8)
13 CUSTOM PATTERN 2 (7:0)
14 0 0 0 0 LVDS CLK STRENGTH LVDS DATA STRENGTH DISABLE OUTPUT CHA DISABLE OUTPUT CHB
15 0 0 0 0 0 0 0 DDR – QDR
16 0 0 DDR OUTPUT TIMING 0
17 LVDS CLK STRENGTH EN 0 QDR TIMING CHA INV CLK OUT CHA
18 0 0 QDR TIMING CHB INV CLK OUT CHB
1F Always write '0' FAST OVR THRESHOLD
20 0 0 0 0 0 0 0 PDN/OVR FOR CTRL PINS

Table 11. High-Frequency Modes Summary

REGISTER ADDRESS VALUE DESCRIPTION
0Dh 90h Enable high-frequency modes for input frequencies greater than 250 MHz.
0Eh 90h Enable high-frequency modes for input frequencies greater than 250 MHz.

8.6.1 Description of Serial Interface Registers

8.6.1.1 Register 6 (offset = 06h) [reset = 80h]

Figure 91. Register 6
D7 D6 D5 D4 D3 D2 D1 D0
1 0 0 0 0 0 CLK DIV
W-1h W-0h W-0h W-0h W-0h W-0h R/W-0h
LEGEND: R/W = Read/Write; W = Write only; -n = value after reset

Table 12. (For example, CONTROL_REVISION Register) Field Descriptions

Bit Field Type Reset Description
D7 1 W 1h Always write '1'
D[6:2] 0 W 0h Always write '0'
D[1:0] CLK DIV R/W 0h Internal clock divider for input sample clock
00 : Divide-by-1 (clock divider bypassed)
01 : Divide-by-2
10 : Divide-by-1
11 : Divide-by-4

8.6.1.2 Register 7 (offset = 07h) [reset = 00h]

Figure 92. Register 7
D7 D6 D5 D4 D3 D2 D1 D0
0 0 0 0 0 SYNCIN DELAY
W-0h W-0h W-0h W-0h W-0h R/W-0h
LEGEND: R/W = Read/Write; W = Write only; -n = value after reset

Table 13. Register 7 Field Descriptions

Bit Field Type Reset Description
D[7:3] 0 W 0h Always write '0'
D[2:0] SYNCIN DELAY R/W 0h Controls the delay of the SYNCIN input with respect to the input clock.
Typical values for the expected delay of different settings are:
000 : 0-ps delay
001 : 60-ps delay
010 : 120-ps delay
011 : 180-ps delay
100 : 240-ps delay
101 : 300-ps delay
110 : 360-ps delay
111 : 420-ps delay

8.6.1.3 Register 8 (offset = 08h) [reset = 00h]

Figure 93. Register 8
D7 D6 D5 D4 D3 D2 D1 D0
PDN CHA PDN CHB STDBY DATA FORMAT DIS CTRL PINS TEST PAT ALIGN 0 RESET
R/W-0h R/W-0h R/W-0h R/W-0h R/W-0h R/W-0h W-0h R/W-0h
LEGEND: R/W = Read/Write; W = Write only; -n = value after reset

Table 14. Register 8 Field Descriptions

Bit Field Type Reset Description
D[7:6] PDN CHA, PDN CHB R/W 0h Power-down channels A and B. Effective only when bit DIS CTRL PINS is set to '1'.
00 : Normal operation
01 : Channel B powers down. Use only if the QDR interface is selected. Do not use in the DDR interface.
10 : Channel A powers down. Functions in both QDR and DDR interfaces.
11 : Both channels power down. Functions in both QDR and DDR interfaces.
D5 STDBY R/W 0h Dual ADC is placed into standby mode
0 : Normal operation
1 : Power down
D4 DATA FORMAT R/W 0h Digital output data format
0 : Twos complement
1 : Offset binary
D3 DIS CTRL PINS R/W 0h Disables power-down control from the CTRL1, CTRL2 pins. This bit also functions as an enable bit for the INV CLK OUT CHA, INV CLK OUT CHB, and DDR OUTPUT TIMING bits.
0 : CTRL1 and CTRL2 pins control power-down options for channels A and B
1 : The PDN CHA and PDN CHB register bits determine power-down options for channels A and B. The INV CLK OUT CHA, INV CLK OUT CHB, and DDR OUTPUT TIMING register bits become effective.
D2 TEST PAT ALIGN R/W 0h Aligns test patterns of two channels
0 : Test patterns for channel A and channel B are free running
1 : Test patterns for both channels are synchronized
D1 0 W 0h Always write '0'
D0 RESET R/W 0h Software reset applied
This bit resets all internal registers to the default values and self-clears to ‘0’

8.6.1.4 Register B (offset = 0Bh) [reset = 00h]

Figure 94. Register B
D7 D6 D5 D4 D3 D2 D1 D0
CHA GAIN CHA GAIN EN 0 FLIP DATA
R/W-0h R/W-0h W-0h R/W-0h
LEGEND: R/W = Read/Write; W = Write only; -n = value after reset

Table 15. Register B Field Descriptions

Bit Field Type Reset Description
D[7:3] CHA GAIN R/W 0h Digital gain for channel A. Effective when the CHA GAIN EN register bit is set to '1'. Bit descriptions are listed in Table 16.
D2 CHA GAIN EN R/W 0h Digital gain enable bit for channel A
0 : Digital gain disabled
1 : Digital gain enabled
D1 0 W 0h Always write '0'
D0 FLIP DATA R/W 0h Flips bit order on the LVDS output bus (LSB versus MSB)
0 : Normal operation
1 : Output bus flipped. In the ADS42LB69, output data bit D0 becomes D15, D1 becomes D14, and so forth.
In the ADS42LB49, output data bit D0 becomes D13, D1 becomes D12, and so forth.

Table 16. Digital Gain for Channel A

DIGITAL GAIN FOR CHANNEL A DIGITAL GAIN (dB) MAX INPUT VOLTAGE (VPP) DIGITAL GAIN FOR CHANNEL A DIGITAL GAIN (dB) MAX INPUT VOLTAGE (VPP)
00000 0 2.0 01010 1.5 1.7
00001 Do not use 01011 2 1.6
00010 Do not use 01100 2.5 1.5
00011 –2.0 2.5 01101 3 1.4
00100 –1.5 2.4 01110 3.5 1.3
00101 –1.0 2.2 01111 4 1.25
00110 –0.5 2.1 10000 4.5 1.2
00111 0 2.0 10001 5 1.1
01000 0.5 1.9 10010 5.5 1.05
01001 1 1.8 10011 6 1.0

8.6.1.5 Register C (offset = 0Ch) [reset = 00h]

Figure 95. Register C
D7 D6 D5 D4 D3 D2 D1 D0
CHB GAIN CHB GAIN EN OVR ON LSB
R/W-0h R/W-0h R/W-0h
LEGEND: R/W = Read/Write; -n = value after reset

Table 17. Register C Field Descriptions

Bit Field Type Reset Description
D[7:3] CHB GAIN R/W 0h Digital gain for channel B. Effective when the CHB GAIN EN register bit is set to '1'. Bit descriptions are listed in Table 18.
D2 CHB GAIN EN R/W 0h Digital gain enable bit for channel B
0 : Digital gain disabled
1 : Digital gain disabled
D[1:0] OVR ON LSB R/W 0h Functions only with the DDR interface option. Replaces the LSB pair of 16-bit data (D1, D0) with OVR information. See the Overrange Indication section.
00 : D1 and D0 are output in the ADS42LB69, NC for the ADS42LB49
01 : Fast OVR in LVDS logic level
10 : Normal OVR in LVDS logic level
11 : D1 and D0 are output in the ADS42LB69, NC for the ADS42LB49

Table 18. Digital Gain for Channel B

DIGITAL GAIN FOR CHANNEL B DIGITAL GAIN (dB) MAX INPUT VOLTAGE (VPP) DIGITAL GAIN FOR CHANNEL B DIGITAL GAIN (dB) MAX INPUT VOLTAGE (VPP)
00000 0 2.0 01010 1.5 1.7
00001 Do not use 01011 2 1.6
00010 Do not use 01100 2.5 1.5
00011 –2.0 2.5 01101 3 1.4
00100 –1.5 2.4 01110 3.5 1.3
00101 –1.0 2.2 01111 4 1.25
00110 –0.5 2.1 10000 4.5 1.2
00111 0 2.0 10001 5 1.1
01000 0.5 1.9 10010 5.5 1.05
01001 1 1.8 10011 6 1.0

8.6.1.6 Register D (offset = 0Dh) [reset = 6Ch]

Figure 96. Register D
D7 D6 D5 D4 D3 D2 D1 D0
0 1 1 0 1 1 0 FAST OVR ON PIN
W-0h W-1h W-1h W-0h W-1h W-1h W-0h R/W-0h
LEGEND: R/W = Read/Write; W = Write only; -n = value after reset

Table 19. Register D Field Descriptions

Bit Field Type Reset Description
D7 0 W 0h Always write '0'
D[6:5] 1 W 1h Always write '1'
D4 0 W 0h Always write '0'
D[3:2] 1 W 1h Always write '1'
D1 0 W 0h Always write '0'
D0 FAST OVR ON PIN R/W 0h Determines whether normal OVR or fast OVR information is brought on the OVRx, CTRL1, and CTRL2 pins. See the Overrange Indication section.
0 : Normal OVR available on the OVRx, CTRL1, and CTRL2 pins
1 : Fast OVR available on the OVRx, CTRL1, and CTRL2 pins

8.6.1.7 Register F (offset = 0Fh) [reset = 00h]

Figure 97. Register F
D7 D6 D5 D4 D3 D2 D1 D0
CHA TEST PATTERNS CHB TEST PATTERNS
R/W-0h R/W-0h
LEGEND: R/W = Read/Write; -n = value after reset

Table 20. Register F Field Descriptions

Bit Field Type Reset Description
D[7:4] CHA TEST PATTERNS R/W 0h Channel A test pattern programmability
0000 : Normal operation
0001 : Outputs all 0s
0010 : Outputs all 1s
0011 : Outputs toggle pattern: In the ADS42LB69, data are an alternating sequence of 1010101010101010 and 0101010101010101.
In the ADS42LB49, data alternate between 10101010101010 and 01010101010101.
0100 : Output digital ramp: In the ADS42LB69, data increment by 1 LSB every clock cycle from code 0 to 65535.
In the ADS42LB49 data increment by 1 LSB every fourth clock cycle from code 0 to 16383.
0101 : Increment pattern: Do not use
0110 : Single pattern: In the ADS42LB69, data are the same as programmed by the CUSTOM PATTERN 1[15:0] registers bits.
In the ADS42LB49, data are the same as programmed by the CUSTOM PATTERN 1[15:2] register bits.
0111 : Double pattern: In the ADS42LB69, data alternate between CUSTOM PATTERN 1[15:0] and CUSTOM PATTERN 2[15:0].
In the ADS42LB49 data alternate between CUSTOM PATTERN 1[15:2] and CUSTOM PATTERN 2[15:2].
1000 : Deskew pattern: In the ADS42LB69, data are AAAAh. In the ADS42LB49, data are 3AAAh.
1001 : Do not use
1010 : PRBS pattern: Data are a sequence of pseudo-random numbers
1011 : 8-point sine wave: In the ADS42LB69, data are a repetitive sequence of the following eight numbers, forming a sine-wave in twos complement format: 1, 9598, 32768, 55938, 65535, 55938, 32768, and 9598.
In the ADS42LB49, data are a repetitive sequence of the following eight numbers, forming a sine-wave in twos complement format: 0, 2399, 8192, 13984, 16383, 13984, 8192, and 2399.
D[3:0] CHB TEST PATTERNS R/W 0h Channel B test pattern programmability
0000 : Normal operation
0001 : Outputs all 0s
0010 : Outputs all 1s
0011 : Outputs toggle pattern: In the ADS42LB69, data are an alternating sequence of 1010101010101010 and 0101010101010101.
In the ADS42LB49, data alternate between 10101010101010 and 01010101010101.
0100 : Output digital ramp: In the ADS42LB69, data increment by 1 LSB every clock cycle from code 0 to 65535.
In the ADS42LB49 data increment by 1 LSB every fourth clock cycle from code 0 to 16383.
0101 : Increment pattern: Do not use
0110 : Single pattern: In the ADS42LB69, data are the same as programmed by the CUSTOM PATTERN 1[15:0] registers bits.
In the ADS42LB49, data are the same as programmed by the CUSTOM PATTERN 1[15:2] register bits.
0111 : Double pattern: In the ADS42LB69, data alternate between CUSTOM PATTERN 1[15:0] and CUSTOM PATTERN 2[15:0].
In the ADS42LB49 data alternate between CUSTOM PATTERN 1[15:2] and CUSTOM PATTERN 2[15:2].
1000 : Deskew pattern: In the ADS42LB69, data are AAAAh. In the ADS42LB49, data are 3AAAh.
1001 : Do not use
1010 : PRBS pattern: Data are a sequence of pseudo-random numbers
1011 : 8-point sine wave: In the ADS42LB69, data are a repetitive sequence of the following eight numbers, forming a sine-wave in twos complement format: 1, 9598, 32768, 55938, 65535, 55938, 32768, and 9598.
In the ADS42LB49, data are a repetitive sequence of the following eight numbers, forming a sine-wave in twos complement format: 0, 2399, 8192, 13984, 16383, 13984, 8192, and 2399.

8.6.1.8 Register 10 (offset = 10h) [reset = 00h]

Figure 98. Register 10
D7 D6 D5 D4 D3 D2 D1 D0
CUSTOM PATTERN 1[15:8]
R/W-0h
LEGEND: R/W = Read/Write; -n = value after reset

Table 21. Register 10 Field Descriptions

Bit Field Type Reset Description
D[7:0] CUSTOM PATTERN 1[15:8] R/W 0h Sets the CUSTOM PATTERN 1[15:8] with these bits for both channels

8.6.1.9 Register 11 (offset = 11h) [reset = 00h]

Figure 99. Register 11
D7 D6 D5 D4 D3 D2 D1 D0
CUSTOM PATTERN 1[7:0]
R/W-0h
LEGEND: R/W = Read/Write; -n = value after reset

Table 22. Register 11 Field Descriptions

Bit Field Type Reset Description
D[7:0] CUSTOM PATTERN 1[7:0] R/W 0h Sets the CUSTOM PATTERN 1[7:0] with these bits for both channels

8.6.1.10 Register 12 (offset = 12h) [reset = 00h]

Figure 100. Register 12
D7 D6 D5 D4 D3 D2 D1 D0
CUSTOM PATTERN 2[15:8]
R/W-0h
LEGEND: R/W = Read/Write; -n = value after reset

Table 23. Register 12 Field Descriptions

Bit Field Type Reset Description
D[7:0] CUSTOM PATTERN 2[15:8] R/W 0h Sets the CUSTOM PATTERN 2[15:8] with these bits for both channels

8.6.1.11 Register 13 (offset = 13h) [reset = 00h]

Figure 101. Register 13
D7 D6 D5 D4 D3 D2 D1 D0
CUSTOM PATTERN 2[7:0]
R/W-0h
LEGEND: R/W = Read/Write; -n = value after reset

Table 24. Register 13 Field Descriptions

Bit Field Type Reset Description
D[7:0] CUSTOM PATTERN 2[7:0] R/W 0h Sets the CUSTOM PATTERN 2[7:0] with these bits for both channels

8.6.1.12 Register 14 (offset = 14h) [reset = 00h]

Figure 102. Register 14
D7 D6 D5 D4 D3 D2 D1 D0
0 0 0 0 LVDS CLK STRENGTH LVDS DATA STRENGTH DISABLE OUTPUT CHA DISABLE OUTPUT CHB
W-0h W-0h W-0h W-0h R/W-0h R/W-0h R/W-0h R/W-0h
LEGEND: R/W = Read/Write; W = Write only; -n = value after reset

Table 25. Register 14 Field Descriptions

Bit Field Type Reset Description
D[7:4] 0 W 0h Always write '0'
D3 LVDS CLK STRENGTH R/W 0h Increases the LVDS drive strength of the CLKOUTP, CLKOUTM buffers in the DDR pinout and the DxCLKP, DxCLKM buffers in the QDR pinout
0 : LVDS output clock buffer at default strength used with 100-Ω external termination
1 : LVDS output clock buffer has double strength used with 50-Ω external termination. Effective only when the LVDS CLK STRENGTH EN bit is set to '1'.
D2 LVDS DATA STRENGTH R/W 0h Increases the LVDS drive strength
0 : LVDS output data buffers (including frame clock buffers in the QDR interface) at default strength used with a 100-Ω external termination
1 : LVDS output data buffers (including frame clock buffers in the QDR interface) at double strength used with a 50-Ω external termination
D1 DISABLE OUTPUT CHA R/W 0h Disables LVDS output buffers of channel A
0 : Normal operation
1 : Channel A output buffers are in 3-state
D0 DISABLE OUTPUT CHB R/W 0h Disables LVDS output buffers of channel B
0 : Normal operation
1 : Channel B output buffers are in 3-state

8.6.1.13 Register 15 (offset = 15h) [reset = 00h]

Figure 103. Register 15
D7 D6 D5 D4 D3 D2 D1 D0
0 0 0 0 0 0 0 DDR – QDR
W-0h W-0h W-0h W-0h W-0h W-0h W-0h R/W-0h
LEGEND: R/W = Read/Write; W = Write only; -n = value after reset

Table 26. Register 15 Field Descriptions

Bit Field Type Reset Description
D[7:1] 0 W 0h Always write '0'
D0 DDR – QDR R/W 0h Selects output interface between DDR and QDR LVDS mode
0 : QDR LVDS mode
1 : DDR LVDS mode

8.6.1.14 Register 16 (offset = 16h) [reset = 00h]

Figure 104. Register 16
D7 D6 D5 D4 D3 D2 D1 D0
0 0 DDR OUTPUT TIMING 0
W-0h W-0h R/W-0h W-0h
LEGEND: R/W = Read/Write; W = Write only; -n = value after reset

Table 27. Register 16 Field Descriptions

Bit Field Type Reset Description
D[7:6] 0 W 0h Always write '0'
D[5:1] DDR OUTPUT TIMING R/W 0h Effective only when the DIS CTRL PINS bit is set to '1'.
Bit descriptions are listed in Table 28.
D0 0 W 0h Always write '0'

Table 28. DDR Output Timing (After Setting Bits DIS CTRL PINS To '1')

BIT SETTING DELAY (ps) IN OUTPUT CLOCK WITH RESPECT TO DEFAULT POSITION
fS = 250 MSPS fS = 200 MSPS fS = 150 MSPS fS = 100 MSPS
00101 –180 –220 –310 –440
00111 –100 –130 –190 –260
00000 0 0 0 0
01101 120 130 170 260
01110 230 240 330 520
01011 320 360 480 740
10100 400 460 620 940
10000 500 600 790 1220

8.6.1.15 Register 17 (offset = 17h) [reset = 00h]

Figure 105. Register 17
D7 D6 D5 D4 D3 D2 D1 D0
LVDS CLK STRENGTH EN 0 QDR OUTPUT TIMING CHA INVCLK OUT CHA
R/W-0h W-0h R/W-0h R/W-0h
LEGEND: R/W = Read/Write; W = Write only; -n = value after reset

Table 29. Register 17 Field Descriptions

Bit Field Type Reset Description
D7 LVDS CLK STRENGTH EN R/W 0h 0 : Default
1 : Enables clock strength programmability with the LVDS CLK STRENGTH bit
D6 0 W 0h Always write '0'
D[5:1] QDR OUTPUT TIMING CHA R/W 0h Adjusts position of output data clock on channel A with respect to output data. Bit settings are listed in Table 30.
D0 INV CLK OUT CHA R/W 0h Inverts polarity of the output clock for channel A (QDR mode only)
0 : Normal operation
1 : Polarity of channel A output clock DACLKP, DACLKM is inverted. Effective only when the DIS CTRL PINS bit is set to '1'.

Table 30. QDR Timing Channel A Timing

BIT SETTING DELAY (ps) IN OUTPUT CLOCK WITH RESPECT TO DEFAULT POSITION
fS = 250 MSPS fS = 200 MSPS fS = 150 MSPS fS = 100 MSPS
00101 –80 –120 –150 –225
00111 –55 –75 –90 –130
00000 0 0 0 0
01101 55 65 90 130
01110 95 115 165 235
01011 140 165 230 350
10100 180 220 290 450
10000 230 290 370 565

8.6.1.16 Register 18 (offset = 18h) [reset = 00h]

Figure 106. Register 18
D7 D6 D5 D4 D3 D2 D1 D0
0 0 QDR OUTPUT TIMING CHB INVCLK OUT CHB
W-0h W-0h R/W-0h R/W-0h
LEGEND: R/W = Read/Write; W = Write only; -n = value after reset

Table 31. Register 18 Field Descriptions

Bit Field Type Reset Description
D[7:6] 0 W 0h Always write '0'
D[5:1] QDR OUTPUT TIMING CHB R/W 0h Adjusts position of output data clock on channel B with respect to output data. Bit settings are listed in Table 32.
D0 INV CLK OUT CHB R/W 0h Inverts output clock polarity for channel B in QDR mode, or output clock CLKOUTP, CLKOUTM in DDR mode.
0 : Normal operation
1 : In QDR mode, the polarity of the channel B output clock DBCLKP, DBCLKM is inverted. Effective only when the DIS CTRL PINS bit is set to '1'. In DDR mode, the output clock polarity of CLKOUTP, CLKOUTM is inverted.

Table 32. QDR Timing Channel B Timing

BIT SETTING DELAY (ps) IN OUTPUT CLOCK WITH RESPECT TO DEFAULT POSITION
fS = 250 MSPS fS = 200 MSPS fS = 150 MSPS fS = 100 MSPS
00101 –80 –120 –150 –225
00111 –55 –75 –90 –130
00000 0 0 0 0
01101 55 65 90 130
01110 95 115 165 235
01011 140 165 230 350
10100 180 220 290 450
10000 230 290 370 565

8.6.1.17 Register 1F (offset = 1Fh) [reset = 7Fh]

Figure 107. Register 1F
D7 D6 D5 D4 D3 D2 D1 D0
0 FAST OVR THRESHOLD
W-0h R/W-0h
LEGEND: R/W = Read/Write; W = Write only; -n = value after reset

Table 33. Register 1F Field Descriptions

Bit Field Type Reset Description
D7 0 W 1h Always write '0'
Default value of this bit is '1'. Always write this bit to '0' when fast OVR thresholds are programmed.
D[6:0] FAST OVR THRESHOLD R/W 0h The device has a fast OVR mode that indicates an overload condition at the ADC input. The input voltage level at which the overload is detected is referred to as the threshold and is programmable using the FAST OVR THRESHOLD bits. FAST OVR is triggered nine output clock cycles after the overload condition occurs. The threshold at which fast OVR is triggered is (full-scale × [the decimal value of the FAST OVR THRESHOLD bits] / 127). See the Overrange Indication section for details.

8.6.1.18 Register 20 (offset = 20h) [reset = 00h]

Figure 108. Register 20
D7 D6 D5 D4 D3 D2 D1 D0
0 0 0 0 0 0 0 PDN/OVR FOR CTRL PINS
W-0h W-0h W-0h W-0h W-0h W-0h W-0h R/W-0h
LEGEND: R/W = Read/Write; W = Write only; -n = value after reset

Table 34. Register 20 Field Descriptions

Bit Field Type Reset Description
D[7:1] 0 W 0h Always write '0'
D0 PDN/OVR FOR CTRL PINS R/W 0h Determines if the CTRL1, CTRL2 pins are power-down control or OVR outputs
0 : CTRL1 and CTRL2 pins function as input pins to control power-down operation.
1 : CTRL1 and CTRL2 pins function as output pins for overrange indications of channels A and B, respectively. The PDN CH A, PDN CH B register bits along with DIS CTRL PINS can be used for power-down operation.